Запчасти Case IH 9330 (7-006) - BRAKE SYSTEM, WITH SINGLE CALIPER (07) - BRAKES

Схема запчастей Case IH 9330 - (7-006) - BRAKE SYSTEM, WITH SINGLE CALIPER (07) - BRAKES
21
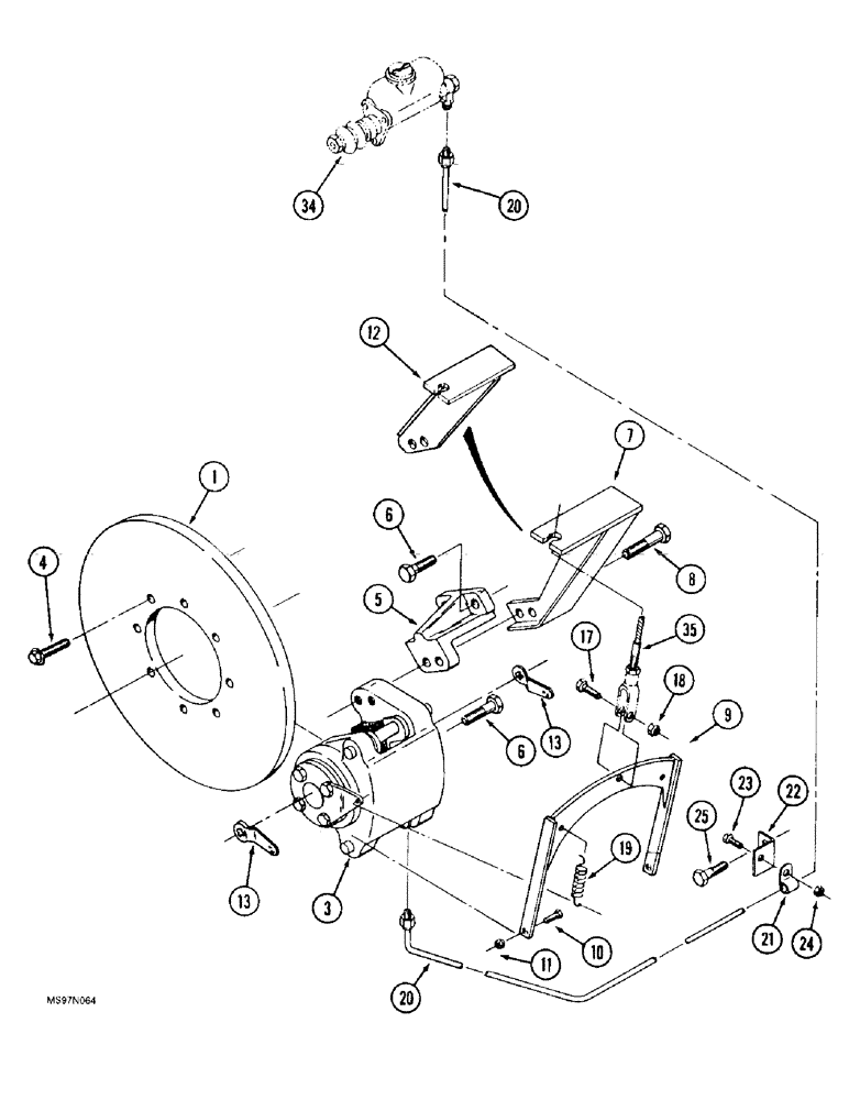
11
5
34
20
13
13
1
6
7
10
3
12
9
35
19
6
23
22
20
25
8
4
17
24
18
FIT
1:1
100%

Артикул

Название

Примечание

Количество

1

90-6479T1

BRAKE DISC

DISC - brake, 15 inch diameter

1шт.

2

328-824

BOLT,Hex, 1/2" - 20 x 1-1/2", Gr 8

8шт.

3

90-8368T92

BRAKE CALIPER

CALIPER ASSEMBLY - brake, parts list Figures 7-10, replaces 90-7650T91 caliper

1шт.

When replacing caliper assembly 90-7650T91 on machines built prior to P.I.N. JEE0037590 with 90-8368T92 caliper, remove parking brake lever 90-8362T1 and replace with original caliper 90-7650T91 or order 90-7656T2 kit, which includes (1) parking brake lever and (1) 800-44035 snap ring.

1шт.

90-8368T92R

REMAN-BRAKE ASSY.

Reman For 9310, 9330

1шт.

90-8368T92C

CORE-BRAKE ASSY.

Return Number

1шт.

4

428-824

BOLT,Hex, 1/2" - 20 x 1-1/2", Gr 8

- hex, 1/2 NF x 1-1/2 inch, grade 8

8шт.

5

90-6481T1

SUPPORT

MOUNT - caliper assembly

2шт.

6

326-1028

BOLT,Hex, 5/8" - 11 x 1-3/4", Gr 8

6шт.

7

90-6466T3

BRACKET

- cable guide, Serial Range: -JEE0037590

1шт.

7

90-8311T1

BRACKET

- cable guide, Start Serial: JEE0037590

1шт.

8

326-1036

BOLT,Hex, 5/8" - 11 x 2-1/4", Gr 8

2шт.

9

90-8381T1

SUPPORT

BRACKET - actuating, park brake

1шт.

10

326-516

BOLT,Hex, 5/16" - 18 x 1", Gr 8

2шт.

11

231-1445

NUT,5/16"-18, GB

NUT - hex, self-locking, 5/16 inch NC

2шт.

12

90-8311T1

BRACKET

- cable guide, Start Serial: JEE0037590

1шт.

13

90-8362T1

BRAKE LEVER

LEVER - parking brake

1шт.

17

326-620

BOLT,Hex, 3/8" - 16 x 1-1/4", Gr 8

1шт.

18

230-1416

LOCK NUT,3/8"-16, GB

NUT - hex, self-locking, 3/8 inch NC

1шт.

19

90-2902T1

SPRING

- parking brake return, also included in Ref. 3 caliper assembly

1шт.

20

90-7546T1

TUBE,.25" OD

- caliper assembly to master brake valve

1шт.

21

515-2363

CLAMP,M6.3, Insul, 3/8" Bolt

- P-type, 1/4 inch ID, tube

3шт.

22

90-6894T1

SUPPORT

BRACKET - clamp mounting, tube support

1шт.

23

413-612

BOLT,Hex, 3/8" - 16 x 3/4", Gr 5

1шт.

24

425-106

NUT,3/8"-16, Cl 5

1шт.

25

SM8121240

BOLT

BOLT - hex, 12 - 1.75 x 40 mm

1шт.

34

90-7554T91

MASTER CYLINDER

CYLINDER ASSEMBLY - brake master, parts list Figure 7-16

1шт.

35

60-7003T1

CABLE

- parking brake

1шт.

Выбрано товаров: 28