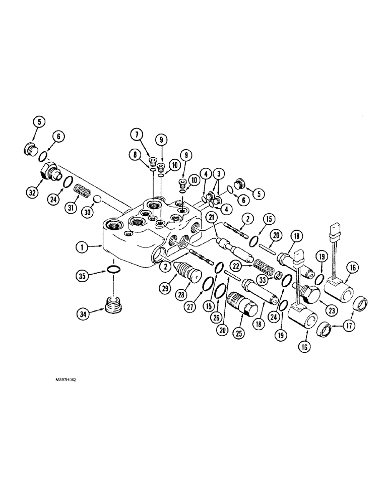
Запчасти Case IH 9330 (8-038) - HITCH CONTROL VALVE ASSEMBLY, P.I.N. JEE0069665 AND AFTER (08) - HYDRAULICS

Схема запчастей Case IH 9330 - (8-038) - HITCH CONTROL VALVE ASSEMBLY, P.I.N. JEE0069665 AND AFTER (08) - HYDRAULICS
18
9
5
19
24
4
25
35
6
20
2
18
15
16
6
29
15
19
9
16
2
8
20
10
1
30
26
33
31
4
34
23
22
28
27
17
3
32
21
10
7
5
24
FIT
1:1
100%

Артикул

Название

Примечание

Количество

246245A1

VALVE

ASSEMBLY - control, Includes: Ref. 1 - 35

1шт.

1

NSS

NOT SOLD SEPARAT

BODY - valve

1шт.

2

188104A1

SPOOL

- pilot

2шт.

3

86529630

PLUG,Hex Soc, 3/8"-24 ORB

Includes Ref. 4 Hex Soc, 3/8"-24 ORB

2шт.

4

237-6003

O-RING,0.064" Thk x 0.301" ID, -903, Cl 6, 90 Duro

3-1, .301" ID x .064" Thk

2шт.

5

71100209

PLUG,Hex Soc, 3/4"-16 ORB

Incl Ref 6 Hex Soc, 3/4"-16 ORB

2шт.

6

237-6008

O-RING,0.087" Thk x 0.644" ID, -908, Cl 6, 90 Duro

8-1, 90 Duro, .644" ID x .087" Thk

2шт.

Part of seal repair kit P/N 243253A1

1шт.

7

9625178

PLUG,9/16" - 18 ORB

Incl. Ref. 8 Hex Soc, 9/16"-18 ORB

1шт.

8

237-6006

O-RING,0.078" Thk x 0.468" ID, -906, Cl 6, 90 Duro

6-1, 90 Duro, .468" ID x .078" Thk

1шт.

9

278548

PLUG,Hex, 7/16"-20 ORB

Incl Ref 10 Hex Soc, 7/16"-20 ORB

2шт.

10

237-6004

O-RING,0.072" Thk x 0.351" ID, -904, Cl 6, 90 Duro

4-1, 90 Duro, .351" ID x .072" Thk

2шт.

Part of seal repair kit P/N 243253A1

1шт.

15

238-5114

O-RING,0.103" Thk x 0.612" ID, -114, Cl 5, 75 Duro

2шт.

Part of seal repair kit P/N 243253A1

1шт.

16

243254A1

KIT

- solenoid, without diode, 12 volt, DC

2шт.

17

188106A1

NUT

- special

2шт.

18

188117A1

CARTRIDGE,72.25mm OAL

CORE - solenoid

2шт.

19

238-5017

O-RING,0.07" Thk x 0.676" ID, -17, Cl 5, 75 Duro

-017, 70 Duro, .676" ID x .070" Thk

2шт.

Part of seal repair kit P/N 243253A1

1шт.

20

188116A1

PIN,3.25mm OD x 39.93mm L

- solenoid actuating

2шт.

21

NSS

NOT SOLD SEPARAT

SPOOL - meter in, main flow

1шт.

22

NSS

NOT SOLD SEPARAT

SPRING - meter in, main flow

1шт.

23

188110A1

PLUG

- spool

1шт.

24

237-6010

O-RING,0.097" Thk x 0.755" ID, -910, Cl 6, 90 Duro

10-1, 90 Duro, .755" ID x .097" Thk

2шт.

Part of seal repair kit P/N 243253A1

1шт.

243256A1

SERVICE KIT

KIT - meter out, Includes: Ref. 25 - 29

1шт.

25

NSS

NOT SOLD SEPARAT

PLUG - meter out poppet

1шт.

26

238-5023

O-RING,0.07" Thk x 1.051" ID, -23, Cl 5, 75 Duro

-023, 70 Duro, 1.051" ID x .070" Thk

1шт.

Part of seal repair kit P/N 243253A1

1шт.

27

238-5022

O-RING,0.07" Thk x 0.99" ID, -22, Cl 5, 75 Duro

-022, 70 Duro, .989" ID x .070" Thk

1шт.

Part of seal repair kit P/N 243253A1

1шт.

28

NSS

NOT SOLD SEPARAT

STEM - servo, meter out

1шт.

29

NSS

NOT SOLD SEPARAT

POPPET - meter out

1шт.

30

511-10200

BALL,20mm Dia

Gr 28, chrome alloy steel 20mm Dia

1шт.

31

188114A1

SPRING

- load check

1шт.

32

188107A1

PLUG

- check valve

1шт.

33

NSS

NOT SOLD SEPARAT

SHIM - spring

1шт.

34

218-5214

PLUG,Hex Soc, 1 5/16"-12 ORB

Incl. Ref 35 Hex Soc, 1 5/16"-12 ORB

1шт.

35

237-6016

O-RING,0.116" Thk x 1.171" ID, -916, Cl 6, 90 Duro

16-1, 90 Duro, 1.171" ID x .116" Thk

1шт.

243253A1

SEAL KIT

KIT - seal repair, Includes: Refs. 4, 6, 8, 10, 15, 19, 24, 26 and 27

1шт.

Part of turbocharger overhaul kit P/N J545652

1шт.

Part of seal repair kit P/N 243253A1

1шт.

Выбрано товаров: 43