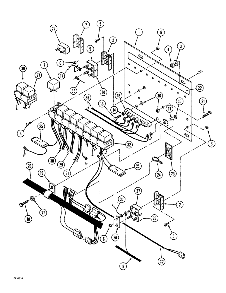
Запчасти Case IH 9330 (4-012) - SYSTEM CIRCUIT BREAKERS (04) - ELECTRICAL SYSTEMS

Схема запчастей Case IH 9330 - (4-012) - SYSTEM CIRCUIT BREAKERS (04) - ELECTRICAL SYSTEMS
17
33
21
7
11
25
20
28
14
9
6
4
6
6
36
22
2
18
2
24
26
5
32
30
31
3
35
5
27
16
39
27
6
25
29
17
36
33
13
10
5
32
37
19
8
1
2
23
FIT
1:1
100%

Артикул

Название

Примечание

Количество

1

60-5052T3

LARGE PLATE

PLATE - relay mounting

1шт.

2

20-1171T1

SUPPORT

BRACKET - mounting, circuit breaker

3шт.

3

495-21038

WASHER,5/16"

(flat, 3/8 x 7/8 x 3/32") 5/16"

3шт.

4

231-1445

NUT,5/16"-18, GB

NUT - hex, self-locking, 5/16 inch NC

3шт.

5

459-5108

SCREW,Slotted Pan Hd, #10-32 x 1/2", G5

- machine, pan head slotted, No. 10 NF x 1/2 inch

1шт.

6

193-1000

NUT,Keps, w/LW,#10-32

- hex, with external tooth lock washer, No. 10 NF

1шт.

7

1983394C2

RELAY

- mini, 12 volt

1шт.

8

REF

INSTRUCTION

HARNESS - overhead power, see Figure 4-6 or 4-8 for the correct harness

1шт.

9

22-809

BREAKER

- circuit, 5 ampere, three point hitch

1шт.

10

245765C1

CIRCUIT-BREAKER,30A

BREAKER - circuit, 30 ampere

1шт.

11

60-7037T1

HARNESS

CABLE - three point hitch

1шт.

13

426-412

BOLT,Hex, 1/4" - 20 x 3/4", Gr 8

- hex, 1/4 NC x 3/4 inch, grade 8

2шт.

14

492-11025

LOCK WASHER,1/4"

WASHER, LOCK, 1/4"

2шт.

16

20-1514T1

JUNCTION

BLOCK - junction

1шт.

17

495-21031

WASHER,1/4"

- flat, 5/16 x 3/4 x 1/16 inch

2шт.

18

426-416

BOLT,Hex, 1/4" - 20 x 1", Gr 8

2шт.

19

515-23381

CLAMP,1 1/2", Insul, 3/8" Bolt

P-type, Retaining 1 1/2", Insul, 3/8" Bolt

1шт.

20

REF

INSTRUCTION

HARNESS - main, see page 4-3 or 4-5 for the correct harness

1шт.

21

19-5773

SCREW,Hex, 1/4" - 20 x 1 1/4", W/ LW

- machine, Keps head, 1/4 NC x 1-1/4 inch

1шт.

22

60-7158T1

DECAL

- relay

1шт.

23

22-823

MOUNT

MOUNT - adhesive back, strap

1шт.

24

22-824

CABLE TIE,3/16" x 7 1/4"

STRAP - tie, 7 inch

1шт.

25

22-738

DIODE

- electrical

1шт.

26

22-677

BAR

CONNECTOR - circuit breaker

1шт.

27

22-670

BREAKER

- circuit, 10 ampere

2шт.

28

22-671

BREAKER

- circuit, 15 ampere

1шт.

29

60-6339T1

HARNESS

- relay, rear differential lock

1шт.

30

60-6340T1

HARNESS

- relay, front differential lock

1шт.

31

20-2336T1

HARNESS

- relay, three point hitch

1шт.

32

60-6162T1

HARNESS

- air seat

1шт.

33

60-6303T1

ELECTRICAL WIRE

WIRE - circuit breaker

1шт.

35

20-2303T1

HARNESS

- differential lock

2шт.

36

232-4114

LOCK NUT,1/4"-20, GC

NUT, LOCK, 1/4"-20, GC

3шт.

37

60-6302T1

RELAY

HARNESS - relay, steerable axle

1шт.

38

425-104

NUT,1/4"-20, Cl 5

- hex, 1/4 inch NC, not shown

1шт.

39

60-7135T1

RELAY

HARNESS - steering axle

1шт.

Выбрано товаров: 36