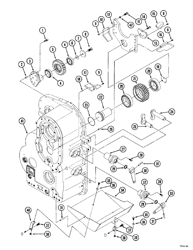
Запчасти Case IH 9350 (6-044) - 12 SPEED SYNCHROSHIFT TRANSMISSION ASSEMBLY, REAR HOUSING, SHIFT LEVERS AND BAFFLES (06) - POWER TRAIN

Схема запчастей Case IH 9350 - (6-044) - 12 SPEED SYNCHROSHIFT TRANSMISSION ASSEMBLY, REAR HOUSING, SHIFT LEVERS AND BAFFLES (06) - POWER TRAIN
28
2
41
11
18
15
34
16
26
23
9
32
39
9
31
13
42
8
24
25
7
36
22
14
37
31
38
31
33
40
6
38
27
4
35
9
30
1
4
29
37
17
12
36
20
21
10
28
20
3
5
19
29
9
35
FIT
1:1
100%

Артикул

Название

Примечание

Количество

90-7774T91

TRANSMISSION

ASSEMBLY - manual shift, parts list Figures 6-36 - 6-66, Includes: Ref. 1 - 42

1шт.

1

33-1767T1

BOLT

BOLT - socket head, special

7шт.

2

33-1807T1

DOWEL

PIN - dowel

2шт.

3

90-8157T1

SHAFT

- idler, reverse

1шт.

4

90-7953T1

BEARING, ROLLER

BEARING - tapered roller

2шт.

5

90-7954T1

PINION

GEAR - idler, reverse

1шт.

6

S9950S00F

SHIM,0.1mm Thk

(0.10 mm) .004" Thk

1шт.

6

S9960S00F

SHIM,0.31mm Thk

(0.30 mm) .012" Thk

1шт.

6

S9970S00F

SHIM,0.51mm Thk

(0.51 mm) .020" Thk

1шт.

6

S9980S00F

SHIM,0.71mm Thk

(0.7 mm) .028" Thk

1шт.

7

33-1693T1

WASHER

PLATE - retainer

1шт.

8

514-1021

BOLT,Hex, M16 x 1.5 x 35mm, Cl 10.9

1шт.

9

614-6012

BOLT,Hex, M6 x 1 x 12mm, Cl 8.8, Full Thd

7шт.

10

90-7955T1

CHANNEL

GUTTER - input

1шт.

11

514-832

BOLT,Hex, M12 x 1.25 x 35mm, Cl 8.8, Full Thd

12шт.

12

90-7957T1

LARGE PLATE

PLATE - support

1шт.

13

90-7958T1

WASHER

COVER - idler shaft

1шт.

14

514-730

BOLT,Hex, M10 x 1.25 x 35mm, Cl 8.8, Full Thd

3шт.

15

90-7959T1

CHANNEL

GUTTER - bearing

1шт.

16

90-7960T1

CHANNEL

GUTTER - gear, second speed

1шт.

17

90-7961T1

CHANNEL

GUTTER - gear, first speed

1шт.

18

90-7962T1

DOWEL

PIN - roll

1шт.

19

90-7963T1

SHIM

- 0.1 mm thick

1шт.

19

90-7964T1

SHIM

- 0.15 mm thick

1шт.

19

90-7965T1

SHIM

- 0.3 mm thick

1шт.

19

90-7966T1

SHIM

- 0.7 mm thick

1шт.

20

90-7920T1

BEARING, ROLLER

BEARING - tapered roller

2шт.

21

90-7968T1

PINION

GEAR - idler

1шт.

22

90-7969T1

PINION

SHAFT - idler

1шт.

23

90-7970T1

O-RING

- shaft

1шт.

Part of transmission gasket kit P/N 90-8401T91.

1шт.

24

90-7971T1

LEVER

- shift, first-reverse speed, inner

1шт.

25

90-7972T1

LEVER

- shift, A-B range, inner

1шт.

26

90-7973T1

DOWEL

PIN - dowel

2шт.

27

90-7974T1

DOWEL

HOLDER - lever, first-reverse speed

1шт.

28

514-712

BOLT,Hex, M10 x 1.25 x 25mm, Cl 8.8, Full Thd

4шт.

29

33-1727T1

OIL SEAL

SEAL - holder

2шт.

Part of transmission gasket kit P/N 90-8401T91.

1шт.

30

90-7975T1

LEVER

- shift, speed, outer

1шт.

31

SM831050

PIN

- spring

3шт.

32

90-7976T1

HOLDER

- lever, A-B range

1шт.

33

90-7977T1

LEVER

- shift, range, outer

1шт.

34

90-7978T1

BAFFLE ASSY.

PAN - oil

1шт.

35

514-703

BOLT,Hex, M10 x 1.25 x 20mm, Cl 8.8, Full Thd

2шт.

37

514-842

BOLT,Hex, M12 x 1.25 x 25mm, Cl 8.8, Full Thd

2шт.

38

825-11410

NUT,M10 x 1.25, Cl 8

2шт.

39

90-7979T1

STRAP

BRACKET - oil pan, left-hand

1шт.

40

90-7980T1

STRAP

BRACKET - oil pan, right-hand

1шт.

41

90-7987T1

HOUSING

- rear, transmission

1шт.

42

90-7948T1

WAVE WASHER

- wave

12шт.

90-7927T92

GASKET KIT

KIT - gasket, transmission, also see Figures 6-36 - 6-66, Serial Range: -JEE0071001

1шт.

90-8401T91

GASKET KIT

KIT - gasket, transmission, Includes: Refs. 23 and 29. Also see Figures 6-36 - 6-66, Start Serial: JEE0071001

1шт.

36

895-11010

WASHER,11mm ID x 20mm OD x 2mm Thk

- flat, 11 x 20 x 2 mm

2шт.

Выбрано товаров: 0