Запчасти Case IH 9350 (6-152) - PTO TRANSFER CASE ASSEMBLY (06) - POWER TRAIN

Схема запчастей Case IH 9350 - (6-152) - PTO TRANSFER CASE ASSEMBLY (06) - POWER TRAIN
24
2
2
28
6
15
2
2
3
7
1
32
10
4
27
1
23
1
14
33
11
25
34
24
15
4
5
1
31
25
20
35
26
FIT
1:1
100%

Артикул

Название

Примечание

Количество

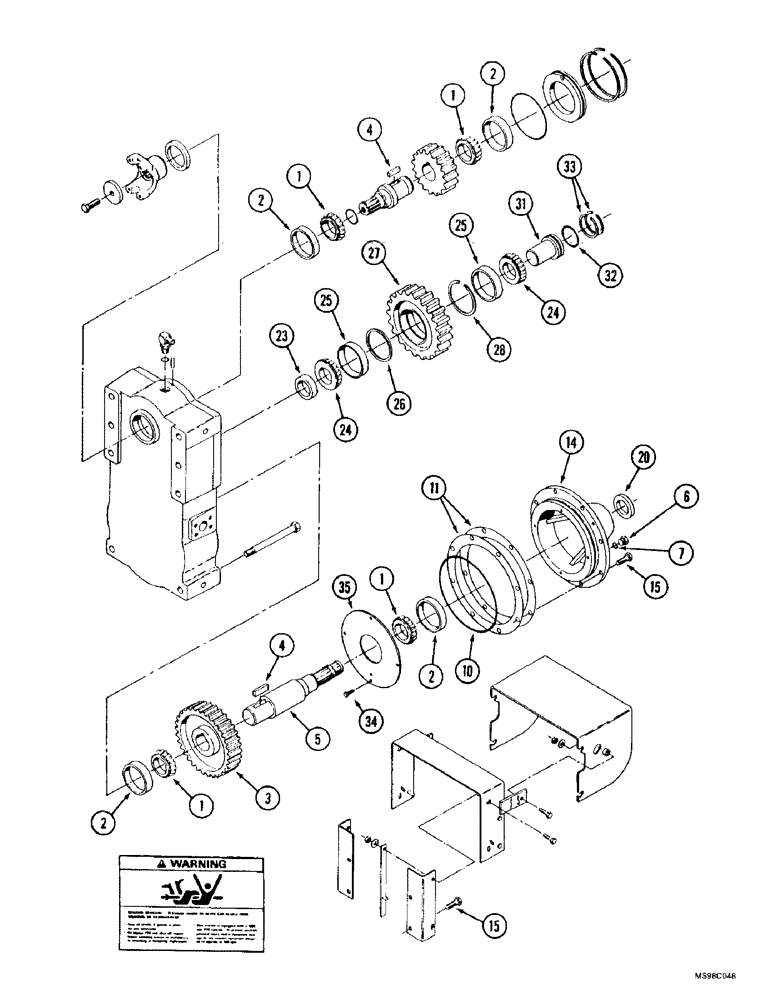
90-7039T92

CASE ASSY.

CASE ASSEMBLY - transfer, PTO, Includes: Ref. 1 - 5 and 37 - 60 on Fig. 6-154

1шт.

1

L33289

ROLLER BEARING,57.1565mm ID x 21.857mm Thk

CONE - tapered roller bearing, 2-1/4 inch ID

4шт.

2

105497H

BEARING CUP,96.85mm OD x 15.77mm W

CUP - tapered roller bearing

4шт.

3

90-4402T1

PINION

GEAR - output, 54 teeth

1шт.

4

90-1173T1

BUCKET TOOTH KEY

KEY - shaft

2шт.

5

90-4401T1

SHAFT

- output

1шт.

6

214389

PLUG,3/4" - 16 ORB

1шт.

7

237-6008

O-RING,0.087" Thk x 0.644" ID, -908, Cl 6, 90 Duro

8-1, 90 Duro, .644" ID x .087" Thk

1шт.

10

1-2270

O-RING,9.234" ID x 9.512" OD x 0.139"

O-RING - end cap, 9-1/4 x 9-1/2 inch

1шт.

11

90-4410T1

SHIM

- end cap, 0.005 inch thick

1шт.

11

90-4411T1

SHIM

- end cap, 0.007 inch thick

1шт.

11

90-4412T1

SHIM

- end cap, 0.02 inch thick

1шт.

14

90-4420T2

CAP

- end, PTO output

1шт.

15

426-824

BOLT,Hex, 1/2" - 13 x 1-1/2", Gr 8

- hex, 1/2 NC x 1-1/2 inch, grade 8

8шт.

20

90-1995T1

SEAL

SEAL - oil

1шт.

23

90-4425T2

BUSHING

- spacer, center shaft

1шт.

24

90-3580T1

BEARING, ROLLER,50.8mm ID x 24.61mm W

CONE - tapered roller bearing

2шт.

25

90-3581T1

BEARING CUP,96.86mm OD x 19.45mm W

CUP - tapered roller bearing

2шт.

26

90-3577T1

SPACER

- gear, center shaft

1шт.

27

90-4403T1

PINION

GEAR - center, 49 teeth

1шт.

28

19-6058

RING, SNAP

RING - snap

1шт.

31

90-4418T1

PIN

- center shaft

1шт.

32

90-4424T1

O-RING,2.359" ID x 2.637" OD x 0.139"

- seal, 2-3/8 x 2-5/8 inch

1шт.

33

90-5750T1

RING, SNAP

RING - snap, 0.065 inch thick

1шт.

33

90-5749T1

RING, SNAP

RING - snap, 0.069 inch thick

1шт.

33

90-5748T1

RING, SNAP

RING - snap, 0.073 inch thick

1шт.

33

90-5747T1

RING, SNAP

RING - snap, 0.077 inch thick

1шт.

33

90-5746T1

RING, SNAP

RING - snap, 0.081 inch thick

1шт.

33

90-5745T1

RING, SNAP

RING - snap, 0.085 inch thick

1шт.

33

90-5744T1

RING, SNAP

RING - snap, 0.089 inch thick

1шт.

33

821442C1

RING

- snap, 0.093 inch thick, replaces 90-5743T1

1шт.

34

413-58

BOLT,Hex, 5/16" - 18 x 1/2", Gr 5

- hex, 5/16 NC x 1/2 inch

4шт.

35

90-4409T2

DEFLECTOR

BAFFLE - oil, continued

1шт.

Выбрано товаров: 0