Запчасти Case IH 9350 (6-154) - PTO TRANSFER CASE ASSEMBLY, (CONT) (06) - POWER TRAIN

Схема запчастей Case IH 9350 - (6-154) - PTO TRANSFER CASE ASSEMBLY, (CONT) (06) - POWER TRAIN
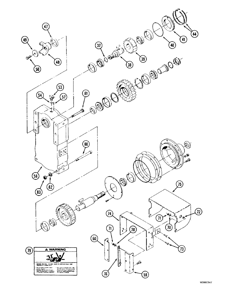
58
39
72
54
74
57
70
49
76
44
40
47
75
79
60
73
70
53
59
41
37
81
38
71
71
50
80
83
48
82
FIT
1:1
100%

Артикул

Название

Примечание

Количество

90-7039T92

CASE ASSY.

CASE ASSEMBLY - transfer, PTO, continued, Includes: Ref. 37 - 60 and 1 - 35 on Fig. 6-152

1шт.

37

238-5132

O-RING,0.103" Thk x 1.737" ID, -132, Cl 5, 75 Duro

- 1-3/4 ID x 3/32 inch wide, yoke

1шт.

38

90-1991T1

SHAFT

- input

1шт.

39

90-4404T1

PINION

GEAR - input, 32 teeth

1шт.

40

90-4423T1

O-RING,5.609" ID x 5.887" OD x 0.139"

- end cap

1шт.

41

90-4422T1

CAP

- end, input shaft

1шт.

44

90-5755T1

RING, SNAP

RING - snap, 0.105 inch thick

1шт.

44

90-5754T1

RING, SNAP

RING - snap, 0.110 inch thick

1шт.

44

90-5753T1

RING, SNAP

RING - snap, 0.115 inch thick

1шт.

44

90-5752T1

RING, SNAP

RING - snap, 0.120 inch thick

1шт.

44

90-5751T1

RING, SNAP

RING - snap, 0.125 inch thick

1шт.

47

90-1994T1

SEAL

- oil

1шт.

48

90-7007T1

YOKE

- input, PTO

1шт.

49

19-5776

WASHER

- flat

1шт.

50

426-1024

BOLT,Hex, 5/8" - 11 x 1-1/2", Gr 8

- hex, 5/8 NC x 1-1/2 inch, grade 8

1шт.

53

218-5106

90 ELBOW,90 Degree Elbow, 3/4" - 16 Male JIC x 3/4" - 16 Male ORB

- 90 degree, 3/4-16 inch flare x adj O-ring boss

1шт.

54

237-6008

O-RING,0.087" Thk x 0.644" ID, -908, Cl 6, 90 Duro

8-1, 90 Duro, .644" ID x .087" Thk

1шт.

57

37-1420

DOWEL,1/4" x 1 1/4"

PIN - dowel, 1/4 x 1-1/4 inch, hardened

1шт.

58

90-4417T3

HOUSING

- transfer case, PTO

1шт.

59

90-5870T1

ANGLE BAR

MOUNT - shield, left-hand

1шт.

60

90-5869T1

ANGLE BAR

MOUNT - shield, right-hand

1шт.

70

495-11041

WASHER,0.406" ID x 0.812" OD x 0.065" W

(Flat, 13/32 x 13/16 x 1/16") 3/8", SAE

4шт.

71

231-1446

NUT,3/8" - 16, Gr 5

NUT, LOCK, 3/8"-16, GB

4шт.

72

19-6013

SPACER

- pivot

4шт.

73

426-620

BOLT,Hex, 3/8" - 16 x 1-1/4", Gr 8

4шт.

74

90-5868T1

SUPPORT

BRACKET - mounting, shield

1шт.

75

90-3484T1

SHIELD

- PTO

1шт.

76

90-5866T1

RETAINER

- bracket

2шт.

79

2-7125T2

DECAL

- Warning, rotating driveline

1шт.

80

426-12112

BOLT,Hex, 3/4" - 10 x 7", Gr 8

- hex, 3/4 NC x 7 inch, grade 8, with three point hitch

2шт.

81

426-12144

BOLT,Hex, 3/4" - 10 x 9", Gr 8

- hex, 3/4 NC x 9 inch, grade 8, with three point hitch

6шт.

81

413-12112

BOLT,Hex, 3/4" - 10 x 7", Gr 5

- hex, 3/4 NC x 7 inch, without three point hitch

6шт.

82

496-11081

WASHER,13/16" x 1 1/2" x .134", HDN

Flat 13/16" x 1 1/2" x .134", HDN

1шт.

83

425-1012

NUT,3/4"-10, G5

- hex, 3/4 inch NC

6шт.

Выбрано товаров: 0