Запчасти Case IH 9350 (6-164) - FRONT STEERABLE AXLE, AXLE HOUSING AND SPINDLE TRUNNION (06) - POWER TRAIN

Схема запчастей Case IH 9350 - (6-164) - FRONT STEERABLE AXLE, AXLE HOUSING AND SPINDLE TRUNNION (06) - POWER TRAIN
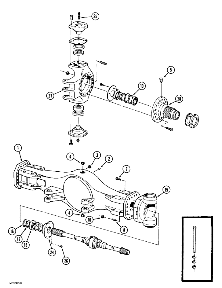
15
8
10
3
17
1
24
18
28
19
4
27
7
25
2
16
4
26
5
FIT
1:1
100%

Артикул

Название

Примечание

Количество

90-8061T91

AXLE

ASSEMBLY - front, without limited slip differential, 695.75, parts list Figures 6-156 - 6-170, continued, Includes: Ref. 1 - 28 and 31 - 66 on Fig. 6-166

1шт.

90-8060T91

AXLE

ASSEMBLY - front, with limited slip differential, 695.72, parts list Figures 6-156 - 6-166, 6-172 and 6-174, continued, Includes: Ref. 1 - 28 and 31 - 66 on Fig. 6-166

1шт.

1

90-7385T1

4WD AXLE ASSY

HOUSING - axle, front, with and without limited slip differential

1шт.

2

90-4485T1

DOWEL

PIN - dowel, 10 x 25 mm

1шт.

3

90-2523T1

PLUG

- special, hex socket, 24 mm - 1.5

1шт.

4

90-4484T1

PLUG

- magnetic, 24 mm - 1.5

2шт.

5

90-8280T1

PLUG

- vent

2шт.

7

90-4480T1

SCREW,Hex, M22 x 1.5 x 65mm, Gr 10.9

BOLT - hex, special, 22 mm - 1.5 x 65 mm, class 10.9

24шт.

8

90-7388T1

STUD

- threaded, 22 mm - 1.5, threaded

8шт.

10

90-7390T1

NUT

- hex lock, 22 mm - 1.5, hex lock

8шт.

15

90-7391T1

TRUNNION

- axle, left or right

2шт.

16

16-1596

RING, SNAP

RING - snap, external retainer

2шт.

17

90-7392T1

SPACER

- inner, inner

2шт.

18

90-7393T1

BEARING, ROLLER, CYL,55mm ID x 100mm OD x 25mm W

BEARING - roller

2шт.

19

90-7394T1

SPACER

- outer

2шт.

24

90-7398T1

FLANGE

CAGE - bearing

2шт.

25

90-7483T1

FITTING

EXTENSION - grease fitting

2шт.

26

90-7399T1

BOLT,Hex, M8 x 20, Cl 10.9

BOLT - hex, 8 x 20 mm, class 10.9

8шт.

27

90-7400T1

HOUSING

- spindle, left-hand or right-hand

2шт.

28

90-7401T1

HUB

SPINDLE - wheel, continued

2шт.

Выбрано товаров: 0