Запчасти Case IH 9350 (6-166) - FRONT STEERABLE AXLE, AXLE HOUSING AND SPINDLE TRUNNION, (CONT) (06) - POWER TRAIN

Схема запчастей Case IH 9350 - (6-166) - FRONT STEERABLE AXLE, AXLE HOUSING AND SPINDLE TRUNNION, (CONT) (06) - POWER TRAIN
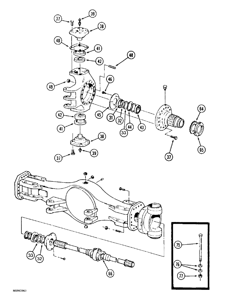
46
49
33
64
42
40
39
37
32
38
37
42
65
77
33
31
38
43
75
48
39
41
32
66
37
45
44
76
41
FIT
1:1
100%

Артикул

Название

Примечание

Количество

90-8061T91

AXLE

ASSEMBLY - front, without limited slip differential, 695.75, parts list Figures 6-156 - 6-170, continued, Includes: Ref. 31 - 66 and 1 - 28 on Fig. 6-164

1шт.

90-8060T91

AXLE

ASSEMBLY - front, with limited slip differential, 695.72, parts list Figures 6-156 - 6-166, 6-172 and 6-174, continued, Includes: Ref. 31 - 66 and 1 - 28 on Fig. 6-164

1шт.

90-7395T91

OIL SEAL

ASSEMBLY - oil, outer, includes 1 each of Ref. 32 and 33 which cannot be removed from Ref. 31, Includes: Ref. 31 - 33

2шт.

31

NSS

NOT SOLD SEPARAT

CARRIER - oil seal

1шт.

32

90-7397T1

OIL SEAL,65mm ID x 80mm OD x 8mm Thk

- dust, inner, does not require Ref. 31, carrier

2шт.

33

90-7396T1

OIL SEAL,65mm ID x 80mm OD x 10mm Thk

- oil, inner, does not require Ref. 31, carrier

2шт.

37

90-7402T1

BOLT,Hex

BOLT - hex, special

48шт.

38

90-7403T1

ROTATOR

KINGPIN - axle, upper and lower

4шт.

39

219-1

LUBE NIPPLE,1/8" - 27 NPTF

FITTING - grease, straight, 1/8 PT x 21/32 inch

4шт.

40

90-7404T1

SHIM

- kingpin, 0.1 mm thick

1шт.

40

90-7405T1

SHIM

- kingpin, 0.12 mm thick

1шт.

40

90-7406T1

SHIM

- kingpin, 0.15 mm thick

1шт.

40

90-7407T1

SHIM

- kingpin, 0.2 mm thick

1шт.

40

90-7408T1

SHIM

- kingpin, 0.5 mm thick

1шт.

41

90-7409T1

SEAL

- dust

4шт.

42

90-7410T1

TAPERED BEARING,45mm ID x 100mm OD x 38.25mm W

- tapered roller

4шт.

43

90-7411T1

ROLLER BEARING

BEARING - tapered roller

2шт.

44

90-7412T1

RING, SNAP

RING - snap

2шт.

45

90-7413T1

LARGE PLATE

PLATE - retaining

2шт.

46

16-1626

BOLT,Hex, M8 x 1.25 x 15mm, Gr 10.9

BOLT - hex, 8 x 15 mm, grade 10.9

8шт.

48

90-7470T1

SCREW

BOLT - hex, special

2шт.

49

90-7471T1

NUT

- hex, special

2шт.

64

90-4496T1

LOCK WASHER

- lock, adjusting nut

2шт.

65

90-4495T1

NUT

- slotted, adjusting

2шт.

66

REF

INSTRUCTION

SHAFT ASSEMBLY - axle, see parts list Figure 6-162, Ref. 1 and 24 for correct shaft

2шт.

75

326-16160

BOLT,Hex, 1" - 8 x 10", Gr 8

- hex, 1 NC x 10 inch, grade 8

8шт.

76

19-5739

WASHER

- flat, special, if equipped

16шт.

77

232-41116

LOCK NUT,1"-8, GC

NUT, LOCK, 1"-8, GC

8шт.

Выбрано товаров: 0