Запчасти Case IH 9350 (6-170) - FRONT STEERABLE AXLE, DIFFERENTIAL ASSEMBLY, WITHOUT LIMITED SLIP, (CONT) (06) - POWER TRAIN

Схема запчастей Case IH 9350 - (6-170) - FRONT STEERABLE AXLE, DIFFERENTIAL ASSEMBLY, WITHOUT LIMITED SLIP, (CONT) (06) - POWER TRAIN
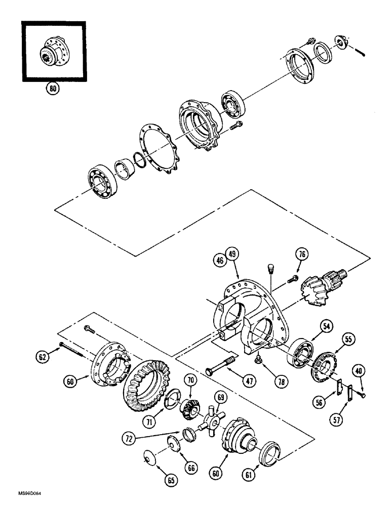
46
56
61
60
49
65
72
40
69
62
54
47
71
57
76
60
66
70
80
55
78
FIT
1:1
100%

Артикул

Название

Примечание

Количество

90-8061T91

AXLE

ASSEMBLY - front, without limited slip differential, 695.75, parts list Figures 6-156 - 6-170, continued, Includes: Ref. 40 - 78 and 1 - 32 on Fig. 6-168

1шт.

90-7851T91

DIFFERENTIAL

ASSEMBLY - front, without limited slip, use with 695.75 axle, continued, Includes: Ref. 40 - 78 and 1 - 32 on Fig. 6-168

1шт.

40

16-1626

BOLT,Hex, M8 x 1.25 x 15mm, Gr 10.9

BOLT - hex, 8 x 15 mm, grade 10.9

4шт.

46

90-7231T1

HOUSING

CARRIER ASSEMBLY - differential, Includes: Ref. 47 and 49

1шт.

47

16-1528

BOLT,Hex, M24 x 2 x 117mm, Cl 10.9

BOLT - hex, special

2шт.

49

NSS

NOT SOLD SEPARAT

CARRIER - differential

1шт.

54

16-1523

BEARING ASSY,85mm ID x 130mm OD x 29mm W

BEARING - tapered roller

2шт.

55

90-7230T1

SLOTTED NUT

NUT - bearing retainer

2шт.

56

16-1527

LARGE PLATE

PLATE - locking tab, bearing nut, tab 7.5 degrees from horizontal

1шт.

56

16-1526

LARGE PLATE

PLATE - locking tab, bearing nut, tab horizontal

1шт.

56

16-1525

LARGE PLATE

PLATE - locking tab, bearing nut, tab 15 degrees from horizontal

1шт.

57

16-1524

LARGE PLATE

PLATE - locking

2шт.

90-8034T91

DIFFERENTIAL

ASSEMBLY - axle, front, Includes: Ref. 60 - 72

1шт.

90-7866T91

HOUSING ASSY.

HOUSING ASSEMBLY - differential, includes both halves, front axle, Includes: Ref. 60 - 62

1шт.

Housing assembly 90-7866T91 also includes (1) 90-7228T1 oil baffle for the rear axle, not shown.

1шт.

60

NSS

NOT SOLD SEPARAT

HOUSING - differential, includes both halves

1шт.

61

90-7229T1

BAFFLE

- oil, front axle

1шт.

Housing assembly 90-7866T91 also includes (1) 90-7228T1 oil baffle for the rear axle, not shown.

1шт.

62

16-1543

SCREW,Hex, M12 x 1.5 x 90mm, Gr 10.9

BOLT - hex, 12 mm - 1.5 x 90 mm, grade 10.9

12шт.

65

90-7857T1

WASHER

- thrust, pinion gear

4шт.

66

90-7856T1

PINION

GEAR - pinion

4шт.

69

90-7855T1

TOGGLE

SPIDER - gear

1шт.

70

16-1559

PINION

GEAR - pinion, axle drive

2шт.

71

90-7162T1

WASHER

- pinion gear, 4.6 mm thick

2шт.

72

90-7870T1

BEARING, NEEDLE

NEEDLE - bearing, 29 per gear

116шт.

76

16-1519T1

FLANGE BOLT

BOLT - hex flange, special

18шт.

78

90-7145T1

PLUG

- includes sealant

1шт.

80

90-6784T1

HUB

YOKE - flanged, 8C, use with front axle

1шт.

Выбрано товаров: 0