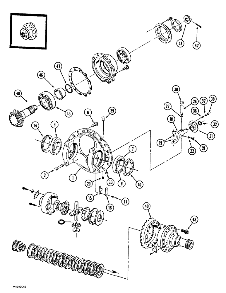
Запчасти Case IH 9350 (6-172) - FRONT STEERABLE AXLE, DIFFERENTIAL ASSEMBLY, WITH LIMITED SLIP (06) - POWER TRAIN

Схема запчастей Case IH 9350 - (6-172) - FRONT STEERABLE AXLE, DIFFERENTIAL ASSEMBLY, WITH LIMITED SLIP (06) - POWER TRAIN
32
21
19
37
6
40
47
1
30
27
31
36
7
40
20
15
41
22
39
42
16
30
9
26
14
2
8
10
18
43
46
17
45
38
FIT
1:1
100%

Артикул

Название

Примечание

Количество

90-8060T91

AXLE

ASSEMBLY - front, with limited slip differential, 695.72, parts list Figures 6-156 - 6-166, 6-172 and 6-174, continued, Includes: Ref. 1 - 47 and 47 - 98 on Fig.6-174

1шт.

90-7848T91

DIFFERENTIAL

ASSEMBLY - front, with limited slip, use with 695.72 axle, Includes: Ref. 1 - 47 and 47 - 98 on Fig. 6-174

1шт.

1

90-7137T91

HOUSING

CARRIER ASSEMBLY - differential, Includes: Ref. 2

1шт.

2

90-7138T1

FLANGE BOLT

BOLT - hex flange, special

2шт.

6

16-1519T1

FLANGE BOLT

BOLT - hex flange, special

18шт.

7

L33731

BEARING CUP,154.9 mm OD x 27.9 mm

CUP - tapered roller bearing

1шт.

8

L33736

ROLLER BEARING

BEARING - tapered roller

1шт.

9

A48105

TAPERED BEARING,100mm ID x 150mm OD x 32mm W

BEARING - tapered roller

1шт.

10

90-7142T1

NUT

- bearing retainer

1шт.

14

90-7230T1

SLOTTED NUT

NUT - bearing retainer

1шт.

15

16-1527

LARGE PLATE

PLATE - locking tab, bearing nut, tab 75 degrees from horizontal

1шт.

15

16-1526

LARGE PLATE

PLATE - locking tab, bearing nut, tab horizontal

1шт.

15

16-1525

LARGE PLATE

PLATE - locking tab, bearing nut, tab 15 degrees from horizontal

1шт.

16

16-1524

LARGE PLATE

PLATE - locking

2шт.

17

16-1626

BOLT,Hex, M8 x 1.25 x 15mm, Gr 10.9

BOLT - hex, 8 x 15 mm, grade 10.9

4шт.

18

90-7143T1

SHIFTER FORK

FORK - shift, traction control

1шт.

19

33-1290T1

PIN

- thrust

2шт.

20

90-7145T1

PLUG

- includes sealant

1шт.

21

90-7146T1

SCREW,M12 x 40mm, Cl 10.9

STUD - stop, 12 x 40 mm

1шт.

22

90-7147T1

NUT

- hex, lock, 12 x 40 mm, grade 10.9

1шт.

90-7148T91

SHAFT

ASSEMBLY - shift fork, Includes: Ref. 26 and 27

1шт.

26

NSS

NOT SOLD SEPARAT

SHAFT - shift fork

1шт.

27

90-7149T1

O-RING

- seal, 15.6 x 1.7 mm

1шт.

30

90-7150T1

PLUG

- cup

2шт.

33-1291T1

SEAL

- shift fork, Includes: Ref. 31 and 32

1шт.

31

NSS

NOT SOLD SEPARAT

SEAL - shift fork

1шт.

32

NSS

NOT SOLD SEPARAT

SPRING - seal

1шт.

36

90-7151T1

STUD

- shift fork

2шт.

37

33-1294T1

WASHER

- flat, special

2шт.

38

90-7152T1

NUT

- hex, lock, special

2шт.

39

1-6693

BREATHER

- differential

1шт.

40

90-4502T91

GEAR, BEVEL

GEAR SET - ring and pinion, front axle, Includes: Ref. 41 - 43

1шт.

41

16-1589

NUT

NUT - hex slotted, special

1шт.

42

432-1640

COTTER PIN,1/4" x 2 1/2"

Pin, Split (Cotter), 1/4" x 2 1/2"

1шт.

43

90-7858T1

FLANGE BOLT

BOLT - hex, flange, special

12шт.

45

16-1565

TAPERED BEARING

BEARING - tapered roller

1шт.

46

90-4503T1

SPACER

SLEEVE - bearing spacer

1шт.

47

90-4504T1

SPACER

- bearing, 4.00 mm thick

1шт.

47

90-4505T1

SPACER

- bearing, 4.04 mm thick

1шт.

47

90-4506T1

SPACER

- bearing, 4.08 mm thick

1шт.

47

90-4507T1

SPACER

- bearing, 4.12 mm thick

1шт.

47

90-4508T1

SPACER

- bearing, 4.16 mm thick

1шт.

47

90-4509T1

SPACER

- bearing, 4.20 mm thick

1шт.

47

90-4510T1

SPACER

- bearing, 4.40 mm thick

1шт.

47

90-4511T1

SPACER

- bearing, 4.60 mm thick, continued

1шт.

Выбрано товаров: 0