Запчасти Case IH 9350 (6-176) - RIGID AXLE ASSEMBLY, HOUSING AND WHEEL HUB (06) - POWER TRAIN

Схема запчастей Case IH 9350 - (6-176) - RIGID AXLE ASSEMBLY, HOUSING AND WHEEL HUB (06) - POWER TRAIN
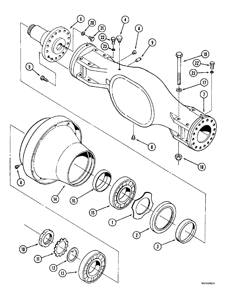
1
11
14
8
13
22
6
9
3
7
22
4
18
12
23
8
23
5
19
2
20
8
21
16
17
10
15
FIT
1:1
100%

Артикул

Название

Примечание

Количество

90-7803T91

AXLE

ASSEMBLY - front, without limited slip differential, 694.72, parts list Figures 6-176 - 6-182, Includes: Ref. 1 - 16

1шт.

90-7802T91

AXLE

ASSEMBLY - rear, without limited slip differential, 694.62, parts list Figures 6-176 - 6-182, Includes: Ref. 1 - 16

1шт.

90-7804T91

AXLE

ASSEMBLY - front, with limited slip differential, 694.70, parts list Figures 6-176, 6-178, and 6-184 and 6-186, Includes: Ref. 1 - 16

1шт.

90-7805T91

AXLE

ASSEMBLY - rear, with limited slip differential, 694.60, parts list Figures 6-176, 6-178, and 6-184 and 6-186, Includes: Ref. 1 -16

1шт.

1

90-8099T1

SPACER, RING

PLATE - seal stripper

2шт.

2

90-5988T1

SEALING RING

- hub, includes wear sleeve

2шт.

3

90-8088T1

WEAR RING

RING - seal wear

2шт.

4

1-6693

BREATHER

- valve

1шт.

5

90-8089T1

BOLT

BOLT - hex, special

32шт.

6

90-8090T1

AXLE

SPINDLE - axle, use with 90-7803T91 and 90-7804T91 front axles

2шт.

6

90-8390T1

SPINDLE

- axle, use with 90-7802T91 and 90-7805T91 rear axles

2шт.

7

90-8091T1

AXLE

HOUSING - axle

1шт.

8

90-4484T1

PLUG

- magnetic, 24 mm - 1.5

4шт.

9

90-8092T1

DOWEL

PIN - dowel, 10 x 24 mm

2шт.

10

90-8093T1

NUT

- slotted, adjusting

2шт.

11

90-8094T1

LOCK WASHER

WASHER - lock, adjusting nut

2шт.

12

90-8095T1

SPACER, RING

RING - spacer

2шт.

13

90-8096T1

TAPERED BEARING,180mm ID x 250mm OD x 47mm W

BEARING - tapered roller

2шт.

14

90-8097T1

HUB

- wheel

2шт.

15

90-8098T1

TAPERED BEARING

BEARING - tapered roller

2шт.

16

NSS

NOT SOLD SEPARAT

SLEEVE - spacer

2шт.

17

19-5739

WASHER

- flat, special

8шт.

18

429-1016

NUT,1"-8, G8

- hex, 1 inch NC, grade 8

16шт.

19

90-7493T1

SCREW,#0 - 8 x 10"

BOLT - hex, 1 NC x 10 inch

16шт.

20

90-8392T1

OIL SEAL

- oil

1шт.

21

90-8391T1

PLUG

- hex

1шт.

22

76349

PLUG,9/16" - 18 ORB

Incl. Ref. 23 Hex Hd, 9/16"-18 ORB

2шт.

23

237-6006

O-RING,0.078" Thk x 0.468" ID, -906, Cl 6, 90 Duro

6-1, 90 Duro, .468" ID x .078" Thk

1шт.

Выбрано товаров: 0