Запчасти Case IH 9350 (6-192) - BAR AXLE ASSEMBLY, AXLE SHAFT AND HOUSING (06) - POWER TRAIN

Схема запчастей Case IH 9350 - (6-192) - BAR AXLE ASSEMBLY, AXLE SHAFT AND HOUSING (06) - POWER TRAIN
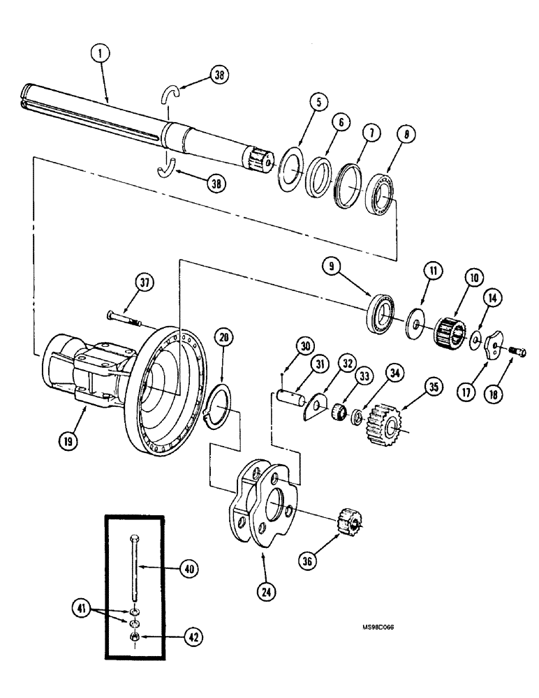
32
30
40
38
24
31
38
10
1
14
33
36
37
7
8
6
35
42
19
18
9
5
17
41
34
20
11
FIT
1:1
100%

Артикул

Название

Примечание

Количество

90-7806T91

AXLE, FRONT

AXLE ASSEMBLY - front, without differential lock, 692.52, parts list Figures 6-190 - 6-198, continued, Includes: Ref. 1 - 38

1шт.

90-7807T91

AXLE, REAR

AXLE ASSEMBLY - rear, without differential lock, 692.42, parts list Figures 6-190 - 6-198, continued, Includes: Ref. 1 - 38

1шт.

90-7808T91

AXLE, FRONT

AXLE ASSEMBLY - front, with differential lock, 692.50, parts list Figures 6-190 - 6-198, continued, Includes: Ref. 1 - 38

1шт.

90-7809T91

AXLE, REAR

AXLE ASSEMBLY - rear, with differential lock, 692.40, parts list Figures 6-190 - 6-198, continued, Includes: Ref. 1 - 38

1шт.

1

90-8027T1

HALF SHAFT

SHAFT - axle

2шт.

5

90-8030T1

LARGE PLATE

PLATE - end cover

2шт.

6

90-8029T1

RING

- shoulder

2шт.

7

33-1246T1

OIL SEAL

- axle shaft

2шт.

8

33-1247T1

TAPERED BEARING,105mm ID x 160mm OD x 43mm W

BEARING - tapered roller

2шт.

9

33-1248T1

TAPERED BEARING,90mm ID x 160mm OD x 32.5mm W

BEARING - tapered roller

2шт.

10

90-8184T1

SLEEVE

- splined

2шт.

33-1249T1 (70 mm)

1шт.

11

90-8192T1

WASHER

- pinion drive gear

2шт.

14

33-1250T1

SHIM

- bearing, 0.1 mm thick

1шт.

14

33-1251T1

SHIM

- bearing, 0.15 mm thick

1шт.

14

33-1252T1

SHIM

- bearing, 0.25 mm thick

1шт.

14

33-1253T1

SHIM

- bearing, 0.7 mm thick

1шт.

17

90-8189T1

WASHER

WASHER - retainer, axle

2шт.

18

90-4480T1

SCREW,Hex, M22 x 1.5 x 65mm, Gr 10.9

BOLT - hex, special

2шт.

19

90-8190T1

HOUSING

- axle

2шт.

20

90-2562T1

RING, SNAP

RING - snap

2шт.

24

90-8191T1

HOUSING

CARRIER - planetary

2шт.

30

16-1607

BALL

- steel

6шт.

31

90-8193T1

PIN

SHAFT - pinion gear

6шт.

32

90-8194T1

LARGE PLATE

PLATE - thrust

12шт.

33

90-8195T1

NEEDLE BEARING

- needle

12шт.

34

90-8196T1

SPACER

- bearing

6шт.

35

90-8197T1

PINION

GEAR - pinion

6шт.

36

90-8181T1

PINION

GEAR - sun

2шт.

37

90-8149T1

BOLT

BOLT - hex, special

24шт.

37

90-8183T1

BOLT

BOLT - hex, special

24шт.

38

90-8031T1

RING, SNAP

RING - snap

2шт.

40

326-16160

BOLT,Hex, 1" - 8 x 10", Gr 8

- hex, 1 NC x 10 inch, grade 8

16шт.

41

19-5739

WASHER

- flat, special

32шт.

42

232-41116

LOCK NUT,1"-8, GC

NUT, LOCK, 1"-8, GC

16шт.

Выбрано товаров: 0