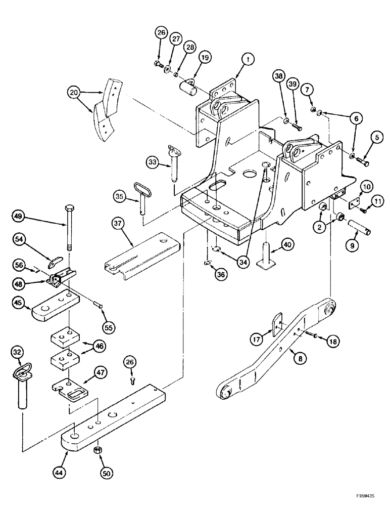
Запчасти Case IH 9350 (9-006) - HITCH LOWER LINK, MOUNTS AND DRAWBAR, PRIOR TO P.I.N. JEE0071001 (09) - CHASSIS/ATTACHMENTS

Схема запчастей Case IH 9350 - (9-006) - HITCH LOWER LINK, MOUNTS AND DRAWBAR, PRIOR TO P.I.N. JEE0071001 (09) - CHASSIS/ATTACHMENTS
7
19
48
27
26
37
45
44
18
54
55
39
26
40
35
5
46
34
47
11
20
50
28
56
1
2
49
38
6
9
17
33
8
32
10
36
FIT
1:1
100%

Артикул

Название

Примечание

Количество

1

70-6341T92

FRAME

MOUNT ASSEMBLY - lower link, Includes: Ref. 2

1шт.

2

90-6971T2

SPACER

BEARING - inner race

4шт.

5

426-1440

BOLT,Hex, 7/8" - 9 x 2-1/2", Gr 8

- hex, 7/8 NC x 2-1/2 inch, grade 8

10шт.

6

496-11094

WASHER,0.94" ID x 1.75" OD x 0.13" Thk

- flat, 15/16 x 1-3/4 x 1/8 inch, hardened

20шт.

7

425-1014

NUT,7/8"-9, G5

NUT, 7/8"-9, G5

10шт.

8

70-6466T1

ARM

- lower link, draft

2шт.

9

70-5501T1

PIN

- draft arm

2шт.

10

70-3082T2

LARGE PLATE

BLOCK - pin retaining

2шт.

11

426-816

BOLT,Hex, 1/2" - 13 x 1", Gr 8

- hex, 1/2 NC x 1 inch, grade 8

4шт.

17

70-6513T1

LARGE PLATE

PLATE - wear

2шт.

18

426-836

BOLT,Hex, 1/2" - 13 x 2-1/4", Gr 8

- hex, 1/2 NC x 2-1/4 inch, grade 8

4шт.

19

70-5973T2

PIN

- upper

2шт.

20

70-5721T1

LARGE PLATE

PLATE - wear, left-hand

2шт.

20

70-5720T1

LARGE PLATE

PLATE - wear, right-hand, not shown

2шт.

26

426-1020

BOLT,Hex, 5/8" - 11 x 1-1/4", Gr 8

- hex, 5/8 NC x 1-1/4 inch, grade 8

3шт.

27

495-11066

WASHER,5/8", SAE

- flat, 21/32 x 1-5/16 x 3/32 inch

2шт.

28

70-5967T1

SPACER,16.7mm ID x 22.2mm OD x 11.2mm

- pin

2шт.

32

70-1735T1

PIN

- drawbar pull

1шт.

33

70-1731T1

PIN

- drawbar retaining

1шт.

34

19-1041

LOCK PIN,7/16" x 2"

PIN - klik, locking

2шт.

35

70-5667T2

PIN

- drawbar

2шт.

36

517758R91

SPLIT PIN/SAFETY PIN

PIN - klik, locking

2шт.

37

70-6355T1

CONDUIT

CHANNEL - drawbar

1шт.

38

496-21066

WASHER,16.6mm ID x 33.5mm OD x 3.8mm Thk

- flat, 21/32 x 1-5/16 x 5/32 inch, hardened

8шт.

39

426-1032

BOLT,Hex, 5/8" - 11 x 2", Gr 8

- hex, 5/8 NC x 2 inch, grade 8

8шт.

40

70-5797T1

PIN

- retainer, drawbar channel

1шт.

44

70-6913T1

DRAWBAR

- extendable

1шт.

70-6913T1 is a heat treated drawbar. See NTR SB 017 98 for more information.

1шт.

45

70-6265T1

LARGE PLATE

PLATE - hammerstrap

1шт.

46

70-6264T2

LARGE PLATE

BLOCK - spacer, 1-1/2 inch thick

2шт.

47

70-6263T2

LARGE PLATE

PLATE - spacer block

1шт.

48

70-6249T1

LATCH

- mount, machined

1шт.

49

90-7494T1

SCREW,#0 - 8 x 9 1/4""

BOLT - hex, special, 1 NC x 9-1/4 inch

2шт.

50

425-1016

NUT,1"-8, G5

- hex, 1 inch NC

2шт.

54

1965315C2

LEVER

- hammerstrap

1шт.

55

527-204

CLEVIS PIN,M12 x 43

PIN - clevis, 10 x 43 mm

1шт.

56

432-816

COTTER PIN,1/8" x 1"

1/8" x 1"

1шт.

Выбрано товаров: 37