Запчасти Case IH 9350 (9-026) - FRAME CONNECTING LINK AND KING PINS (09) - CHASSIS/ATTACHMENTS

Схема запчастей Case IH 9350 - (9-026) - FRAME CONNECTING LINK AND KING PINS (09) - CHASSIS/ATTACHMENTS
4
11
16
16
5
20
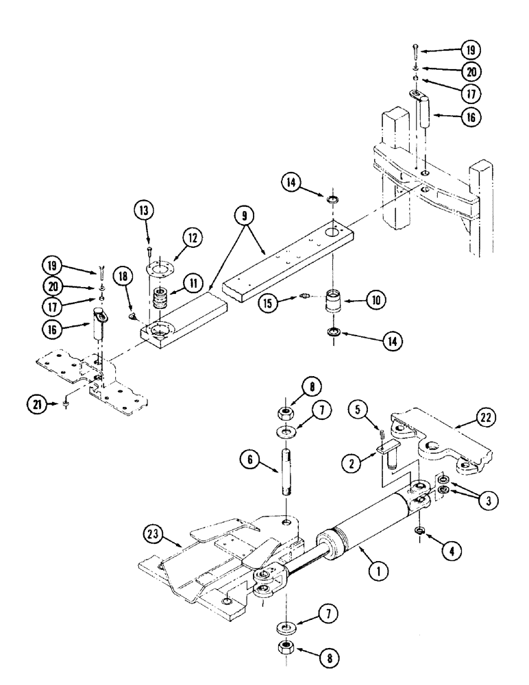
1
12
6
9
15
7
17
19
8
14
20
18
10
14
22
3
19
7
23
13
17
8
2
21
FIT
1:1
100%

Артикул

Название

Примечание

Количество

1

50-2292T94

CYLINDER ASSY.

CYLINDER ASSEMBLY - steering

2шт.

2

50-1086T1

PIN

- retainer, steering cylinder

4шт.

3

2-3223T1

SPACER

- cylinder mounting

8шт.

4

100-16150

SNAP RING,#150, Ext

Ring, Snap, , Cylinder pin #150, Ext

4шт.

5

19-5785

LOCK PIN,1/2" x 7/8", Slotted

Pin, 1/2" x 7/8", Slotted

4шт.

6

70-4662T2

PIN,44.3mm OD x 251mm L

- king, lower frame, 9.88" long

1шт.

6

70-4662T3

LARGE PIN,44.37mm OD x 263.65mm L

- king, lower frame, 10.38" long

1шт.

6

70-4189T1

PIN,44.37mm OD x 339.85mm L

- king, lower frame, 13.38" long

1шт.

70-5590T3 IS THE PART THAT REF # 6 GOES THRU. IT IS A WELDMENT AND ALSO PART OF FRAME PART NUMBER 70-6622T1

1шт.

7

1-4088

WASHER,45mm ID x 69.9mm OD x 6.35mm Thk

- flat, 1-3/4 x 2-3/4 x 1/4 inch

2шт.

8

70-6221T1

JAM NUT

- special locking

2шт.

9

70-6231T3

LINK

- frame connecting

1шт.

10

70-6217T1

BUSHING

- pivot, link

1шт.

11

70-5468T1

SPHERICAL BEARING,1.751" ID x 3.5625" OD x 4"

BEARING - hinge lower

1шт.

12

2-10T1

RETAINER

RING - bearing retaining

1шт.

If looking for a snap ring type retainer, see parts book for 9300 series machines. The p/n is 101-21354.

1шт.

13

426-612

BOLT,Hex, 3/8" - 16 x 3/4", Gr 8

- hex, 3/8 NC x 3/4 inch, grade 8

6шт.

14

D95143

WIPER SEAL,44.42mm ID x 57.17mm OD x 7.92mm Thk

WIPER - piston rod, sealing

2шт.

15

219-1

LUBE NIPPLE,1/8" - 27 NPTF

FITTING - grease, straight, 1/8 PT x 21/32 inch

1шт.

16

70-6232T2

PIN,44.32mm OD x 162.31mm L

- link retaining

2шт.

17

70-5967T1

SPACER,16.7mm ID x 22.2mm OD x 11.2mm

- pin

2шт.

18

219-55

LUBE NIPPLE,90 Degree Elbow, 1/8" - 27 NPTF

NIPPLE, LUBE, 90º, 1/8" NPT x .84" lg

1шт.

19

426-1024

BOLT,Hex, 5/8" - 11 x 1-1/2", Gr 8

- hex, 5/8 NC x 1-1/2 inch, grade 8

2шт.

20

495-11066

WASHER,5/8", SAE

- flat, 21/32 x 1-5/16 x 3/32 inch

2шт.

21

425-1010

NUT,5/8"-11, G5

1шт.

22

70-4651T3

PLATE ASSY.

PLATE ASSEMBLY, See Figure 9-016

1шт.

23

REF

INSTRUCTION

REAR FRAME, See Figure 9-028

1шт.

Выбрано товаров: 27