Запчасти Case IH 9350 (4-10) - OVERHEAD CAB HARNESS (04) - ELECTRICAL SYSTEMS

Схема запчастей Case IH 9350 - (4-10) - OVERHEAD CAB HARNESS (04) - ELECTRICAL SYSTEMS
7
1
32
7
42
19
29
6
35
5
6
17
37
27
38
4
43
7
22
7
34
9
20
31
6
3
40
26
12
20
23
6
24
2
13
10
7
41
4
21
30
36
21
10
37
9
22
18
25
28
8
33
39
FIT
1:1
100%

Артикул

Название

Примечание

Количество

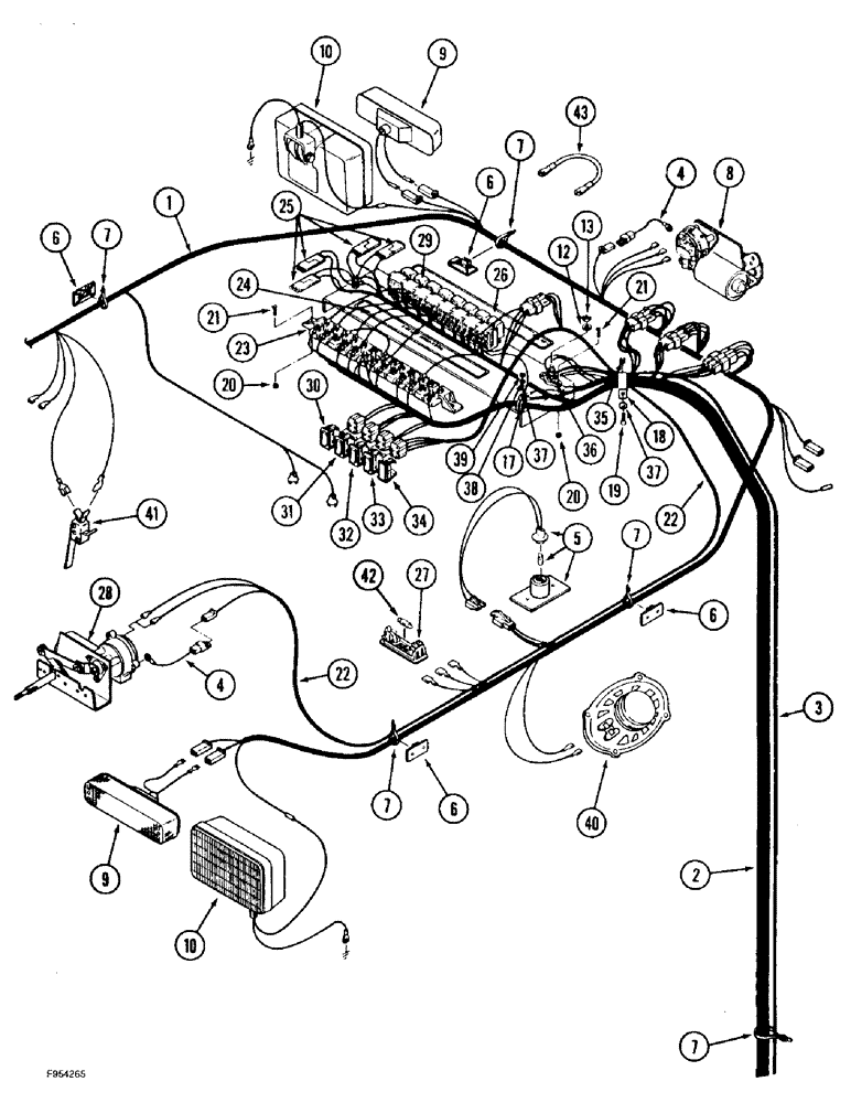
1

60-6516T1

HARNESS

- overhead, cab

1шт.

2

REF

INSTRUCTION

HARNESS - cab main, see Figures 4-2 and 4-4 for correct harness

1шт.

2

REF

INSTRUCTION

HARNESS - ROPS main, see Figures 4-6 and 4-8 for correct harness

1шт.

3

60-6807T1

HARNESS

- overhead power, cab

1шт.

4

60-7091T1

CABLE

- ground, wiper

1шт.

5

83882C91

LAMP

ASSEMBLY - console illumination, parts list Figure 9-78

1шт.

6

22-823

MOUNT

MOUNT - adhesive back, strap

6шт.

7

22-824

CABLE TIE,3/16" x 7 1/4"

STRAP - tie, 7 inch

1шт.

8

60-6577T91

DRIVE

ASSEMBLY - wiper, no longer available, order component parts separately, parts list Figure 4-64

1шт.

9

22-665T1

LIGHT ASSY.

LAMP ASSEMBLY - warning, parts list Figure 4-46

1шт.

10

ZAA7189850

HEADLIGHT

LAMP ASSEMBLY - flood, parts list Figures 4-46 and 4-52, replaces 20-1730T92 lamp assembly

1шт.

12

19-5577

LOCK WASHER

- lock, 3/8 inch

1шт.

13

115772

NUT

- hex, special, 3/8 inch NC

1шт.

17

515-23190

CLAMP,3/4", Insul, 3/8" Bolt

P-type 3/4", Insul, 3/8" Bolt

1шт.

18

515-23317

CLAMP,31.75mm ID, 10.3mm Bolt Hole, P Type

P-type 1 1/4", Insul, 3/8" Bolt

1шт.

19

413-416

BOLT,Hex, 1/4" - 20 x 1", Gr 5

- hex, 1/4 NC x 1 inch

1шт.

20

193-1000

NUT,Keps, w/LW,#10-32

- hex, with external tooth lock washer, No. 10 NF

4шт.

21

459-5108

SCREW,Slotted Pan Hd, #10-32 x 1/2", G5

- machine, pan head slotted, No. 10 NF x 1/2 inch

4шт.

22

60-6523T1

HARNESS

- rear wiper

1шт.

23

60-6754T91

CIRCUIT BREAKER

BREAKER ASSEMBLY - circuit, no longer available, order component parts separately, parts list Figure 4-14

1шт.

24

60-6297T1

DECAL

- circuit breaker

1шт.

25

22-738

DIODE

- electrical

4шт.

26

60-7064T1

DECAL

- overhead relay

1шт.

27

1983391C1

LAMP,12V, 10W

- dome

1шт.

28

60-6578T91

SMALL ELECTRIC MOTOR

DRIVE ASSEMBLY - wiper motor, rear, no longer available, order component parts separately, parts list Figure 4-66

1шт.

29

1983394C2

RELAY

- mini, 12 volt

7шт.

30

1964752C1

SWITCH

- rocker, master lamp

1шт.

31

245012C1

SWITCH

- rocker, dash lamp

1шт.

32

1964751C1

SWITCH

- rocker, ether start

1шт.

33

1987431C1

SWITCH

- rocker, rear wiper

1шт.

34

245334C1

PLUG

- panel switch cover, replaces 60-3210T1 plug

1шт.

35

232-4114

LOCK NUT,1/4"-20, GC

NUT, LOCK, 1/4"-20, GC

1шт.

36

20-1451T1

BLOCK

- junction

1шт.

37

495-21031

WASHER,1/4"

- flat, 5/16 x 3/4 x 1/16 inch

3шт.

38

492-11025

LOCK WASHER,1/4"

WASHER, LOCK, 1/4"

2шт.

39

231-1444

NUT,1/4"-20, GB

NUT, LOCK, 1/4"-20, GB

3шт.

40

60-5748T1

SPEAKER

- radio

2шт.

41

60-6515T1

SWITCH

- micro, door

1шт.

42

1094378R1

BULB,J, 12V, 2W

- Dome Lamp

1шт.

43

60-6804T2

CABLE

- ground, ROPS, overhead door, if used

1шт.

Выбрано товаров: 0