Запчасти Case IH 9350 (4-60) - REAR WINDOW WIPER (04) - ELECTRICAL SYSTEMS

Схема запчастей Case IH 9350 - (4-60) - REAR WINDOW WIPER (04) - ELECTRICAL SYSTEMS
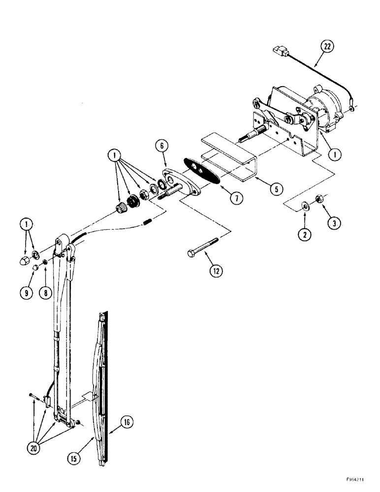
5
8
22
16
9
12
1
20
1
6
15
2
1
7
3
FIT
1:1
100%

Артикул

Название

Примечание

Количество

35-1926T91

KIT - wiper, side and rear window with washer, order from Machinery Price List, Includes: Ref. 1 - 22

1шт.

Wiper kit also includes the parts shown on Figures 4-58 and 4-62.

1шт.

1

60-6578T91

SMALL ELECTRIC MOTOR

DRIVE ASSEMBLY - wiper motor, no longer available, order component parts separately, parts list Figure 4-66

1шт.

2

495-11028

WASHER,1/4", SAE

(flat, 9/32 x 5/8 x 1/16") 1/4", SAE

2шт.

3

111626C1

NUT

- hex, self-locking, special, 1/4 inch NC

2шт.

5

60-6529T2

SPACER

- shaft, pivot

1шт.

60-1436T91

PIVOT ASSY.

KIT - pivot, wiper blade, Includes: Ref. 6 - 9

1шт.

6

NSS

NOT SOLD SEPARAT

PIVOT - body and shaft

1шт.

7

NSS

NOT SOLD SEPARAT

GASKET - pivot

1шт.

8

2-4191T1

WASHER

- flat

1шт.

9

2-4192T1

NUT

- hex cap

1шт.

12

414-424

BOLT,Hex, 1/4" - 28 x 1-1/2", Gr 5

2шт.

60-1145T91

WIPER BLADE

BLADE ASSEMBLY - wiper, Includes: Ref. 15 and 16

1шт.

15

NSS

NOT SOLD SEPARAT

FRAME - wiper blade

1шт.

16

2-4194T1

WIPER BLADE

BLADE - wiper, rubber, 18 inch

1шт.

20

60-1144T1

WIPER ARM

ARM - wiper, 17 inch

1шт.

22

60-7091T1

CABLE

- ground, motor

1шт.

Выбрано товаров: 0