Запчасти Case IH 9350 (4-78) - GROUND SPEED SENSOR (04) - ELECTRICAL SYSTEMS

Схема запчастей Case IH 9350 - (4-78) - GROUND SPEED SENSOR (04) - ELECTRICAL SYSTEMS
15
8
5
14
6
9
10
3
2
16
1
7
7
9
4
FIT
1:1
100%

Артикул

Название

Примечание

Количество

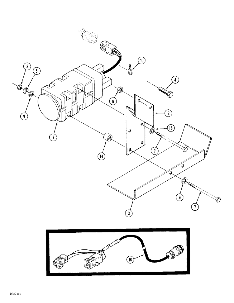
1

228760A1

RADAR

SENSOR - speed, ground, replaces 1983294C1 sensor

1шт.

2

60-6130T1

BRACKET

- mounting, sensor

1шт.

3

60-6131T1

GUARD ASSY.

GUARD - sensor

1шт.

4

413-828

BOLT,Hex, 1/2" - 13 x 1-3/4", Gr 5

2шт.

5

492-11025

LOCK WASHER,1/4"

WASHER, LOCK, 1/4"

4шт.

6

231-4118

LOCK NUT,1/2"-13, GB

NUT - hex, self-locking, 1/2 inch NC

2шт.

7

426-472

BOLT,Hex, 1/4" - 20 x 4-1/2", Gr 8

- hex, 1/4 NC x 4-1/2 inch, grade 8

4шт.

8

425-104

NUT,1/4"-20, Cl 5

- hex, 1/4 inch NC

4шт.

9

495-11028

WASHER,1/4", SAE

(flat, 9/32 x 5/8 x 1/16") 1/4", SAE

8шт.

10

22-824

CABLE TIE,3/16" x 7 1/4"

STRAP - tie, 7 inch

1шт.

14

50-2955T1

SPACER

- standoff, mounting

4шт.

15

493-21026

LOCK WASHER,Int Tooth, 1/4"

WASHER - internal tooth lock, 1/4 inch

1шт.

16

60-6552T1

CABLE

HARNESS - implement monitor, ground speed, if used

1шт.

Выбрано товаров: 13