Запчасти Case IH 9350 (5-28) - STEERING CONTROL VALVE, PRIOR TO P.I.N. JEE0071531 (05) - STEERING

Схема запчастей Case IH 9350 - (5-28) - STEERING CONTROL VALVE, PRIOR TO P.I.N. JEE0071531 (05) - STEERING
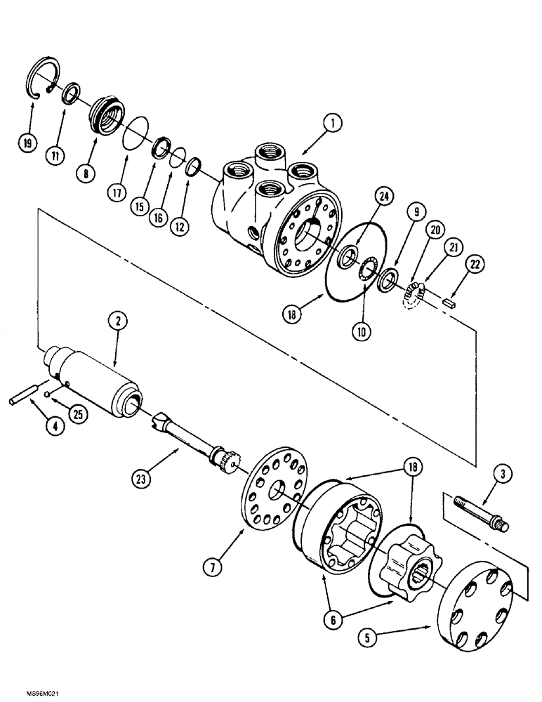
12
23
15
6
18
3
22
7
16
25
8
1
10
17
11
18
4
24
21
2
5
20
19
9
FIT
1:1
100%

Артикул

Название

Примечание

Количество

90-7730T92

VALVE

ASSEMBLY - control, Includes: Ref. 1 - 25

1шт.

1

NSS

NOT SOLD SEPARAT

HOUSING - control valve

1шт.

2

NSS

NOT SOLD SEPARAT

SLEEVE - control

1шт.

3

19-1716

12 PT SCREW,Flg, 1/2" - 20 x 3", Gr 8

BOLT - 12 point flange, 1/2 NF x 3 inch, grade 8

7шт.

4

S301999

PIN

- sleeve

1шт.

5

50-2710T1

CAP

- end, steering valve, replaces S302003 cap

1шт.

6

50-2990T91

ROTOR ASSY.

GEROTOR - set, matched, replaces S302002 gerotor

1шт.

7

50-2707T1

WEAR PLATE

PLATE - spacer, replaces S302001 plate

1шт.

8

50-3604T1

SEAL RETAINER

RETAINER - spool, front

1шт.

9

50-3606T1

RACE

- thrust, bearing, replaces D82804 race

2шт.

10

G13609

THRUST BEARING,25.4mm ID x 39.67mm OD x 1.98mm W

BEARING, THRUST - Needle

1шт.

50-3588T1

SEAL KIT

KIT - seal, control valve, Includes: Ref. 11 - 18

1шт.

11

18-137

OIL SEAL

- input, control valve

1шт.

12

N13313

SEAL,25.1mm ID x 26.7mm OD x 2.6mm Thk

- teflon

1шт.

15

50-2703T1

BACK-UP RING

RING - backup

1шт.

16

238-5121

O-RING,0.103" Thk x 1.049" ID, -121, Cl 5, 75 Duro

1шт.

17

50-2705T1

O-RING

- retainer, replaces S302005 O-ring

1шт.

18

50-2708T1

O-RING

- cover and plate, replaces S302007 O-ring

3шт.

19

D77388

SNAP RING,2.375", Int, #237

Ring, Snap, 2.375", Int, #237

1шт.

50-3587T1

PACKAGE,SERVICE

KIT - centering spring, Includes: Ref. 20 - 22

1шт.

20

NSS

NOT SOLD SEPARAT

SPRING - centering

1шт.

21

NSS

NOT SOLD SEPARAT

BALL - centering spring

2шт.

22

NSS

NOT SOLD SEPARAT

KEY - centering spring

1шт.

23

50-2706T1

SHAFT

- drive

1шт.

24

D82804

RACE

- thrust, bearing

1шт.

25

W11648

BALL

- valve

4шт.

Выбрано товаров: 0