Запчасти Case IH 9350 (6-002) - TRANSMISSION MOUNTING, POWER SHIFT TRACTOR (06) - POWER TRAIN

Схема запчастей Case IH 9350 - (6-002) - TRANSMISSION MOUNTING, POWER SHIFT TRACTOR (06) - POWER TRAIN
4
11
7
12
7
5
10
9
3
1
7
8
2
6
5
8
6
13
FIT
1:1
100%

Артикул

Название

Примечание

Количество

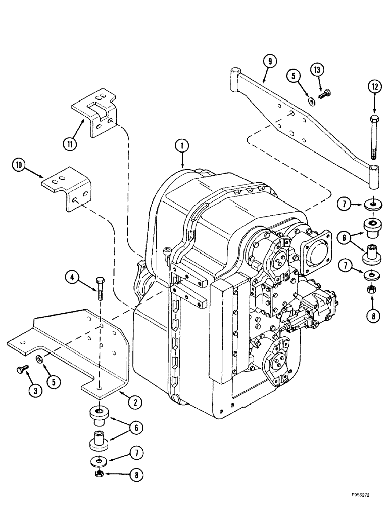
1

90-8453T91

TRANSMISSION

TRANSMISSION ASSEMBLY - powershift, tractor, parts list Figures 6-6 - 6-34, replaces 90-7015T91 transmission

1шт.

1

313686A1R

REMAN-TRANSMISSION

See Note: Extra Parts Needed When Replacing PN 90-8453T91 With This Reman

1шт.

1

313686A1C

CORE-TRANSMISSION

Return Part Number

1шт.

2

90-6255T1

SUPPORT

BRACKET - transmission, right-hand

1шт.

3

426-1024

BOLT,Hex, 5/8" - 11 x 1-1/2", Gr 8

BOLT - hex, 5/8 NC x 1-1/2 inch, grade 8

10шт.

4

426-1056

BOLT,Hex, 5/8" - 11 x 3-1/2", Gr 8

BOLT - hex, 5/8 NC x 3-1/2 inch, grade 8

4шт.

5

496-21066

WASHER,16.6mm ID x 33.5mm OD x 3.8mm Thk

WASHER - flat, 21/32 x 1-5/16 x 5/32 inch, hardened

12шт.

6

R49921

RUBBER MOUNTING

INSULATOR - rubber, isolator

12шт.

7

19-408

WASHER

WASHER - flat, 5/8 x 2-1/2 x 3/16 inch

10шт.

8

232-41110

NUT,5/8"-11, GC

NUT, LOCK, 5/8"-11, GC

6шт.

9

90-7563T1

SUPPORT

BRACKET - transmission mounting, left-hand

1шт.

10

90-7567T1

SUPPORT

BRACKET - mounting, 6-1/2 inch width

1шт.

11

90-7562T2

SUPPORT

BRACKET - mounting, 7-1/8 inch width

1шт.

12

426-10112

BOLT,Hex, 5/8" - 11 x 7", Gr 8

BOLT - hex, 5/8 NC x 7 inch, grade 8

2шт.

13

426-1028

BOLT,Hex, 5/8" - 11 x 1-3/4", Gr 8

BOLT, Hex, 5/8"-11 x 1 3/4", G8, Full Thd

6шт.

Выбрано товаров: 15