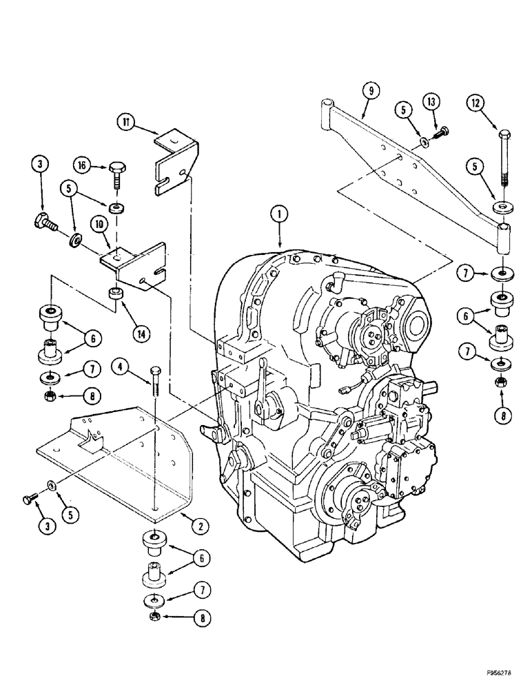
Запчасти Case IH 9350 (6-004) - TRANSMISSION MOUNTING, 12 SPEED AND 24 SPEED SYNCHROSHIFT TRACTORS (06) - POWER TRAIN

Схема запчастей Case IH 9350 - (6-004) - TRANSMISSION MOUNTING, 12 SPEED AND 24 SPEED SYNCHROSHIFT TRACTORS (06) - POWER TRAIN
6
8
8
5
9
7
3
11
7
6
13
10
5
2
8
7
16
5
14
5
4
6
12
1
7
3
FIT
1:1
100%

Артикул

Название

Примечание

Количество

1

REF

INSTRUCTION

TRANSMISSION ASSEMBLY - SynchroShift tractor, 12 speed, parts list Figures 6-36 - 6-66

1шт.

1

REF

INSTRUCTION

TRANSMISSION ASSEMBLY - SynchroShift tractor, 24 speed, parts list Figures 6-68 - 6-102

1шт.

2

90-7772T1

SUPPORT

BRACKET - transmission, right-hand

1шт.

3

426-1024

BOLT,Hex, 5/8" - 11 x 1-1/2", Gr 8

- hex, 5/8 NC x 1-1/2 inch, grade 8

10шт.

4

426-1056

BOLT,Hex, 5/8" - 11 x 3-1/2", Gr 8

- hex, 5/8 NC x 3-1/2 inch, grade 8

2шт.

5

496-21066

WASHER,16.6mm ID x 33.5mm OD x 3.8mm Thk

- flat, 21/32 x 1-5/16 x 5/32 inch, hardened

10шт.

6

R49921

RUBBER MOUNTING

INSULATOR - rubber, isolator

12шт.

7

19-408

WASHER

- flat, 5/8 x 2-1/2 x 3/16 inch

8шт.

8

232-41110

NUT,5/8"-11, GC

NUT, LOCK, 5/8"-11, GC

6шт.

9

90-7563T1

SUPPORT

BRACKET - transmission mounting, left-hand

1шт.

10

90-7767T1

SUPPORT

BRACKET - mounting, right-hand, rear

1шт.

11

90-7766T1

SUPPORT

BRACKET - mounting, left-hand, rear

1шт.

12

426-10112

BOLT,Hex, 5/8" - 11 x 7", Gr 8

- hex, 5/8 NC x 7 inch, grade 8

2шт.

13

426-1028

BOLT,Hex, 5/8" - 11 x 1-3/4", Gr 8

6шт.

14

90-7566T1

SPACER

- mounting bracket

2шт.

16

426-1080

BOLT,Hex, 5/8" - 11 x 5", Gr 8

- hex, 5/8 NC x 5 inch, grade 8

2шт.

Выбрано товаров: 16