Запчасти Case IH 9370 (6-038) - 12 SPEED SYNCHROSHIFT TRANSMISSION ASSEMBLY, VALVE AND LUBRICATION MOUNTING (06) - POWER TRAIN

Схема запчастей Case IH 9370 - (6-038) - 12 SPEED SYNCHROSHIFT TRANSMISSION ASSEMBLY, VALVE AND LUBRICATION MOUNTING (06) - POWER TRAIN
9
12
6
5
3
16
11
13
7
1
14
19
4
2
8
10
17
18
15
FIT
1:1
100%

Артикул

Название

Примечание

Количество

90-7775T91

TRANSMISSION

ASSEMBLY - mechanical shift, parts list Figures 6-034 - 6-064, Includes: Ref. 1 - 19

1шт.

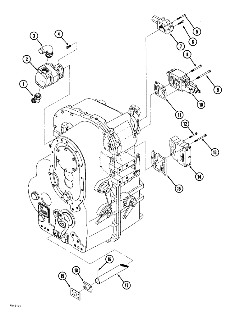
1

218-5140

45 ELBOW,45 Degree Elbow, 1-5/16" - 12 Male JIC x 1-5/16" - 12 Male ORB

- 45 degree, 1-5/16-12 inch flare x adj O-ring boss

1шт.

2

33-1874T91

PUMP, HYDRAULIC

PUMP - lubrication, component parts not serviced separately

1шт.

Part of lubrication pump O-ring kit P/N 90-8261T91.

1шт.

3

31-1394

ELBOW

- hose stem, special

1шт.

4

514-721

BOLT,Hex, M10 x 1.25 x 30mm, Cl 8.8, Full Thd

- hex, 10 - 1.25 x 30 mm

2шт.

5

90-8007T1

SCREW

BOLT - socket head, special

2шт.

6

90-8008T1

SCREW

BOLT - socket head, special

2шт.

7

90-8009T91

VALVE

ASSEMBLY - lock out, parts list Figure 6-064

1шт.

8

514-729

BOLT,Hex, M10 x 1.25 x 90mm, Cl 8.8

- hex, 10 - 1.25 x 90 mm, class 8.8

2шт.

9

514-739

BOLT,Hex, M10 x 1.25 x 120mm, Cl 8.8

- hex, 10 - 1.25 x 120 mm, class 8.8

2шт.

10

90-8200T91

VALVE

ASSEMBLY - control, parts list Figure 6-062

1шт.

11

90-8012T1

GASKET

- control valve

1шт.

Part of transmission gasket kit P/N 90-8401T91.

1шт.

12

614-8065

BOLT,Hex, M8 x 1.25 x 65mm, Cl 8.8, Full Thd

- hex, full threads, 8 - 1.25 x 65 mm

5шт.

13

614-8100

BOLT,Hex, M8 x 1.25 x 100mm, Cl 8.8, Full Thd

- hex, full threads, 8 - 1.25 x 100 mm

3шт.

14

S7000S01F

VALVE

ASSEMBLY - regulator, parts list Figure 6-060

1шт.

15

S1150S02F

GASKET

- regulator valve

1шт.

Part of transmission gasket kit P/N 90-8401T91.

1шт.

16

S14701960

BALL,3.968mm OD

- steel

1шт.

17

33-1561T1

TUBE

- suction

1шт.

18

S1620S01F

GASKET

- suction tube

1шт.

Part of transmission gasket kit P/N 90-8401T91.

1шт.

19

S1700S00F

LARGE PLATE

PLATE - suction tube retainer

1шт.

90-7927T92

GASKET KIT

KIT - gasket, transmission, Includes: parts on Figures 6-034 - 6-064, prior to P.I.N. JEE0071001

1шт.

90-8401T91

GASKET KIT

KIT - gasket, transmission, Includes: Ref. 11, 15 and 18, and parts on Figures 6-034 - 6-064, P.I.N. JEE0071001 and after

1шт.

90-8261T91

SEAL KIT

KIT - O-ring, lubrication pump, Includes: Ref. 2 and gasket not used with this pump

1шт.

Выбрано товаров: 27