Запчасти Case IH 9370 (6-158) - AXLE ASSEMBLY, DIFFERENTIAL AND CARRIER WITHOUT LIMITED SLIP (CONTD) (06) - POWER TRAIN

Схема запчастей Case IH 9370 - (6-158) - AXLE ASSEMBLY, DIFFERENTIAL AND CARRIER WITHOUT LIMITED SLIP (CONTD) (06) - POWER TRAIN
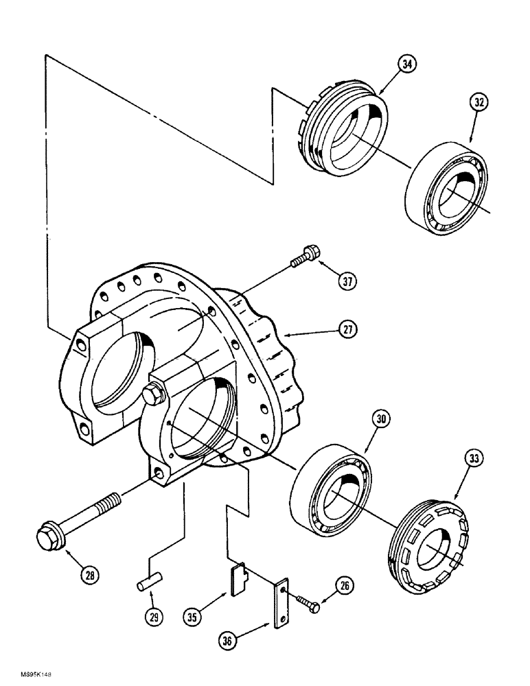
30
36
32
34
35
28
26
33
27
29
37
FIT
1:1
100%

Артикул

Название

Примечание

Количество

90-7803T91

AXLE

ASSEMBLY - front, without limited slip differential, 694.72 axle, parts list Figures 6-152 - 6-158, Includes: Ref. 25 - 37 and 1 - 24 on Figure 6-156

1шт.

90-7802T91

AXLE

ASSEMBLY - rear, without limited slip differential, 694.62 axle, parts list Figures 6-152 - 6-158, Includes: Ref. 25 - 37 and 1 - 24 on Figure 6-156

1шт.

90-8129T91

DIFFERENTIAL

CARRIER ASSEMBLY - differential, front, use with 694.72 axle, Includes: Ref. 25 - 36 and 1 - 24 on Figure 6-156

1шт.

90-8128T91

DIFFERENTIAL

CARRIER ASSEMBLY - differential, rear, use with 694.62 axle, Includes: Ref. 25 - 36 and 1 - 24 on Figure 6-156

1шт.

25

90-7824T1

YOKE

- flanged, 8C, use with front axle, shown on Figure 6-156

1шт.

25

90-7822T1

YOKE

- 8C, use with rear axle, not shown

1шт.

26

16-1626

BOLT,Hex, M8 x 1.25 x 15mm, Gr 10.9

BOLT - hex, 8 x 15 mm, grade 10.9

4шт.

27

90-8130T91

HOUSING

CARRIER ASSEMBLY - housing, front or rear, Includes: Ref. 28 & 29

1шт.

28

90-7138T1

FLANGE BOLT

BOLT - hex flange, special

2шт.

29

90-8162T1

DOWEL

PIN - dowel

2шт.

30

90-8277T1

TAPERED BEARING

BEARING - tapered roller

1шт.

32

A48105

TAPERED BEARING,100mm ID x 150mm OD x 32mm W

BEARING - tapered roller

1шт.

33

90-8068T1

NUT

- bearing retainer

2шт.

34

90-7230T1

SLOTTED NUT

NUT - bearing retainer

1шт.

35

16-1525

LARGE PLATE

PLATE - locking tab, bearing nut, tab 15 degrees from horizontal

1шт.

35

16-1526

LARGE PLATE

PLATE - locking tab, bearing nut, tab 0 degrees from horizontal

1шт.

35

16-1527

LARGE PLATE

PLATE - locking tab, bearing nut, tab 7.5 degrees from horizontal

1шт.

36

16-1524

LARGE PLATE

PLATE - locking

2шт.

37

90-7371T1

FLANGE BOLT,M14 x 1.5 x 45mm

BOLT - flange, 14 mm - 1.5 x 45 mm, grade 10.9

20шт.

Выбрано товаров: 19