Запчасти Case IH 9370 (7-02) - BRAKE CONTROLS, 9370 ONLY (07) - BRAKES

Схема запчастей Case IH 9370 - (7-02) - BRAKE CONTROLS, 9370 ONLY (07) - BRAKES
11
2
12
10
6
1
12
7
5
3
16
15
19
7
8
4
FIT
1:1
100%

Артикул

Название

Примечание

Количество

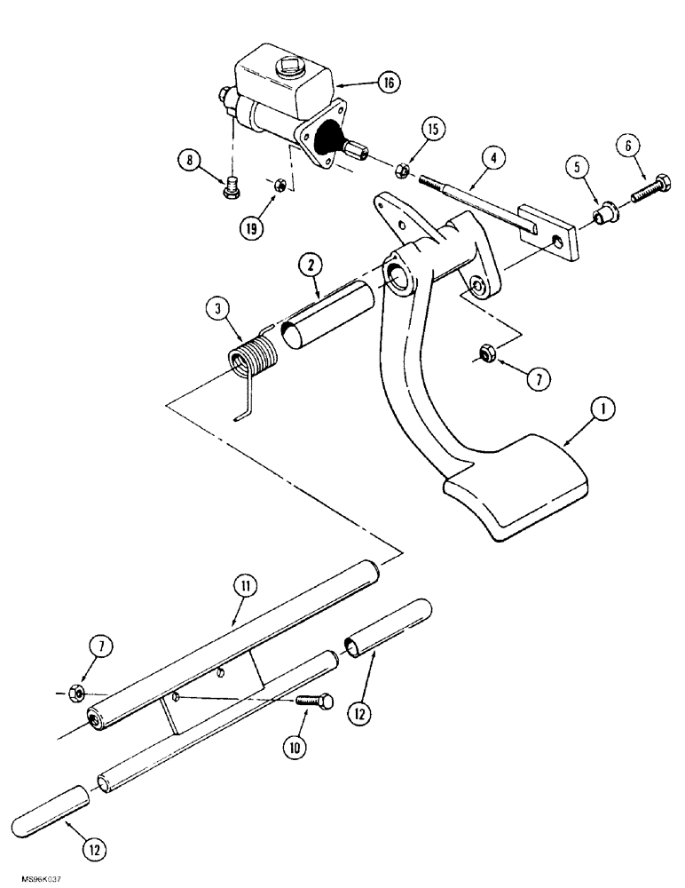
1

60-6835T1

PEDAL

- brake

1шт.

2

60-6836T1

RING RACE

BUSHING - pivot

1шт.

3

11-19

SPRING

- torsion, pedal return

1шт.

4

60-4306T1

THREADED ROD

ROD - push, master cylinder

1шт.

5

60-4337T1

FLANGED BEARING

BUSHING - flanged

1шт.

6

413-832

BOLT,Hex, 1/2" - 13 x 2", Gr 5

1шт.

7

231-1448

NUT,1/2"-13, GB

- hex, self-locking, 1/2 inch NC

3шт.

8

218-441

HYD CONNECTOR,7/16" - 20 Male JIC x 1/8" - 27 Male NPTF

ADAPTER - straight, 7/16-20 flare x 1/8 inch PT

1шт.

10

426-820

BOLT,Hex, 1/2" - 13 x 1-1/4", Gr 8

2шт.

11

60-5074T1

PEDAL

MOUNT - pedal, brake and clutch

1шт.

12

1-3520

BUMPER

- pedal stop, brake and clutch

2шт.

15

425-117

NUT,7/16"-20, G5

- hex, 7/16 inch NF

1шт.

16

90-7554T91

MASTER CYLINDER

CYLINDER ASSEMBLY - brake master, parts list Figure 7-16

1шт.

19

231-1446

NUT,3/8" - 16, Gr 5

NUT, LOCK, 3/8"-16, GB

3шт.

Выбрано товаров: 0