Запчасти Case IH 9370 (7-08) - BRAKE SYSTEM, 9370 ONLY (07) - BRAKES

Схема запчастей Case IH 9370 - (7-08) - BRAKE SYSTEM, 9370 ONLY (07) - BRAKES
6
31
6
8
10
9
5
24
12
3
22
33
20
30
11
23
18
26
32
12
7
2
21
19
16
15
4
29
1
4
FIT
1:1
100%

Артикул

Название

Примечание

Количество

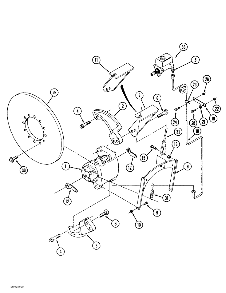
1

90-8368T92

BRAKE CALIPER

CALIPER ASSEMBLY - brake, with parking brake, parts list Figure 7-14, replaces 90-7650T91 caliper

1шт.

When replacing caliper assembly 90-7650T91 on machines built prior to P.I.N. JEE0037590 with 90-8368T92 caliper, remove parking brake lever 90-8362T1 and replace with shorter levers from original caliper 90-7650T91 or order 90-7656T2 kit, which includes (1) parking brake lever and (1) 800-44035 snap ring.

1шт.

90-8368T92R

REMAN-BRAKE ASSY.

Reman For 9370

1шт.

90-8368T92C

CORE-BRAKE ASSY.

Return Number

1шт.

2

90-7096T1

SUPPORT

MOUNT - caliper, upper

1шт.

3

90-7094T1

SUPPORT

MOUNT - caliper, lower

1шт.

4

514-928

BOLT,Hex, M14 x 1.5 x 60mm, Cl 10.9

- hex, 14 - 1.5 x 60 mm, class 10.9

6шт.

5

218-441

HYD CONNECTOR,7/16" - 20 Male JIC x 1/8" - 27 Male NPTF

ADAPTER - straight, 7/16-20 flare x 1/8 inch PT

1шт.

6

426-1036

BOLT,Hex, 5/8" - 11 x 2-1/4", Gr 8

- hex, 5/8 NC x 2-1/4 inch, grade 8

2шт.

7

90-6347T2

SUPPORT

BRACKET - retaining, parking brake cable, prior to P.I.N. JEE0037590

1шт.

8

90-8381T1

SUPPORT

BRACKET - actuating, park brake, replaces 90-4030T1 bracket

1шт.

9

426-516

BOLT,Hex, 5/16" - 18 x 1", Gr 8

- hex, 5/16 NC x 1 inch, grade 8

2шт.

10

231-1445

NUT,5/16"-18, GB

NUT - hex, self-locking, 5/16 inch NC

2шт.

11

90-8309T1

SUPPORT

BRACKET - retaining, parking brake cable, P.I.N. JEE0037590 and after

1шт.

12

90-8362T1

BRAKE LEVER

LEVER - parking brake

1шт.

15

426-620

BOLT,Hex, 3/8" - 16 x 1-1/4", Gr 8

1шт.

16

231-1446

NUT,3/8" - 16, Gr 5

NUT, LOCK, 3/8"-16, GB

1шт.

18

90-7556T3

TUBE,.25" OD

- brake line

1шт.

19

90-6886T1

LARGE PLATE

STRAP - clamp support

1шт.

20

426-512

BOLT,Hex, 5/16" - 18 x 3/4", Gr 8

- hex, 5/16 NC x 3/4 inch, grade 8

1шт.

21

495-11034

WASHER,5/16", SAE

5/16" SAE (flat, 11/32 x 11/16 x 1/16")

1шт.

22

425-105

NUT,5/16"-18, G5

- hex, 5/16 inch NC

1шт.

23

515-2363

CLAMP,M6.3, Insul, 3/8" Bolt

- P-type, 1/4 inch ID

2шт.

24

426-612

BOLT,Hex, 3/8" - 16 x 3/4", Gr 8

- hex, 3/8 NC x 3/4 inch, grade 8

2шт.

26

425-106

NUT,3/8"-16, Cl 5

2шт.

29

90-1367T2

BRAKE DISC

DISC - brake

1шт.

30

428-1028

BOLT,Hex, 5/8" - 18 x 1-3/4", Gr 8

- hex, 5/8 NF x 1-3/4 inch, grade 8

12шт.

31

90-2902T1

SPRING

- return, parking brake, part of Ref. 1 caliper assembly

2шт.

32

60-7004T1

CABLE,2529.33mm L

- actuating, parking brake

1шт.

33

90-7554T91

MASTER CYLINDER

CYLINDER ASSEMBLY - brake master, parts list Figure 7-16

1шт.

Выбрано товаров: 0