Запчасти Case IH 9380 (8-022) - HYDRAULIC PUMP ASSEMBLY, 9370 AND 9380 ONLY (08) - HYDRAULICS

Схема запчастей Case IH 9380 - (8-022) - HYDRAULIC PUMP ASSEMBLY, 9370 AND 9380 ONLY (08) - HYDRAULICS
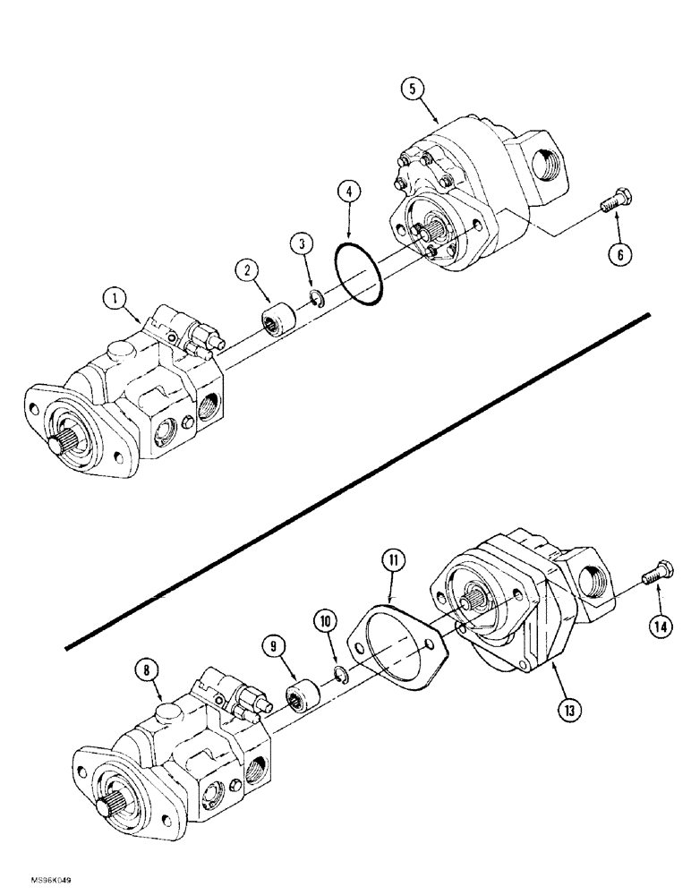
4
3
10
14
2
1
9
13
11
6
5
8
FIT
1:1
100%

Артикул

Название

Примечание

Количество

50-3548T93

PUMP

Assembly - Tandem, Piston and Gear, 9370 & 9380 Only, Includes: Ref. 1 - 6

1шт.

50-3548T93R

REMAN-HYD PUMP

9370, 9380, Both Case IH 4WD Tractor, Assembly, Tandem, Piston and Gear (6/95-8/00)

1шт.

50-3548T93C

CORE-HYDRAULIC PUMP

Return Number

1шт.

1

50-3547T92

PUMP,45.39 CC

ASSEMBLY - piston, parts list Figures 8-024 and 8-026

1шт.

50-3547T92R

REMAN-HYD PUMP

9370, 9380

1шт.

50-3547T92C

CORE-HYDRAULIC PUMP

Return Number

1шт.

2

50-2663T1

COUPLING

- drive, pump

1шт.

3

D66349

RING, SNAP

RING - retaining

1шт.

4

D41420

O-RING,0.07" Thk x 3.989" ID, -45, Cl 5, 75 Duro

- seal

1шт.

5

50-3589T91

PUMP, HYDRAULIC

PUMP ASSEMBLY - gear, prior to P.I.N. JEE0035788, parts list Figure 8-028 (Replaces 50-2662T91)

1шт.

Hyd. Pump 50-3589T91 can be used on units not having high flow systems - if the unit has high flow hey must order 50-3589T91 which is a heavy duty pump for high flow. Per Fargo Service NAPO TECH.

1шт.

5

50-3589T91

PUMP, HYDRAULIC

PUMP ASSEMBLY - gear, P.I.N. JEE0035788 and after, parts list Figure 8-028 (Replaces 50-2662T92)

1шт.

Hyd. Pump 50-3589T91 can be used on units not having high flow systems - if the unit has high flow hey must order 50-3589T91 which is a heavy duty pump for high flow. Per Fargo Service NAPO TECH.

1шт.

50-3589T91R

REMAN-HYD PUMP

9370, 9380, High Flow Heavy Duty Pump, All Prior To P.I.N. JEE0035788

1шт.

50-3589T91C

CORE-HYDRAULIC PUMP

Return Number

1шт.

50-3589T91R

REMAN-HYD PUMP

9370, 9380, High Flow Heavy Duty Pump, All P.I.N. JEE0035788 & Aft.

1шт.

50-3589T91C

CORE-HYDRAULIC PUMP

Return Number

1шт.

6

413-824

BOLT,Hex, 1/2" - 13 x 1-1/2", Gr 5

2шт.

50-3619T91

PUMP, HYDRAULIC

PUMP ASSEMBLY - tandem, piston and gear, High Output, Includes: Ref. 8 - 14, no longer available, order component parts separately, hydraulic

1шт.

8

50-3547T92

PUMP,45.39 CC

ASSEMBLY - piston, parts list Figures 8-024 and 8-026, high output hydraulic

1шт.

50-3547T92R

REMAN-HYD PUMP

9370, 9380

1шт.

50-3547T92C

CORE-HYDRAULIC PUMP

Return Number

1шт.

9

50-2663T1

COUPLING

- drive, pump, high output hydraulic assembly

1шт.

10

D66349

RING, SNAP

RING - retaining, high output hydraulic pump assembly

1шт.

11

18-1176T1

GASKET

- pump, high output hydraulic assembly

1шт.

13

50-3589T91

PUMP, HYDRAULIC

PUMP ASSEMBLY - gear, parts list Figure 8-030, high output hydraulic

1шт.

Hyd. Pump 50-3589T91 can be used on units not having high flow systems - if the unit has high flow hey must order 50-3589T91 which is a heavy duty pump for high flow. Per Fargo Service NAPO TECH.

1шт.

50-3589T91R

REMAN-HYD PUMP

9370, 9380, High Flow Heavy Duty Pump

1шт.

50-3589T91C

CORE-HYDRAULIC PUMP

Return Number

1шт.

14

413-824

BOLT,Hex, 1/2" - 13 x 1-1/2", Gr 5

High output hydraulic pump assembly Hex, 1/2"-13 x 1 1/2", G5, Full Thd

2шт.

Выбрано товаров: 30