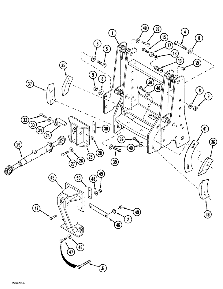
Запчасти Case IH 9380 (9-006) - THREE POINT HITCH UPPER AND LOWER LINK MOUNTS, PRIOR TO P.I.N. JEE0069308, 9370 AND 9380 ONLY (09) - CHASSIS/ATTACHMENTS

Схема запчастей Case IH 9380 - (9-006) - THREE POINT HITCH UPPER AND LOWER LINK MOUNTS, PRIOR TO P.I.N. JEE0069308, 9370 AND 9380 ONLY (09) - CHASSIS/ATTACHMENTS
26
49
19
40
28
25
8
4
39
45
27
18
32
50
5
47
41
37
1
38
48
17
40
15
31
8
39
39
24
33
47
30
46
8
9
39
40
34
36
29
35
8
48
2
18
49
9
FIT
1:1
100%

Артикул

Название

Примечание

Количество

1

70-5991T2

SUPPORT

MOUNT - rear frame, three point hitch

1шт.

2

496-31081

WASHER,13/16" x 1 1/2" x .219", HDN

- flat, 13/16 x 1-1/2 x 7/32 inch, hardened, with PTO

2шт.

4

90-7493T1

SCREW,#0 - 8 x 10"

BOLT - hex, 1 NC x 10 inch

10шт.

5

426-1640

BOLT,Hex, 1" - 8 x 2-1/2", Gr 8

- hex, 1 NC x 2-1/2 inch, grade 8

6шт.

8

496-21106

WASHER,1 1/16" x 2" x .209", HDN

- flat, 1-1/16 x 2 x 13/64 inch, Hardened

32шт.

9

429-1016

NUT,1"-8, G8

- hex, 1 inch NC, grade 8

16шт.

13

70-5972T2

PIN

- rockershaft

2шт.

15

426-1032

BOLT,Hex, 5/8" - 11 x 2", Gr 8

- hex, 5/8 NC x 2 inch, grade 8

2шт.

17

495-11066

WASHER,5/8", SAE

- flat, 21/32 x 1-5/16 x 3/32 inch

2шт.

18

70-5967T1

SPACER,16.7mm ID x 22.2mm OD x 11.2mm

- pin

2шт.

19

425-1010

NUT,5/8"-11, G5

2шт.

24

70-6147T2

PIN

- upper

1шт.

25

70-6022T1

SUPPORT

MOUNT - upper link, with PTO

1шт.

27

426-12144

BOLT,Hex, 3/4" - 10 x 9", Gr 8

- hex, 3/4 NC x 9 inch, grade 8

6шт.

26

496-11081

WASHER,13/16" x 1 1/2" x .134", HDN

Flat 13/16" x 1 1/2" x .134", HDN

6шт.

28

425-1012

NUT,3/4"-10, G5

- hex, 3/4 inch NC

6шт.

29

70-6473T91

UPPER LINK

LINK ASSEMBLY - upper, parts list Figure 9-012

1шт.

30

70-6406T1

LARGE PLATE

PLATE - shim

2шт.

31

426-12120

BOLT,Hex, 3/4" - 10 x 7-1/2", Gr 8

- hex, 3/4 NC x 7-1/2 inch, grade 8, with PTO

2шт.

REF: 31 R/B L130035 SPACER QTY 2 AND 426-12128 CAPSCREW QTY 2 896-11020 WASHER QTY 2 ECN F990082 NAPO TECH NOTE

1шт.

32

426-1024

BOLT,Hex, 5/8" - 11 x 1-1/2", Gr 8

- hex, 5/8 NC x 1-1/2 inch, grade 8

1шт.

33

496-21066

WASHER,16.6mm ID x 33.5mm OD x 3.8mm Thk

- flat, 21/32 x 1-5/16 x 5/32 inch, hardened

1шт.

34

70-5967T1

SPACER,16.7mm ID x 22.2mm OD x 11.2mm

- pin

1шт.

35

70-6096T1

STIFFENER

BLOCK - no sway, left-hand upper

1шт.

36

70-6018T1

BLOCK

- no sway, right-hand upper

1шт.

37

70-6098T1

SPACER

BLOCK - no sway, left-hand lower

1шт.

38

70-6020T1

BLOCK ASSY.

BLOCK - no sway, right-hand lower

1шт.

39

426-1032

BOLT,Hex, 5/8" - 11 x 2", Gr 8

- hex, 5/8 NC x 2 inch, grade 8

8шт.

40

495-11066

WASHER,5/8", SAE

- flat, 21/32 x 1-5/16 x 3/32 inch

8шт.

41

70-6387T1

LARGE PLATE

PLATE - sway block

2шт.

45

70-6025T3

SUPPORT

MOUNT - upper link, without PTO

1шт.

46

70-6405T1

SHIM

- mounting

2шт.

47

426-1248

BOLT,Hex, 3/4" - 10 x 3", Gr 8

- hex, 3/4 NC x 3 inch, grade 8, without PTO

8шт.

48

496-11081

WASHER,13/16" x 1 1/2" x .134", HDN

Flat 13/16" x 1 1/2" x .134", HDN

10шт.

49

425-1012

NUT,3/4"-10, G5

- hex, 3/4 inch NC

8шт.

50

70-6406T1

LARGE PLATE

PLATE - shim

2шт.

Выбрано товаров: 36