Запчасти Case IH 9380 (2-14) - ETHER STARTING SYSTEM (02) - ENGINE

Схема запчастей Case IH 9380 - (2-14) - ETHER STARTING SYSTEM (02) - ENGINE
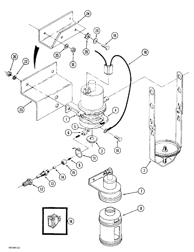
7
19
4
18
3
8
15
16
29
25
9
5
23
12
11
13
24
2
19
14
1
20
6
28
22
10
FIT
1:1
100%

Артикул

Название

Примечание

Количество

1

A143381

SOLENOID

ASSEMBLY - ether injection, no longer available, order 185552A2 solenoid assembly below, Includes: Ref. 2 - 6

1шт.

2

D77648

BAIL

HANGER - ether can, order 18552A2 hanger

1шт.

3

395686R1

GASKET

- injector solenoid, 15/64 inch diameter

1шт.

4

222-615

ELBOW,90 Degree, 5/16"-24 x 1/8" NPT, Comp

1/8 tube OD, Incl. Ref 5 & 6 90º, 5/16"-24 x 1/8" NPT, Comp

1шт.

5

222-650

SLEEVE,1/8" Tube, Comp

- tapered, 1/8 inch tube OD

1шт.

6

222-660

FLANGE NUT,5/16"-24, 45 Degree Fl, Comp

1/8" tube OD 5/16"-24, 45º Fl, Comp

1шт.

185552A2

SOLENOID

ASSEMBLY - ether injection, Includes: Ref. 7 & 8

1шт.

7

NSS

NOT SOLD SEPARAT

SOLENOID - ether injection

1шт.

8

190752A1

HOUSING

- ether injection solenoid

1шт.

9

31-1347

TUBE,0.125" OD, 24" Length

- 610 mm (24 inch) long, cut from 29-53T2 bulk tube, see below, ether solenoid to injector

1шт.

10

60-7166T2

HARNESS

- engine, replaces 60-7166T1 harness

1шт.

11

19-135

CABLE TIE

STRAP - tie, nylon

1шт.

12

221-84

REDUCER,Hex, 1/4" x 1/8" NPT

- pipe, 1/4 male x 1/8 inch female, P.I.N. JEE0036501 and after

1шт.

13

90-7034T1

PACKAGE

INJECTOR ASSEMBLY - nozzle, Includes: Ref. 14 & 15

1шт.

14

222-650

SLEEVE,1/8" Tube, Comp

- tapered, 1/8 inch tube OD

1шт.

15

222-660

FLANGE NUT,5/16"-24, 45 Degree Fl, Comp

1/8" tube OD 5/16"-24, 45º Fl, Comp

1шт.

16

425-105

NUT,5/16"-18, G5

- hex, 5/16 inch NC

2шт.

18

1964751C1

SWITCH

- rocker, ether start

1шт.

19

426-512

BOLT,Hex, 5/16" - 18 x 3/4", Gr 8

- hex, 5/16 NC x 3/4 inch, grade 8

2шт.

20

425-105

NUT,5/16"-18, G5

- hex, 5/16 inch NC

2шт.

22

492-11031

LOCK WASHER,5/16"

WASHER, LOCK, 5/16"

2шт.

23

90-7645T1

SUPPORT

BRACKET - mounting, solenoid, if used, prior to P.I.N. JEE0036501, replaces 90-7336T1 bracket, Includes: Ref. 25 - 29

1шт.

24

90-8367T1

SUPPORT

BRACKET - mounting, ether, P.I.N. JEE0036501 and after, replaces 90-8352T1 bracket, Includes: Ref. 25 - 29

1шт.

25

495-11041

WASHER,0.406" ID x 0.812" OD x 0.065" W

(Flat, 13/32 x 13/16 x 1/16") 3/8", SAE

2шт.

28

495-11034

WASHER,5/16", SAE

5/16" SAE (flat, 11/32 x 11/16 x 1/16")

2шт.

29

493-41033

LOCK WASHER,0.33" ID x 0.61" OD x 0.03" Thk

WASHER, LOCK, Ext Tooth, 5/16"

1шт.

29-53T2

HOSE

TUBE - bulk, 3 (1/8) OD x 3048 mm (120 inch) long

1шт.

Выбрано товаров: 27