Запчасти Case IH 9390 (6-072) - 24 SPEED SYNCHROSHIFT TRANSMISSION ASSEMBLY, FRONT HOUSING, SHIFT LEVERS AND BREATHER (06) - POWER TRAIN

Схема запчастей Case IH 9390 - (6-072) - 24 SPEED SYNCHROSHIFT TRANSMISSION ASSEMBLY, FRONT HOUSING, SHIFT LEVERS AND BREATHER (06) - POWER TRAIN
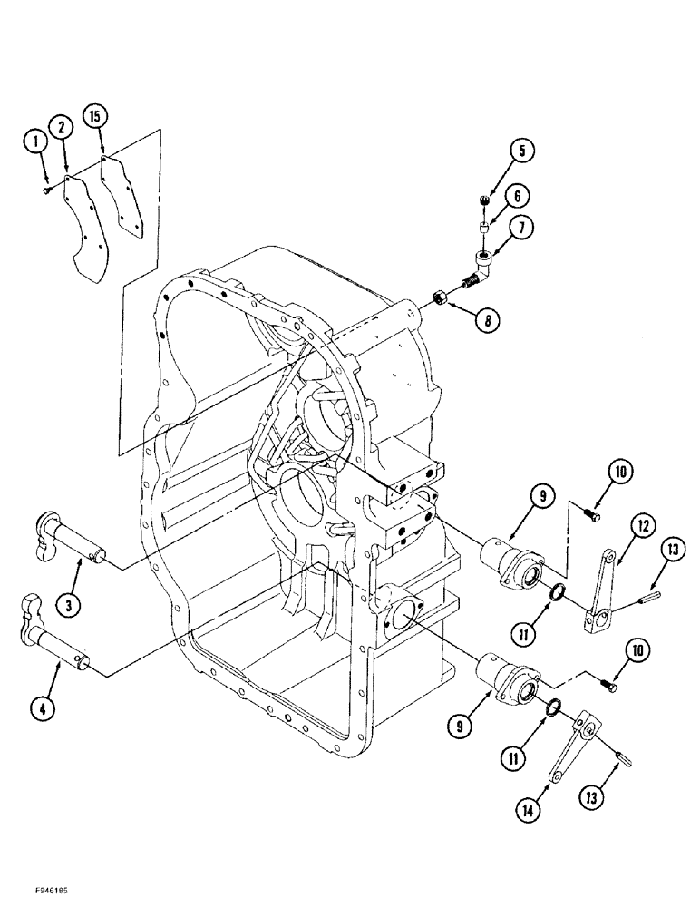
1
3
7
10
11
9
10
11
6
13
4
12
14
8
9
13
15
5
2
FIT
1:1
100%

Артикул

Название

Примечание

Количество

90-7812T91

TRANSMISSION

ASSEMBLY - mechanical shift, 24-speed, parts list Figures 6-066 - 6-100, Includes: Ref. 1 - 15

1шт.

1

614-6012

BOLT,Hex, M6 x 1 x 12mm, Cl 8.8, Full Thd

2шт.

2

90-7982T1

BAFFLE ASSY.

BAFFLE - breather

1шт.

3

90-7983T1

LEVER

- shift, second and third speed, inner

1шт.

4

90-7984T1

LEVER

- shift, C and D range, inner

1шт.

5

33-1761T1

PLUG

- taper

1шт.

6

33-1454T1

BREATHER

FILTER - breather

1шт.

7

33-1455T1

VENTILATION PIPE

ELBOW - 90 degree, breather filter

1шт.

8

SM8911246

NUT

- hex, 16 mm - 1.5

1шт.

9

90-7985T1

HOLDER

- lever

2шт.

10

514-712

BOLT,Hex, M10 x 1.25 x 25mm, Cl 8.8, Full Thd

4шт.

11

33-1727T1

OIL SEAL

SEAL - holder

2шт.

Part of transmission gasket kit P/N 90-8401T91.

1шт.

12

90-7975T1

LEVER

- shift, speed, outer

1шт.

13

SM831050

PIN

- spring

2шт.

14

90-7977T1

LEVER

- shift, range, outer

1шт.

15

90-8006T1

GASKET

- breather

1шт.

Part of transmission gasket kit P/N 90-8401T91.

1шт.

90-7927T92

GASKET KIT

KIT - gasket, transmission, Includes: parts on Figures 6-066 - 6-100, prior to P.I.N. JEE0071001

1шт.

90-8401T91

GASKET KIT

KIT - gasket, transmission, Includes: Ref. 11 and 15, and parts on Figures 6-066 - 6-100, P.I.N. JEE0071001 and after

1шт.

Выбрано товаров: 20