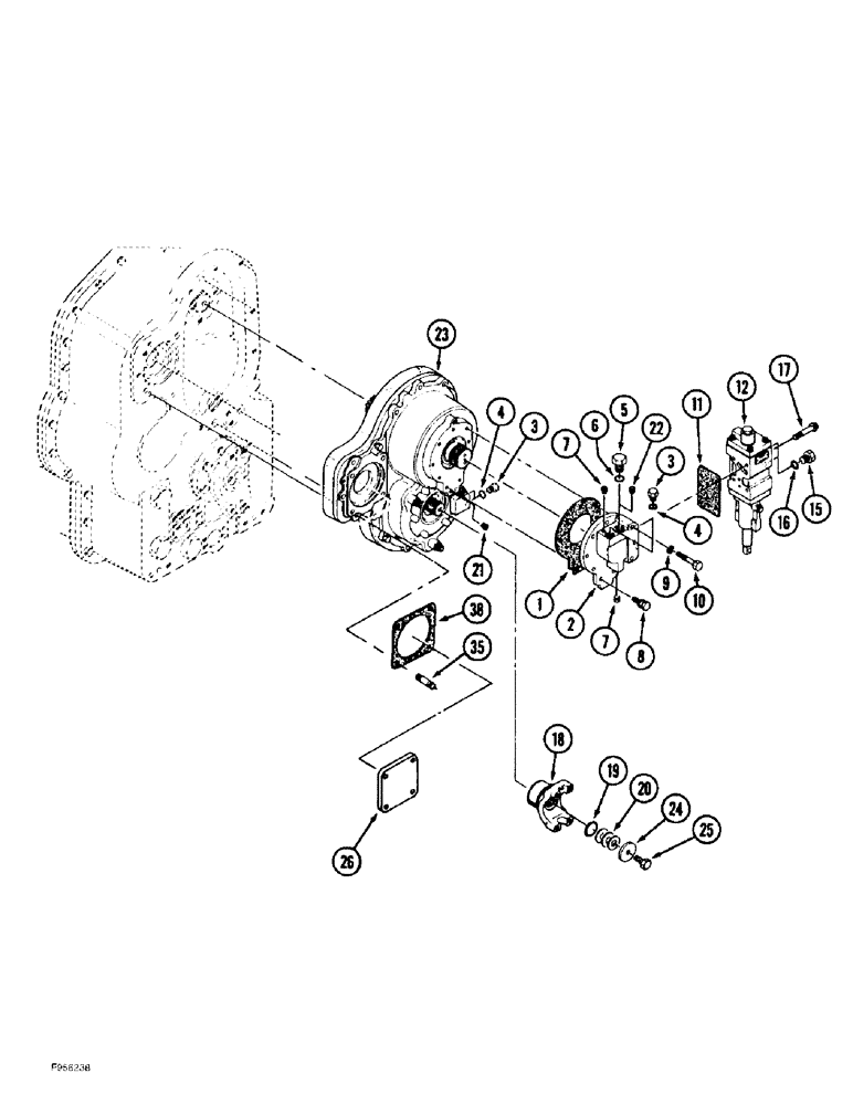
Запчасти Case IH 9390 (6-136) - PTO CLUTCH ASSEMBLY (06) - POWER TRAIN

Схема запчастей Case IH 9390 - (6-136) - PTO CLUTCH ASSEMBLY (06) - POWER TRAIN
21
4
35
22
5
19
23
8
11
20
2
3
26
16
24
12
4
9
15
10
7
18
1
3
7
38
17
6
25
FIT
1:1
100%

Артикул

Название

Примечание

Количество

90-7045T93

REAR PTO ASSY

CLUTCH ASSEMBLY - PTO, clutch, Includes: Ref. 1 - 38 and parts listed on Figures 6-136 - 6-142

1шт.

1

S8540S01F

GASKET

- servo housing

1шт.

Part of PTO clutch overhaul kit P/N S9870S01F.

1шт.

2

S8530S00F

CASE

HOUSING - PTO servo

1шт.

3

S1030S00F

PLUG

- hex, O-ring boss, Includes: Ref. 4

3шт.

4

S1040S00F

O-RING

- plug

3шт.

Part of PTO clutch overhaul kit P/N S9870S01F.

1шт.

5

S8550S00F

PLUG

- O-ring boss, Includes: Ref. 6

1шт.

6

S8560S00F

GASKET

O-RING - plug

1шт.

7

STX99700F

PLUG

- orifice

2шт.

8

SM8124030

BOLT

BOLT - hex, 10 mm - 1.25 x 30 mm

6шт.

9

892-11010

LOCK WASHER,M10

3шт.

10

SM8124080

BOLT

BOLT - hex, 10 mm - 1.25 x 80 mm

3шт.

11

S9510S01F

GASKET

- control valve, replaces S9510S00F gasket

1шт.

12

S9500S00F

VALVE

ASSEMBLY - PTO control, parts list Figure 6-142

1шт.

15

S1390S00F

PLUG

- O-ring boss, Includes: Ref. 16

2шт.

16

S1320S00F

O-RING

- plug

2шт.

17

SM8120880

BOLT

BOLT - hex, 8 mm - 1.25 x 80 mm

4шт.

18

90-7005T1

YOKE

- PTO output, Includes: Ref. 19

1шт.

19

S8950S00F

GASKET

O-RING - yoke seal

1шт.

20

S9950S00F

SHIM,0.1mm Thk

(0.10 mm), Yoke .004" Thk

1шт.

20

S9960S00F

SHIM,0.31mm Thk

(0.30 mm), Yoke .012" Thk

1шт.

20

S9970S00F

SHIM,0.51mm Thk

(0.51 mm), Yoke .020" Thk

1шт.

20

S9980S00F

SHIM,0.71mm Thk

(0.7 mm), Yoke .028" Thk

1шт.

21

S8930S00F

PLUG

- orifice

1шт.

22

S8920S00F

PLUG

- orifice

1шт.

23

REF

INSTRUCTION

HOUSING - PTO clutch, parts list Figure 6-138

1шт.

24

S8860S00F

THRUST WASHER

WASHER - flat

1шт.

25

514-1021

BOLT,Hex, M16 x 1.5 x 35mm, Cl 10.9

Replaces SM8134635 bolt Hex, M16 x 1.5 x 35, 10.9, Full Thd

1шт.

26

90-7519T1

COVER

- lubrication pump

1шт.

35

SM8267455

STUD

- 14 - 1.5 x 55 mm

2шт.

38

50-1388T2

GASKET

- pump

1шт.

S9870S01F

KIT

- overhaul, PTO clutch, Includes: Ref. 1, 4, 6, 11, 19 and 38, and parts on Figures 6-136 - 6-142

1шт.

Выбрано товаров: 33