Запчасти Case IH 9390 (8-052) - HYDRAULIC REMOTE VALVE SECTION, FIRST, SECOND, THIRD OR FOURTH SECTIONS, WITH FLOAT ONLY (CONTD) (08) - HYDRAULICS

Схема запчастей Case IH 9390 - (8-052) - HYDRAULIC REMOTE VALVE SECTION, FIRST, SECOND, THIRD OR FOURTH SECTIONS, WITH FLOAT ONLY (CONTD) (08) - HYDRAULICS
72
97
78
106
96
66
108
67
98
75
68
76
71
83
70
94
62
84
110
75
109
64
89
69
74
95
65
90
92
73
79
65
94
91
62
63
85
93
105
88
107
112
104
99
113
64
100
77
68
111
FIT
1:1
100%

Артикул

Название

Примечание

Количество

50-2302T91

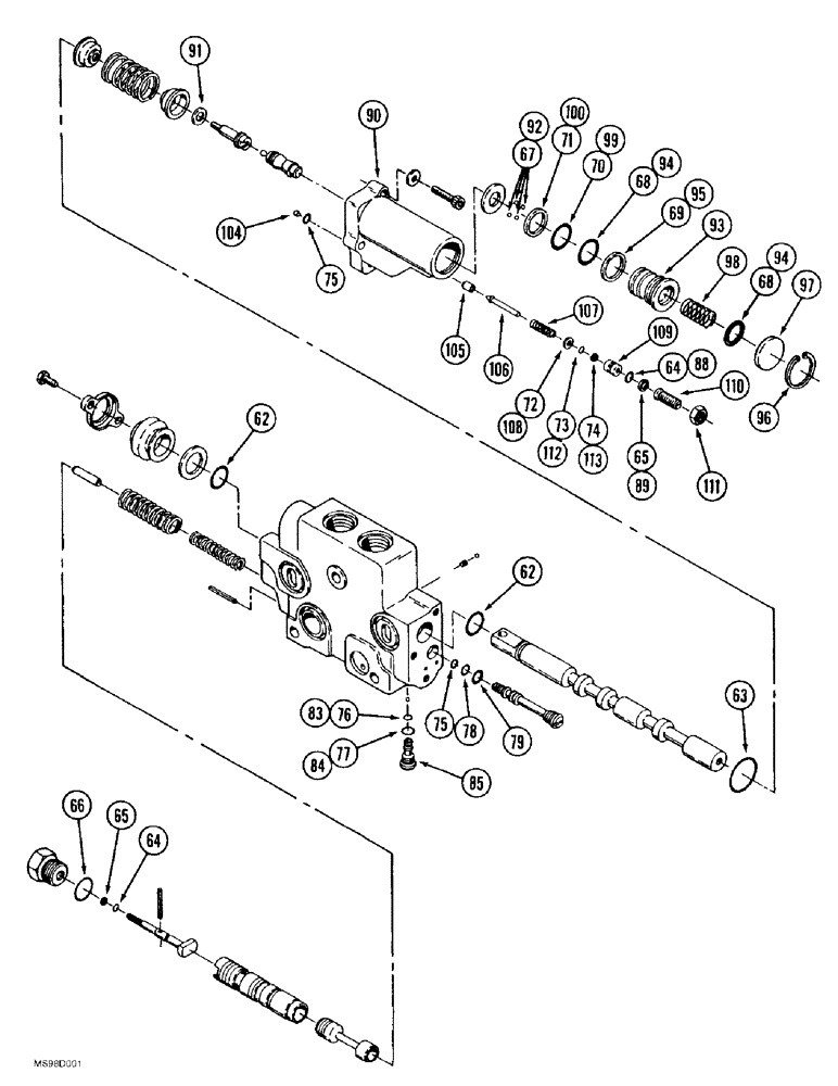
ASSEMBLY

SECTION ASSEMBLY - valve, float, Includes: Ref. 62 - 113 and 1 - 58 on Figure 8-050

1шт.

50-2388T1

SEAL KIT

KIT - seal, detent, primary and secondary, Includes: Ref. 62 - 79

1шт.

62

238-5116

O-RING,0.103" Thk x 0.75" ID, -116, Cl 5, 75 Duro

Spool -116, 70 Duro, .737" ID x .103" Thk

2шт.

63

238-5026

O-RING,0.07" Thk x 1.239" ID, -26, Cl 5, 75 Duro

-026, 70 Duro, 1.239" ID x .070" Thk, Detent housing

1шт.

64

238-5008

O-RING,0.07" Thk x 0.18" ID, -8, Cl 5, 75 Duro

-008, 70 Duro, .176" ID x .070" Thk

2шт.

65

D71056

RING,Split, 4.47mm ID x 7.21mm OD x 1.32mm Thk

- backup

2шт.

66

237-6010

O-RING,0.097" Thk x 0.755" ID, -910, Cl 6, 90 Duro

10-1, 90 Duro, .755" ID x .097" Thk, Plug

1шт.

67

211-1007

BALL,7/32" Dia

- chrome alloy steel, 7/32", Gr 24

8шт.

68

238-5022

O-RING,0.07" Thk x 0.99" ID, -22, Cl 5, 75 Duro

-022, 70 Duro, .989" ID x .070" Thk, Kickout piston

1шт.

69

A52208

SEAL,25.98mm ID x 28.73mm OD x 1.32mm Thk

RING - backup

1шт.

70

238-5021

O-RING,0.07" Thk x 0.926" ID, -21, Cl 5, 75 Duro

-021, 70 Duro, .926" ID x .070" Thk, Kickout piston

1шт.

71

L35295

SEALING RING,Split, 24.38mm ID x 27.13mm OD x 1.32mm Thk

RING - backup

1шт.

72

A48935

WASHER

- poppet valve, spring

1шт.

73

238-5006

O-RING,0.07" Thk x 0.114" ID, -6, Cl 5, 75 Duro

-006, 70 Duro, .114" ID x .070" Thk, Poppet

1шт.

74

A52378

RING,Split, 3.56mm ID x 6.3mm OD x 1.32mm Thk

- backup

1шт.

75

238-6009

O-RING,0.07" Thk x 0.208" ID, -9, Cl 6, 90 Duro

3шт.

76

238-6008

O-RING,0.07" Thk x 0.176" ID, -8, Cl 6, 90 Duro

Shuttle, secondary -008, 90 Duro, .176" ID x .070" Thk

1шт.

77

237-6003

O-RING,0.064" Thk x 0.301" ID, -903, Cl 6, 90 Duro

3-1, .301" ID x .064" Thk, Shuttle, secondary

1шт.

78

238-6010

O-RING,0.07" Thk x 0.239" ID, -10, Cl 6, 90 Duro

Shuttle, primary -010, 90 Duro, .239" ID x .070" Thk

1шт.

79

237-6004

O-RING,0.072" Thk x 0.351" ID, -904, Cl 6, 90 Duro

4-1, 90 Duro, .351" ID x .072" Thk, Shuttle, primary

1шт.

A47210

PLUG

SHUTTLE ASSEMBLY - secondary, no longer available, order component parts separately, Includes: Ref. 83 - 85

1шт.

R30185

SEAL KIT

KIT - seal, Includes: Ref. 83 & 84

1шт.

83

238-6008

O-RING,0.07" Thk x 0.176" ID, -8, Cl 6, 90 Duro

Shuttle, secondary -008, 90 Duro, .176" ID x .070" Thk

1шт.

84

237-6003

O-RING,0.064" Thk x 0.301" ID, -903, Cl 6, 90 Duro

3-1, .301" ID x .064" Thk, Shuttle, secondary

1шт.

85

A47204

PLUG

BODY - shuttle, secondary

1шт.

338703A1

KIT

- housing, detent, replaces A48940 kit, Includes: Ref. 88 - 113

1шт.

88

238-5008

O-RING,0.07" Thk x 0.18" ID, -8, Cl 5, 75 Duro

-008, 70 Duro, .176" ID x .070" Thk, Poppet

1шт.

89

D71056

RING,Split, 4.47mm ID x 7.21mm OD x 1.32mm Thk

- backup

1шт.

90

NSS

NOT SOLD SEPARAT

HOUSING - detent

1шт.

91

A48931

WASHER

- guide

1шт.

Ref #91 balloon is pointing to incorrect part. Should be pointing to washer with no ref #, just to left of detent balls. On previous page, number assigned ref #7, is correct. Per Fargo Engineering Engineering NAPO TECH NOTE

1шт.

92

211-1007

BALL,7/32" Dia

- chrome alloy steel, 7/32", Gr 24

8шт.

93

A48932

PISTON

- kickout

1шт.

94

238-5022

O-RING,0.07" Thk x 0.99" ID, -22, Cl 5, 75 Duro

-022, 70 Duro, .989" ID x .070" Thk, Piston

2шт.

95

A52208

SEAL,25.98mm ID x 28.73mm OD x 1.32mm Thk

RING - backup

1шт.

96

100-21118

SNAP RING,1.188", Int, #118

Ring, Snap, 1.188", Int, #118

1шт.

97

NSS

NOT SOLD SEPARAT

RETAINER - piston

1шт.

98

A48934

SPRING

- detent

1шт.

99

238-5021

O-RING,0.07" Thk x 0.926" ID, -21, Cl 5, 75 Duro

-021, 70 Duro, .926" ID x .070" Thk, Piston

1шт.

100

L35295

SEALING RING,Split, 24.38mm ID x 27.13mm OD x 1.32mm Thk

RING - backup

1шт.

104

NSS

NOT SOLD SEPARAT

PLUG - orifice

1шт.

105

NSS

NOT SOLD SEPARAT

SEAT - pilot float

1шт.

106

NSS

NOT SOLD SEPARAT

POPPET - relief

1шт.

107

NSS

NOT SOLD SEPARAT

SPRING - valve poppet

1шт.

108

A48935

WASHER

- poppet valve, spring

1шт.

109

A48936

GOVERNOR

PISTON - regulator

1шт.

110

A52437

SET SCREW,3/8" - 24 x 1", Gr 7

- adjusting

1шт.

111

425-156

JAM NUT,Jam, 3/8"-24, G5

1шт.

112

238-5006

O-RING,0.07" Thk x 0.114" ID, -6, Cl 5, 75 Duro

-006, 70 Duro, .114" ID x .070" Thk, Poppet

1шт.

113

A52378

RING,Split, 3.56mm ID x 6.3mm OD x 1.32mm Thk

- backup

1шт.

Выбрано товаров: 50