Запчасти Case IH 9390 (4-58) - FRONT WINDOW WIPER (04) - ELECTRICAL SYSTEMS

Схема запчастей Case IH 9390 - (4-58) - FRONT WINDOW WIPER (04) - ELECTRICAL SYSTEMS
2
15
22
6
12
1
9
3
5
20
1
16
7
1
8
FIT
1:1
100%

Артикул

Название

Примечание

Количество

1

REF

INSTRUCTION

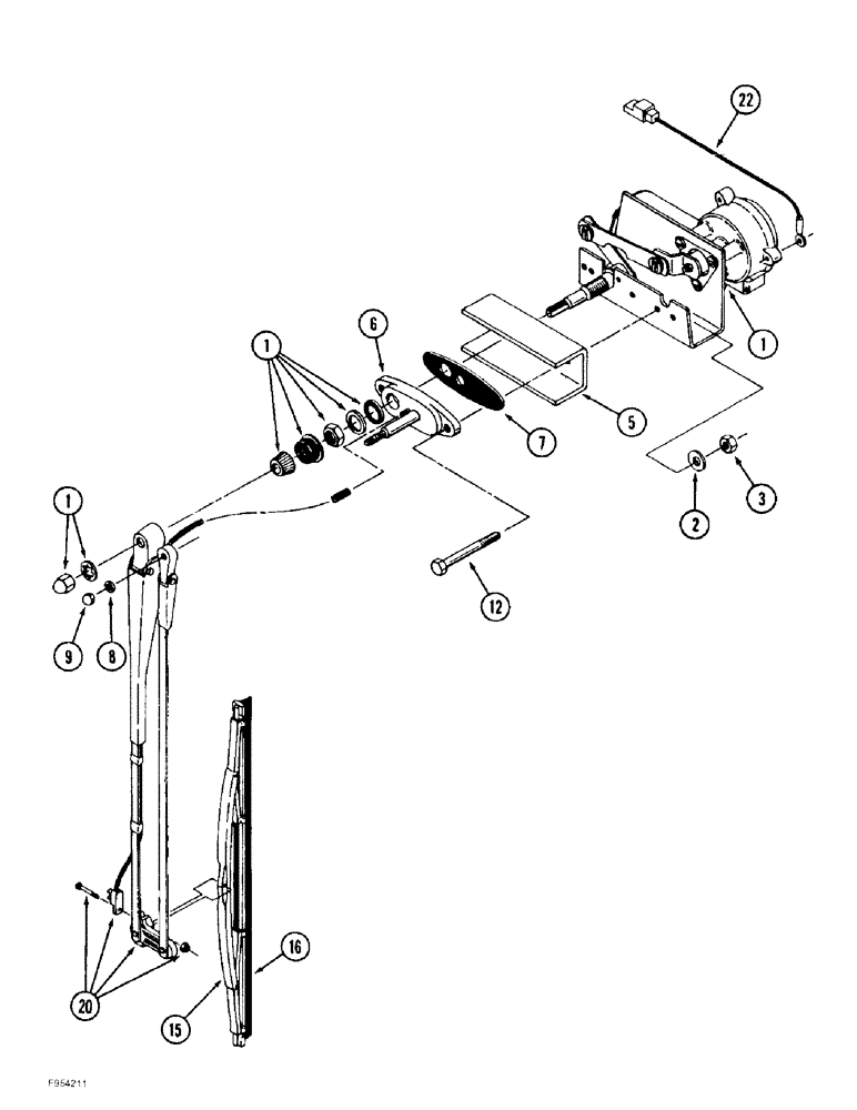
DRIVE ASSEMBLY - wiper, parts list Figure 4-66

1шт.

2

495-11028

WASHER,1/4", SAE

(flat, 9/32 x 5/8 x 1/16") 1/4", SAE

2шт.

3

111626C1

NUT

- hex, self-locking, special, 1/4 inch NC

2шт.

5

60-6528T1

SUPPORT

BRACKET - wiper mounting spacer

1шт.

60-1436T91

PIVOT ASSY.

KIT - pivot, wiper blade, Includes: Ref. 6 - 9

1шт.

6

NSS

NOT SOLD SEPARAT

PIVOT - body and shaft

1шт.

7

NSS

NOT SOLD SEPARAT

GASKET - pivot

1шт.

8

2-4191T1

WASHER

- flat

1шт.

9

2-4192T1

NUT

- hex cap

1шт.

12

414-440

BOLT,Hex, 1/4" - 28 x 2-1/2", Gr 5

- hex, 1/4 NF x 2-1/2 inch

2шт.

60-1145T91

WIPER BLADE

BLADE ASSEMBLY - wiper, Includes: Ref. 15 & 16

1шт.

15

NSS

NOT SOLD SEPARAT

FRAME - wiper blade

1шт.

16

2-4194T1

WIPER BLADE

BLADE - wiper, rubber, 18 inch

1шт.

20

60-1144T1

WIPER ARM

ARM - wiper, 17 inch

1шт.

22

60-7091T1

CABLE

- ground, motor

1шт.

Выбрано товаров: 15