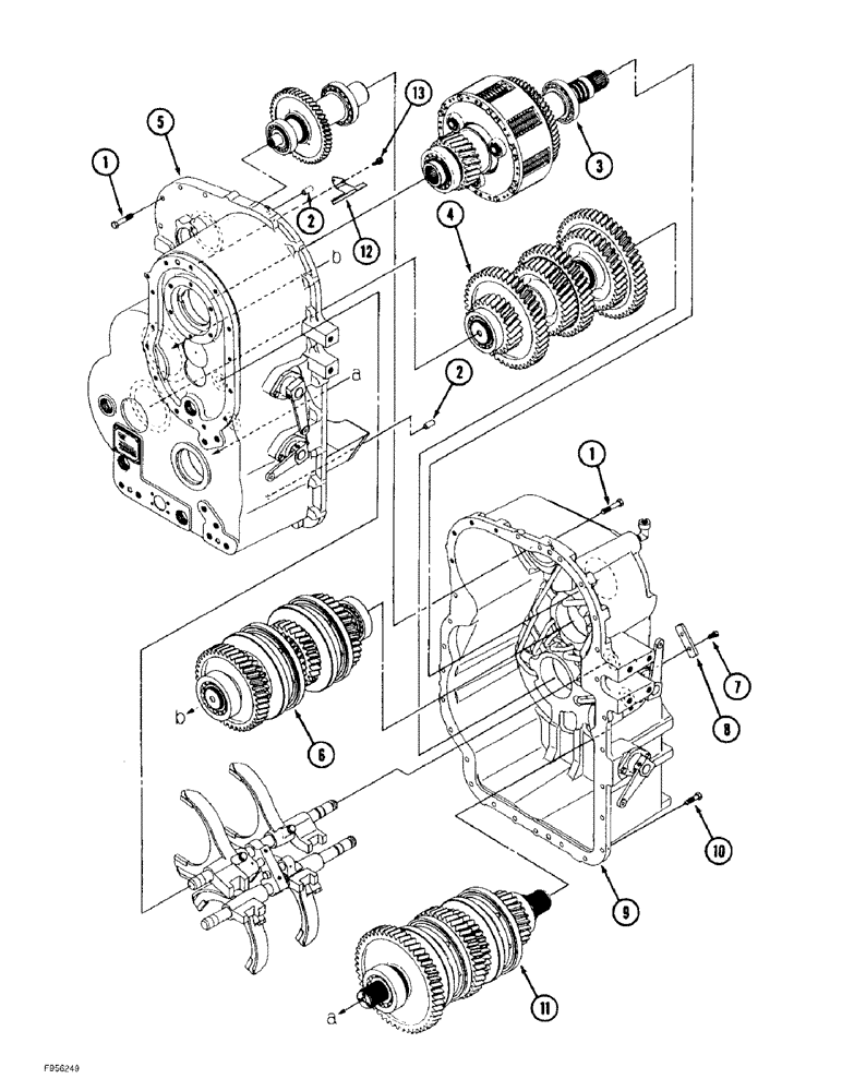
Запчасти Case IH 9390 (6-046) - 12 SPEED SYNCHROSHIFT TRANSMISSION ASSEMBLY, OIL GUTTER, SHAFT ASSEMBLIES AND SHIFTER ASSEMBLY (06) - POWER TRAIN

Схема запчастей Case IH 9390 - (6-046) - 12 SPEED SYNCHROSHIFT TRANSMISSION ASSEMBLY, OIL GUTTER, SHAFT ASSEMBLIES AND SHIFTER ASSEMBLY (06) - POWER TRAIN
3
9
1
7
2
2
13
5
6
10
11
8
4
1
12
FIT
1:1
100%

Артикул

Название

Примечание

Количество

90-7775T91

TRANSMISSION

ASSEMBLY - mechanical shift, parts list Figures 6-034 - 6-064, Includes: Ref. 1 - 13

1шт.

1

514-843

BOLT,Hex, M12 x 1.25 x 60mm, Cl 8.8, Full Thd

13шт.

2

33-1467T1

DOWEL

PIN - dowel

2шт.

3

90-7943T91

SHAFT

ASSEMBLY - input, 12 speed, parts list Figure 6-058

1шт.

4

90-7986T91

SHAFT ASSY.

SHAFT ASSEMBLY - fourth, parts list Figure 6-056

1шт.

5

90-7987T1

HOUSING

- rear, transmission

1шт.

6

90-7988T91

SHAFT ASSY.

SHAFT ASSEMBLY - third, parts list Figure 6-052

1шт.

7

514-703

BOLT,Hex, M10 x 1.25 x 20mm, Cl 8.8, Full Thd

2шт.

8

33-1746T1

LARGE PLATE

PLATE - lock

1шт.

9

90-7989T1

HOUSING

- front, transmission

1шт.

10

514-830

BOLT,Hex, M12 x 1.25 x 40mm, Cl 8.8, Full Thd

Hex, M12 x 1.25 x 40, 8.8, Full Thd

16шт.

11

90-7990T91

SHAFT ASSY.

SHAFT ASSEMBLY - fifth, parts list Figure 6-054

1шт.

12

33-1812T1

CONDUIT

LIP - oil, reverse gear

1шт.

13

614-6012

BOLT,Hex, M6 x 1 x 12mm, Cl 8.8, Full Thd

2шт.

Выбрано товаров: 14