Запчасти Case IH 1070 (130) - SLIDING GEAR SHAFT, POWER SHIFT (06) - POWER TRAIN

Схема запчастей Case IH 1070 - (130) - SLIDING GEAR SHAFT, POWER SHIFT (06) - POWER TRAIN
10
13
19
9
6
20
16
4
5
2
8
18
15
17
11
12
3
7
1
FIT
1:1
100%

Артикул

Название

Примечание

Количество

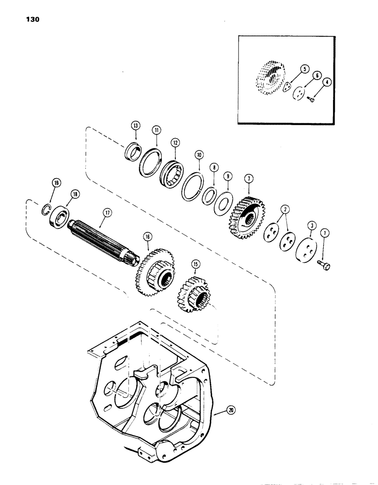
1

113-2224

SCREW

BOLT, 3/8 x 1-1/8" N.C. hex., jay loc

3шт.

2

A62726

SHIM,.007" Thk

Retaining plate .007" Thk

1шт.

2

A62727

SHIM,.005" Thk

Retaining plate .005" Thk

1шт.

3

A62601

PLATE

front, sliding gear shaft

1шт.

4

113-230

X

BOLT, 3/8 x 1-1/8" N.C. hex

3шт.

5

A58034

RETAINER

locking, sliding gear shaft, Order (1) A62601 plate, (3) 113-2224 bolts, (3) A62726 shims and (3) A62727 shims

1шт.

6

A58033

PLATE

end, sliding gear shaft, front, Order (1) A62601 plate, (3) 113-2224 bolts, (3) A62726 shims and (3) A62727 shims

1шт.

7

A58032

GEAR

input, sliding gear shaft, 44 ext. and 27 int. teeth

1шт.

8

A64763

GUARD

SHIELD oil, gear shaft rear bearing

1шт.

9

A61119

PLATE

sliding gear shaft, front inner race bearing, 1st used trac. ser. no. 8650101, 1-49/64 x 2-7/32 x 0.177"

1шт.

9

A58416

WASHER

PLATE sliding gear shaft, front inner race bearing, used prior to trac. ser. no. 8650101, 1-49/64 x 2-7/32 x 0.164"

1шт.

10

A62593

RING

snap, mound, sliding gear shaft frt. outer race brg., 1st used trans. ser. no. 2360135

1шт.

11

A32005

RING

snap, external, sliding gear shaft, frt. outer race bearing, 2nd used prior to trans. ser. no. 2360135

1шт.

12

A58028

BEARING ASSY,45mm ID x 100mm OD x 31mm W

BEARING roller, outer race, sliding gear shaft, front, 1st used trac. ser. no. 8650101, 1-7/32" wide, used w/ A58027 inner race brg.

1шт.

12

A58030

BEARING ASSY

BEARING roller, outer race, sliding gear shaft, front, used prior to trac. ser. no. 8650101, 1" wide, used w/ A58029 inner race brg.

1шт.

13

A58027

BEARING CONE,1.7717" ID x 1.04"

BEARING roller, inner race, sliding gear shaft, front, 1st used trac. ser. no. 8650101, 1" wide, used w/ A58028 outer roller brg.

1шт.

13

A58029

BEARING CONE,1.7717" ID x 0.817"

BEARING roller, inner race, sliding gear shaft, front, used prior to trac. ser. no. 8650101, 13/16" wide, used w/ A58030 outer roller brg.

1шт.

15

A58026

GEAR

sliding range cluster, 1st and 3rd, 15 and 26 external and 32 internal teeth

1шт.

16

A62178

GEAR

sliding cluster, 2nd and 4th, Replaces A58025, 21 and 37 external and 32 internal teeth

1шт.

17

A58024

SHAFT

gear, sliding

1шт.

18

A60561

BALL BEARING,34.99mm ID x 80mm OD x 21mm W

BEARING ball, sliding gear shaft, rear

1шт.

19

A21619

CIRCLIP

RING snap, external, sliding gear shaft, rear

1шт.

20

A61181

HOUSING transmission, Replaces A58419

1шт.

Выбрано товаров: 23