Запчасти Case IH 1070 (179A) - P.T.O. HOUSING (06) - POWER TRAIN

Схема запчастей Case IH 1070 - (179A) - P.T.O. HOUSING (06) - POWER TRAIN
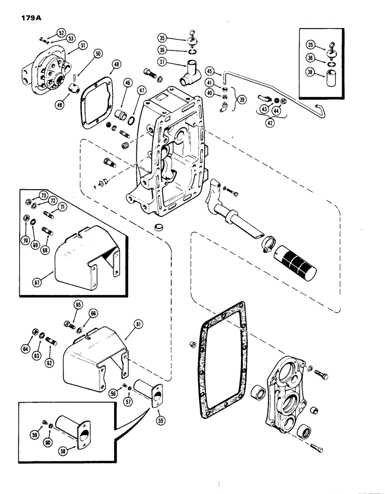
35
46
52
73
45
38
36
48
61
58
64
49
41
63
51
65
47
71
60
57
68
50
69
72
56
42
36
40
35
43
70
44
59
67
62
39
37
66
55
53
FIT
1:1
100%

Артикул

Название

Примечание

Количество

35

A64404

BREATHER

PLUG ASSY filler, Replaces A59123, Incl. Ref. 36

1шт.

36

A7623

O-RING,0.139" Thk x 0.984" ID, -214, Cl 5, 75 Duro

1шт.

37

A62172

TUBE

ASSY oil filter, used w/ casting A62171 and A65824, Order A66729

1шт.

38

A59122

SPARE PART Oil filler, used w/ casting A58191

1шт.

39

222-48

ELBOW,90º, 13/16"-18 Fem x 3/8"-18 NPTF

ASSY male, 3/8" tube O.D., Incl. Ref. 40 and 41

1шт.

40

222-104

SLEEVE,3/8" Tube

1шт.

41

222-114

NUT,5/8"-24

For 3/8" tube

1шт.

42

222-47

ELBOW,90 Degree, 5/8"-24 Fem x 1/4"-27 NPTF

ASSY male, 3/8" tube O.D. x 1/4" P.T., Incl. Ref. 43 and 44

1шт.

43

222-104

SLEEVE,3/8" Tube

1шт.

44

222-114

NUT,5/8"-24

For 3/8" tube

1шт.

45

A59299

TUBE

PTO clutch lubrication

1шт.

46

A58983

TUBE

Hydraulic pump inlet

1шт.

47

A30915

O-RING,0.139" Thk x 1.359" ID, -220, Cl 5, 75 Duro

1шт.

48

A32096

GASKET

Hydraulic dual pump

1шт.

49

A32097

COUPLING, BREAK AWAY

Hydraulic dual pump shaft

1шт.

50

138-2011

PIN,1/8" x 1 1/4", Coiled

Hydraulic pump shaft coupling

1шт.

51

REF

INSTRUCTION

PUMP ASSY, hyd. dual, See Figure 202

1шт.

52

13-620

BOLT,Hex, 3/8" - 16 x 1-1/4", Gr 5, Full Thd

6шт.

53

92-6

LOCK WASHER,3/8"

6шт.

55

A32456

SPARE PART ASSY, output shaft, single speed

1шт.

56

13-58

BOLT,Hex, 5/16" - 18 x 1/2", Gr 5

(Single speed)

2шт.

57

92-5

LOCK WASHER,5/16"

(Single speed)

2шт.

58

A58238

GUARD

SPARE PART Output shaft, dual speed

1шт.

59

13-48

BOLT,Hex, 1/4" - 20 x 1/2", Gr 5

(Dual speed)

2шт.

60

92-4

LOCK WASHER,1/4"

(Dual speed)

2шт.

61

A62391

GUARD

SHIELD output shaft, 1st used trans. S/N 2363134

1шт.

62

A58195

STUD

5/8" N.C. x 3-1/2"

2шт.

63

193-34

LOCK WASHER,Int Tooth, 5/8"

2шт.

64

25-1010

NUT,5/8"-11, G5

2шт.

65

13-824

BOLT,Hex, 1/2" - 13 x 1-1/2", Gr 5, Full Thd

Used w/ dual speed

2шт.

65

13-828

BOLT,Hex, 1/2" - 13 x 1-3/4", Gr 5

BOLT, 1/2 x 1-3/8" N.C. hex., used w/ single speed

2шт.

66

193-32

LOCK WASHER,Int Tooth, 1/2"

2шт.

67

A58237

SHIELD

Output shaft, used prior to trans. S/N 2363134, Order A62391

1шт.

68

A58195

STUD

5/8" N.C. x 3-1/2"

2шт.

69

193-34

LOCK WASHER,Int Tooth, 5/8"

2шт.

70

25-1010

NUT,5/8"-11, G5

2шт.

71

A58194

STUD, 1/2" N.C. x 3-1/8"

2шт.

72

193-32

LOCK WASHER,Int Tooth, 1/2"

2шт.

73

25-108

NUT,1/2"-13, G5

Hex

2шт.

Выбрано товаров: 39