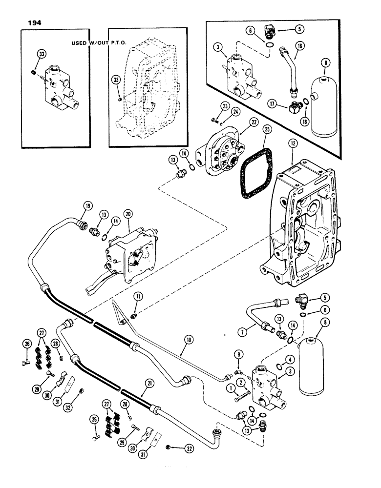
Запчасти Case IH 1070 (194) - HYDRAULIC SYSTEM, POWER SHIFT (08) - HYDRAULICS

Схема запчастей Case IH 1070 - (194) - HYDRAULIC SYSTEM, POWER SHIFT (08) - HYDRAULICS
8
23
6
13
14
27
14
12
8
33
13
24
18
29
32
28
21
17
5
7
22
20
29
14
27
32
10
9
26
19
33
26
1
30
3
16
13
2
30
16
28
31
31
14
3
11
5
25
6
4
FIT
1:1
100%

Артикул

Название

Примечание

Количество

1

13-644

BOLT,Hex, 3/8" - 16 x 2-3/4", Gr 5

3шт.

2

92-6

LOCK WASHER,3/8"

3шт.

3

A65670

VALVE

ASSY, "Case" flow divider and PTO control, See Figure 200

1шт.

4

F62075

O-RING,0.139" Thk x 0.734" ID, -210, Cl 5, 75 Duro

"Case" flow divider and PTO control valve and trans. case sump, 1 x 3/4 x 1/8"

1шт.

5

218-5108

ELBOW,90 Degree Elbow, 1-1/16" - 12 Male JIC x 1-1/16" - 12 Male ORB

Assy, adjustable w/ o-ring and locknut, 3/4" tube O.D. x 1-1/16" P.T., Incl. Ref. 6

2шт.

6

218-5008

O-RING,0.116" Thk x 0.924" ID, -912, Cl 6, 90 Duro

1шт.

7

A61779

TUBE

Filter to valve, 1st used trac. S/N 8675001

1шт.

8

A60766

SPROCKET

SPARE PART FILTER ASSY. hyd. oil, See Figure 126

1шт.

9

218-533

ELBOW,45 Degree, 9/16-18" 37 Degree x 1/4"-18, NPTF

Male (3/8" tube), used w/ PTO

1шт.

10

A60289

TUBE

1шт.

11

218-443

HYD CONNECTOR,9/16" - 18 Male JIC x 1/4" - 18 Male NPTF

Straight, 3/8" tube O.D. x 1/4" P.T., used w/ PTO

1шт.

12

A59028

HOUSING

PTO and hyd. pump, See Figure 178

1шт.

13

218-5064

HYD CONNECTOR,1-1/16" - 12 Male JIC x 1-1/16" - 12 Male ORB

ASSY, straight, w/ o-ring, 3/4" tube O.D. x 1-1/16" P.T., Incl. Ref. 14

4шт.

14

218-5008

O-RING,0.116" Thk x 0.924" ID, -912, Cl 6, 90 Duro

1шт.

16

A60858

SPARE PART Filter to valve, used prior to trac. S/N 8675001

1шт.

17

218-5108

ELBOW,90 Degree Elbow, 1-1/16" - 12 Male JIC x 1-1/16" - 12 Male ORB

Assy, adjustable, Incl. Ref. 18

1шт.

18

218-5008

O-RING,0.116" Thk x 0.924" ID, -912, Cl 6, 90 Duro

1шт.

19

A61861

TUBE ASSY.

Dual remote valve to "Case" flow divider and PTO control valve, Replaces A61080 and A60293

1шт.

20

REF

INSTRUCTION

VALVE ASSY. dual remote, See Figures 204 and 206

1шт.

21

A61859

TUBE ASSY.

"Case" flow divider and PTO control valve to hyd. pump, Replaces A61078 and A60291

1шт.

22

REF

INSTRUCTION

PUMP ASSY. hyd. dual, See Figure 202

1шт.

23

13-620

BOLT,Hex, 3/8" - 16 x 1-1/4", Gr 5, Full Thd

6шт.

24

92-6

LOCK WASHER,3/8"

6шт.

25

A32096

GASKET

Hydraulic dual pump

1шт.

26

13-518

BOLT,Hex, 5/16" - 18 x 1-1/8", Gr 5

Used w/ and w/o PTO

4шт.

27

A60862

CLAMP

Tube, used w/ and w/o PTO

4шт.

28

9635082

NUT,5/16" - 18, Gr 5

Used w/ and w/o PTO

4шт.

29

13-512

BOLT,Hex, 5/16" - 18 x 3/4", Gr 5

Used w/ PTO

2шт.

30

A61272

CLAMP

Tube, used with PTO, Replaces A60863

2шт.

31

A60864

PLATE

Mounting, tube clamp, used w/ PTO

2шт.

32

9635082

NUT,5/16" - 18, Gr 5

Used w/ PTO

2шт.

33

217-433

PLUG,Hex Soc, 1/4" - 18 NPTF

Pipe, gal. steel, used w/o PTO

2шт.

Выбрано товаров: 32