Запчасти Case IH 1070 (008) - WATER PUMP AND ATTACHING PARTS, (451B) DIESEL ENGINE (02) - ENGINE

Схема запчастей Case IH 1070 - (008) - WATER PUMP AND ATTACHING PARTS, (451B) DIESEL ENGINE (02) - ENGINE
31
9
20
8
30
21
27
7
16
2
19
34
1
26
5
17
33
4
32
35
10
6
12
11
3
13
18
15
FIT
1:1
100%

Артикул

Название

Примечание

Количество

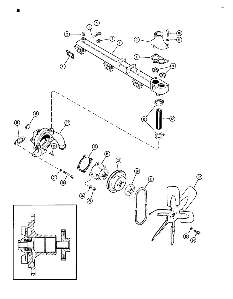
1

A60528

TUBE

MANIFOLD water, Order A44088

1шт.

2

221-4

DRAIN PLUG,Sq Hd, 1/2"-14 NPTF

PLUG pipe, 1/2" sq. hd.

1шт.

3

221-1845

DRAIN PLUG,Hex Soc, 3/4"-14, NPTF

PLUG pipe, 3/4" hex. sckt. hd.

3шт.

4

A58637

MANIFOLD GASKET

water manifold

3шт.

5

13-624

BOLT,Hex, 3/8" - 16 x 1-1/2", Gr 5

3/8 x 1-1/2" N.C. hex.

3шт.

5

413-632

BOLT,Hex, 3/8" - 16 x 2", Gr 5

3шт.

6

92-6

LOCK WASHER,3/8"

6шт.

7

A58638

HOUSING

thermostat

1шт.

8

A58639

GASKET

thermostat housing

1шт.

9

A57641

THERMOSTAT

2шт.

10

13-618

BOLT,Hex, 3/8" - 16 x 1-1/8", Gr 5

3шт.

11

92-6

LOCK WASHER,3/8"

3шт.

12

A58737

HOSE,30.99mm ID x 134.62mm L, SAE 20R4

water pump by-pass, 1-1/4" I.D. x 5-5/16"

1шт.

13

214-256

HOSE CLAMP,#20, 0.81" - 1.75", Type F Worm

CLAMP by-pass hose, 1-3/16 to 1-3/4"

2шт.

15

A58738

WATER PUMP

PUMP ASSY. water, Order A62972

1шт.

16

A58646

GASKET

, Serial Range: pump-body

1шт.

17

A58779

HOUSING

BODY ASSY. water pump, Includes Ref. 18

1шт.

18

A58568

PLUG,Cup, 1 3/8", Stainless

1-3/8" cup type

1шт.

19

A58649

GASKET

, Serial Range: body-block

1шт.

20

13-618

BOLT,Hex, 3/8" - 16 x 1-1/8", Gr 5

4шт.

21

92-6

LOCK WASHER,3/8"

4шт.

25

A62234

STUD

pump to body, 3/8" N. C. x 1-5/16"

4шт.

26

193-30

LOCK WASHER,Int Tooth, 3/8"

WASHER, LOCK, Int Tooth, 3/8"

4шт.

27

25-146

JAM NUT,Jam, 3/8"-16, G5

jam, 3/8" N. C. hex.

4шт.

30

A61268

BUSHING

SPACER fan, 1" wide

1шт.

30

A61283

BUSHING

SPACER fan, 3/4" wide

1шт.

30

A58745

SPACER

fan, 9/16" wide

1шт.

31

A58837

PULLEY

fan driven

1шт.

32

A61520

FAN

w/ air conditioner

1шт.

32

A15519

FAN

w/o air conditioner

1шт.

33

A65143

V-BELT,0.69" W x 58.25" L

V-BELT, , Drive, Fan and Pump, Fan, Replaces A59763 0.69" W x 58.25" L

1шт.

34

413-632

BOLT,Hex, 3/8" - 16 x 2", Gr 5

Used w/ A61268 spacer Hex, 3/8"-16 x 2", G5

4шт.

34

13-628

BOLT,Hex, 3/8" - 16 x 1-3/4", Gr 5

Used w/ A61283 spacer Hex, 3/8"-16 x 1 3/4", G5

4шт.

34

13-626

BOLT,Hex, 3/8" - 16 x 1-5/8", Gr 5

(Used w/A58745 spacer) Hex, 3/8"-16 x 1 5/8", G5

4шт.

35

92-6

LOCK WASHER,3/8"

4шт.

Выбрано товаров: 0