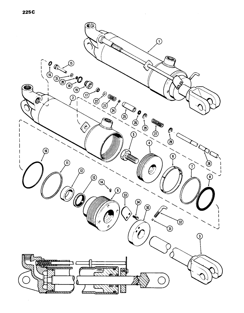
Запчасти Case IH 1070 (225C) - G31945 REMOTE HYDRAULIC CYLINDER, 4" BORE X 8" STROKE WITH HYDRAULIC LIMIT STOP (09) - CHASSIS/ATTACHMENTS

Схема запчастей Case IH 1070 - (225C) - G31945 REMOTE HYDRAULIC CYLINDER, 4" BORE X 8" STROKE WITH HYDRAULIC LIMIT STOP (09) - CHASSIS/ATTACHMENTS
34
12
22
4
9
30
11
8
7
3
15
2
28
10
19
24
20
26
25
31
17
23
16
21
27
6
1
29
14
32
18
29
33
5
13
FIT
1:1
100%

Артикул

Название

Примечание

Количество

1

G31945

HYDRAULIC CYLINDER

CYLINDER ASSY. hydraulic, Replaces A34923, Order G33769, Figure 225A, Inlcudes Ref. 2 - 31

1шт.

2

G31942

HYD TUBE,15.15" L

TUBE cylinder

1шт.

3

G32072

ROD

piston, Order (1) G33772 rod, (1) G33774 pistons and (1) G34773 gland

1шт.

4

G31923

PISTON cylinder

1шт.

5

328-1232

BOLT,Hex, 3/4" - 16 x 2", Gr 8

1шт.

6

G31927

RING

wear, piston, nylon

1шт.

Part of cylinder repair kit P/N G31946

1шт.

7

G31928

RING

seal, piston, teflon

1шт.

Part of cylinder repair kit P/N G31946

1шт.

8

G15457

O-RING,0.139" Thk x 3.484" ID, -238, Cl 5, 75 Duro

3-1/2 x 3-3/4 x 1/8"

1шт.

Part of cylinder repair kit P/N G31946

1шт.

9

G31981

GLAND

packing, piston rod, Order G32796

1шт.

10

A27507

O-RING,0.139" Thk x 3.984" ID, -242, Cl 5, 75 Duro

4 x 4-1/4 x 1/8"

1шт.

Part of cylinder repair kit P/N G31946

1шт.

11

G32176

BACK-UP RING,101.22mm ID x 107.32mm OD x 1.4mm Thk

1шт.

Part of cylinder repair kit P/N G31946

1шт.

12

D36969

CUP

SEAL piston rod, 1-1/2 x 2 x 7/16"

1шт.

Part of cylinder repair kit P/N G31946

1шт.

13

D95142

WIPER SEAL,1.5" ID x 2" OD x 0.31" Thk

SCRAPER piston rod, 1-1/2 x 2 x 5/16"

1шт.

Part of cylinder repair kit P/N G31946

1шт.

14

187-1031

SELF-TAP SCREW,Pan, 0.164"-32 x 1/4"

SCREW self-tapping, no. 8-32 x 1/4" rd. hd. sltd.

1шт.

15

G31943

PLUNGER

valve

1шт.

16

G32070

O-RING,0.103" Thk x 0.424" ID, -11, Cl 6, 90 Duro

27/64 x 5/8 x 3/32"

1шт.

Part of cylinder repair kit P/N G31946

1шт.

17

G31932

WIPER SEAL

SEAL wiper, 3/16 x 1/2 x 1/8"

1шт.

Part of cylinder repair kit P/N G31946

1шт.

19

G31933

GLAND

valve assy, Includes Ref. 20 and 21

1шт.

20

G31935

O-RING,0.174" ID x 0.377" OD

11/64 x 3/8 x 7/64"

1шт.

Part of cylinder repair kit P/N G31946

1шт.

21

G31948

WASHER

13/64 x 13/32 x 1/16"

1шт.

22

G31929

WASHER

spring backing, 7/32 x 5/8 x 1/16"

1шт.

23

G31980

SPRING

plunger return, 1" free length

1шт.

24

49485

SNAP RING,#X18, .122" Dia, E-Type

Ring, Retaining, #X18, .122" Dia, E-Type

1шт.

25

G32427

SLEEVE

protector

1шт.

26

8613

FITTING

O-RING, 7/16 x 9/16 x 1/16"

1шт.

Part of cylinder repair kit P/N G31946

1шт.

27

G31934

SPRING

rod return, 2-5/16" free length

1шт.

28

G32428

ROD

push

1шт.

29

G32429

RING

retaining, "Y" type

2шт.

30

G32074

COLLAR

stop, Order (1) G34977 bolt, (1) G34979 plug and (1) G34980 collar

1шт.

31

G32076

PLUG

locking

1шт.

32

G32077

BOLT

hook

1шт.

33

G32075

PLATE

stop

1шт.

31

13-48

BOLT,Hex, 1/4" - 20 x 1/2", Gr 5

2шт.

G31946

KIT

cylinder repair, Includes Ref. 6, 7, 8, 10 - 13, 16, 17, 18, 20 and 26

1шт.

18

218-5006

O-RING,0.087" Thk x 0.644" ID, -908, Cl 6, 90 Duro

1/2 x 21/32 x 3/32"

1шт.

Part of cylinder repair kit P/N G31946

1шт.

Выбрано товаров: 0