Запчасти Case IH 1070 (284) - RADIO (09) - CHASSIS/ATTACHMENTS

Схема запчастей Case IH 1070 - (284) - RADIO (09) - CHASSIS/ATTACHMENTS
5
11
11
2
22
12
4
10
6
3
21
8
20
10
15
13
23
1
14
16
24
7
FIT
1:1
100%

Артикул

Название

Примечание

Количество

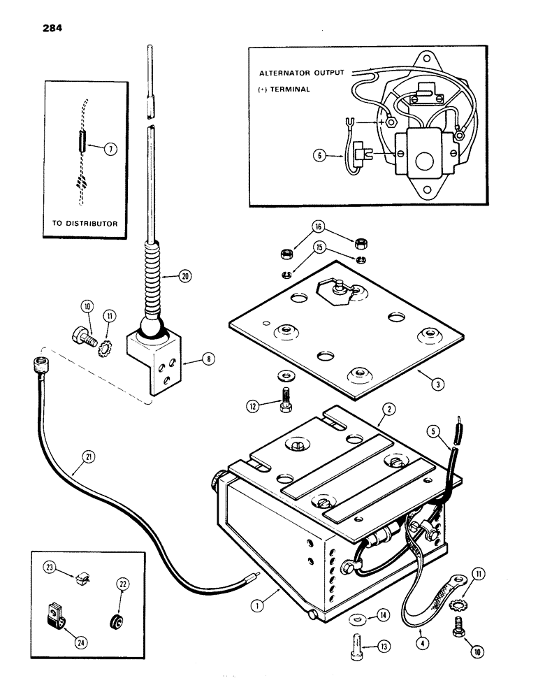
A62456

RADIO

KIT radio, Replaces A61804 and A61805, for complete installation also Order A62457 antenna kit, Includes Ref. 1 - 16

1шт.

1

NSS

NOT SOLD SEPARAT

RADIO w/ speaker

1шт.

2

NSS

NOT SOLD SEPARAT

PLATE mounting, w/ bolts

1шт.

3

NSS

NOT SOLD SEPARAT

PLATE roof mounting adapter

1шт.

4

NSS

NOT SOLD SEPARAT

STRAP ground

1шт.

5

NSS

NOT SOLD SEPARAT

WIRE lead in, hot, 60"

1шт.

6

NSS

NOT SOLD SEPARAT

CAPACITOR alternator

1шт.

7

NSS

NOT SOLD SEPARAT

SUPPRESSOR distributor, not used diesel models

1шт.

8

NSS

NOT SOLD SEPARAT

BRACKET antenna mounting

1шт.

NSS

NOT SOLD SEPARAT

PADS shock, rubber

4шт.

10

187-1036

SELF-TAP SCREW,Hex Washer, 1/4" - 20 x 1/2"

SCREW antenna brkt. and ground strap, 1/4 x 1" hex.

4шт.

11

193-73

LOCK WASHER,Ext-Int Tooth, 1/4"

WASHER shakeproof, 1/4" int./ext.

4шт.

12

13-410

BOLT,Hex, 1/4" - 20 x 5/8", Gr 5, Full Thd

Adapter plate Hex, 1/4"-20 x 5/8", G5, Full Thd

2шт.

13

13-416

BOLT,Hex, 1/4" - 20 x 1", Gr 5

Adapter plate Hex, 1/4"-20 x 1", G5

2шт.

14

95-4

WASHER,1/4"

5/16 x 3/4 x 1/16"

4шт.

15

92-4

LOCK WASHER,1/4"

WASHER, LOCK, 1/4"

4шт.

16

25-104

NUT,1/4"-20, G5

4шт.

A62457

ANTENNA

KIT antenna, Includes Ref. 20 - 24

1шт.

20

NSS

NOT SOLD SEPARAT

ANTENNA

1шт.

21

NSS

NOT SOLD SEPARAT

CABLE lead-in, 84" long

1шт.

22

A23870

GROMMET

antenna lead thru frame

1шт.

23

A62079

CLIP

antenna wire

5шт.

24

A20541

CLIP

antenna, Serial Range: wire-headliner

6шт.

Выбрано товаров: 23