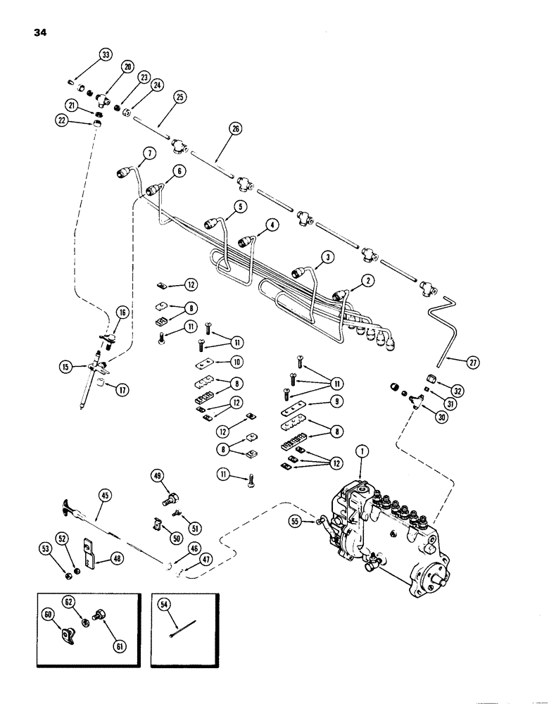
Запчасти Case IH 1070 (034) - FUEL INJECTION SYSTEM, (451B) DIESEL ENGINE (03) - FUEL SYSTEM

Схема запчастей Case IH 1070 - (034) - FUEL INJECTION SYSTEM, (451B) DIESEL ENGINE (03) - FUEL SYSTEM
21
11
22
49
47
53
9
12
48
46
15
32
11
45
62
12
17
60
6
55
3
7
20
12
5
2
11
4
51
33
8
61
8
31
52
23
30
10
12
54
8
16
1
27
24
50
11
8
26
25
FIT
1:1
100%

Артикул

Название

Примечание

Количество

1

REF

INSTRUCTION

PUMP ASSY, fuel injection, See Figure 38

1шт.

2

A58702

TUBE

ASSY, fuel injection, no. 1 cylinder

1шт.

3

A58703

TUBE

ASSY, fuel injection, no. 2 cylinder

1шт.

4

A58704

TUBE

ASSY, fuel injection, no. 3 cylinder

1шт.

5

A58705

TUBE

ASSY, fuel injection, no. 4 cylinder

1шт.

6

A58706

TUBE

ASSY, fuel injection, no. 5 cylinder

1шт.

7

A58707

TUBE

ASSY, fuel injection, no. 6 cylinder

1шт.

8

A58709

BRACKET

Injection tube

14шт.

9

A58708

PLATE

Injection tube bracket, 6 line

1шт.

10

A58710

PLATE

Injection tube bracket, 4 line

1шт.

11

63-41016

SCREW,HWH, #10 - 24 x 1"

Mach, no. 10 x 1" N.C. rd. hd., Replaces 173-102

7шт.

12

131-612

SPRING NUT,Flat, #10 - 24, 0.022" Thk

7шт.

15

REF

INSTRUCTION

NOZZLE ASSY, fuel injection, See Figure 35A

6шт.

16

A58695

CLAMP

ASSY, nozzle

6шт.

17

A58696

SPACER

SPACER nozzle clamp

6шт.

20

A58960

TEE,1/2" - 25 NPT x 1/2" - 25 NPT x 9/16" - 24 NPT

CAP ASSY, nozzle leak-off

6шт.

21

A58962

GROMMET,9.14mm ID x 12.82mm OD x 5.28mm Thk

Cap

6шт.

22

A58961

NUT

Cap

6шт.

23

222-102

SLEEVE,1/4" Tube

12шт.

24

87017024

TUBE NUT,1/2"-24

For 1/4" tube

12шт.

25

A58965

TUBE

Leak-off, 4-5/8" long

3шт.

26

A58964

TUBE

Leak-off, 5-5/8" long

2шт.

27

A58963

TUBE

Leak-off, no. 1, Serial Range: nozzle-valve

1шт.

30

A59097

VALVE

Leak-off check, in injection pump, Includes Ref. 31 and 32

1шт.

31

222-102

SLEEVE,1/4" Tube

2шт.

32

87017024

TUBE NUT,1/2"-24

For 1/4" tube

2шт.

33

47-47

RIVET,FH, 1/4" x 7/16"

Leak-off tee, Replaces A38159

1шт.

45

A62113

CONTROL

Flexible stop

1шт.

46

193-68

LOCK WASHER,Int Tooth, 3/8"

1шт.

47

129-63

NUT, 3/8" N.C. hex., jam

1шт.

48

A62098

BRACKET

Mounting, stop cable

1шт.

49

13-616

BOLT,Hex, 3/8" - 16 x 1", Gr 5, Full Thd

1шт.

50

B51765

CLIP

Cable

1шт.

51

173-274

SCREW,Sl Rnd Hd, #8 - 32 x 1/2"

1шт.

52

192-16

LOCK WASHER,Helical Spring, #8, 0.17" ID, CST, ZND

1шт.

53

129-16

NUT,#8-32

1шт.

54

L411541

STRAP cable, nylon

2шт.

55

A59101

PIVOT

Stop control

1шт.

60

A59768

SPARE PART Stop cable, used prior to S/N 2310064, for repairs Order (1) A62095, (1) B51765, (1) 13-616, (1) 173-274, (1) 192-16, (1) 129-16 and (1) L11541

1шт.

61

13-610

BOLT,Hex, 3/8" - 16 x 5/8", Gr 5, Full Thd

1шт.

62

92-6

LOCK WASHER,3/8"

1шт.

Выбрано товаров: 41