Запчасти Case IH 1070 (0204) - A66604 STEERING ACTUATOR, WITH ADJUSTABLE FRONT AXLE, USED TRACTOR SERIAL NUMBER 8741587 TO 8757256 (05) - STEERING

Схема запчастей Case IH 1070 - (0204) - A66604 STEERING ACTUATOR, WITH ADJUSTABLE FRONT AXLE, USED TRACTOR SERIAL NUMBER 8741587 TO 8757256 (05) - STEERING
6
31
5
12
26
22
34
30
23
18
25
38
9
15
8
3
17
33
37
2
32
13
7
24
4
28
21
14
29
11
27
35
10
16
36
1
FIT
1:1
100%

Артикул

Название

Примечание

Количество

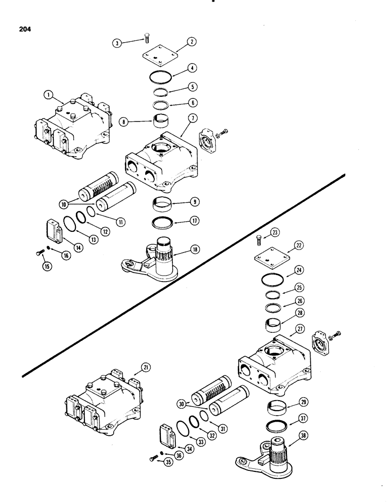
1

A66604

ACTUATOR

ASSY - steering, Includes: Ref. 2 - 18

1шт.

2

A60218

COVER

- top, housing

1шт.

3

13-824

BOLT,Hex, 1/2" - 13 x 1-1/2", Gr 5, Full Thd

4шт.

4

A60219

SEALING RING

O-RING - cover seal, 4 x 4-17/64 x 9/64"

1шт.

Included w/ SEAL KIT, A42399

1шт.

5

A60216

SNAP RING,#250, Ext

Ring, Snap, , spindle #250, Ext

1шт.

6

A60215

WASHER

- thrust, spindle

1шт.

7

A60209

HOUSING

ASSY - actuator, Includes: Ref. 8 and 9

1шт.

8

A60210

BUSHING

- top, 2-1/2 x 2-11/16 x 1-23/64"

1шт.

9

A60211

BUSHING

- bottom, 3-1/4 x 3-7/16 x 1-5/32"

1шт.

10

A64908

PISTON

- actuator (Replaces A59285)

2шт.

11

A60212

O-RING

- piston, 1-5/16 x 2-1/8 x 3/32"

4шт.

Included w/ SEAL KIT, A42399

1шт.

12

A60213

RING

- seal, piston

4шт.

Included w/ SEAL KIT, A42399

1шт.

13

T11032

O-RING,0.139" Thk x 2.859" ID, -233, Cl 5, 75 Duro

- cover seal, 2-7/8 x 3-1/8 x 1/8"

4шт.

Included w/ SEAL KIT, A42399

1шт.

14

A66605

COVER

- end

4шт.

15

13-622

BOLT,Hex, 3/8" - 16 x 1-3/8", Gr 5

- 3/8 x 1-3/8" NC hex

16шт.

16

92-6

LOCK WASHER,3/8"

16шт.

17

A57658

OIL SEAL

- oil, spindle (3-1/4 x 4-1/4 x 3/8")

1шт.

Included w/ SEAL KIT, A42399

1шт.

18

A66466

STEERING KNUCKLE

SPINDLE - actuator

1шт.

A42399

SEAL

KIT - actuator, Includes: Ref. 4, 11 - 13 and 17

1шт.

21

A66494

ACTUATOR

ASSY - complete STEERING WITH ADJUSTABLE FRONT AXLE USED TRAC SER NOS. 8726609 TO 8741587, Includes: Ref. 22 - 38

1шт.

22

A60218

COVER

- top, housing A66494 STEERING ACTUATOR WITH ADJUSTABLE FRONT AXLE USED TRAC SER NOS. 8726609 TO 8741587

1шт.

23

13-824

BOLT,Hex, 1/2" - 13 x 1-1/2", Gr 5, Full Thd

A66494 Steering actuator with adjustable front axle used tractor S/N's 8726609 to 8741587 Hex, 1/2"-13 x 1 1/2", G5, Full Thd

4шт.

24

A60219

SEALING RING

O-RING - cover seal, 4 x 4-17/64 x 9/64" A66494 STEERING ACTUATOR WITH ADJUSTABLE FRONT AXLE USED TRAC SER NOS. 8726609 TO 8741587

1шт.

Included w/ SEAL KIT, A42399

1шт.

25

A60216

SNAP RING,#250, Ext

Ring, Snap, , spindle, A66494 steering actuator with adjustable front axle, used trac ser nos. 8726609 to 8741587 #250, Ext

1шт.

26

A60215

WASHER

- thrust spindle A66494 STEERING ACTUATOR WITH ADJUSTABLE FRONT AXLE USED TRAC SER NOS. 8726609 TO 8741587

1шт.

27

A60209

HOUSING

- actuator A66494 STEERING WITH ADJUSTABLE FRONT AXLE USED TRAC SER NOS. 8726609 TO 8741587, Includes: Ref. 28 and 29

1шт.

28

A60210

BUSHING

- top, 2-1/2 x 2-11/16 x 1-23/64" A66494 STEERING ACTUATOR WITH ADJUSTABLE FRONT AXLE USED TRAC SER NOS. 8726609 TO 8741587

1шт.

29

A60211

BUSHING

- bottom, 3-1/4 x 3-7/16 x 1-5/32" A66494 STEERING ACTUATOR WITH ADJUSTABLE FRONT AXLE USED TRAC SER NOS. 8726609 TO 8741587

1шт.

30

A64908

PISTON

- actuator (Replaces A59285) A66494 STEERING WITH ADJUSTABLE FRONT AXLE USED TRAC SER NOS. 8726609 TO 8741587

2шт.

31

A60212

O-RING

- piston, 1-5/16 x 2-1/8 x 3/32" A66494 STEERING ACTUATOR WITH ADJUSTABLE FRONT AXLE USED TRAC SER NOS. 8726609 TO 8741587

4шт.

Included w/ SEAL KIT, A42399

1шт.

32

A60213

RING

- seal, pistonA66494 STEERING ACTUATOR WITH ADJUSTABLE FRONT AXLE USED TRAC SER NOS. 8726609 TO 8741587

4шт.

Included w/ SEAL KIT, A42399

1шт.

33

T11032

O-RING,0.139" Thk x 2.859" ID, -233, Cl 5, 75 Duro

- cover seal, 2-7/8 x 3-1/8 x 1/8" A66494 STEERING ACTUATOR WITH ADJUSTABLE FRONT AXLE USED TRAC SER NOS. 8726609 TO 8741587

4шт.

Included w/ SEAL KIT, A42399

1шт.

34

A59533

COVER

- end A66494 STEERING ACTUATOR WITH ADJUSTABLE FRONT AXLE USED TRAC SER NOS. 8726609 TO 8741587

4шт.

35

13-622

BOLT,Hex, 3/8" - 16 x 1-3/8", Gr 5

- 3/8 x 1-3/8" NC hex A66494 STEERING ACTUATOR WITH ADJUSTABLE FRONT AXLE USED TRAC SER NOS. 8726609 TO 8741587

16шт.

36

92-6

LOCK WASHER,3/8"

A66494 steering actuator with adjustable front axle used trac ser nos. 8726609 to 8741587 3/8"

16шт.

37

A57658

OIL SEAL

- oil, spindle (3-1/4 x 4-1/4 x 3/8") A66494 STEERING ACTUATOR WITH ADJUSTABLE FRONT AXLE USED TRAC SER NOS. 8726609 TO 8741587

1шт.

Included w/ SEAL KIT, A42399

1шт.

38

A66466

STEERING KNUCKLE

SPINDLE - actuator A66494 STEERING WITH ADJUSTABLE FRONT AXLE USED TRAC SER NOS. 8726609 TO 8741587

1шт.

A42399

SEAL

KIT - actuator, Includes: Ref. 24, 31 - 33 and 37 A66494 STEERING WITH ADJUSTABLE FRONT AXLE USED TRAC SER NOS. 8726609 TO 8741587

1шт.

Выбрано товаров: 48