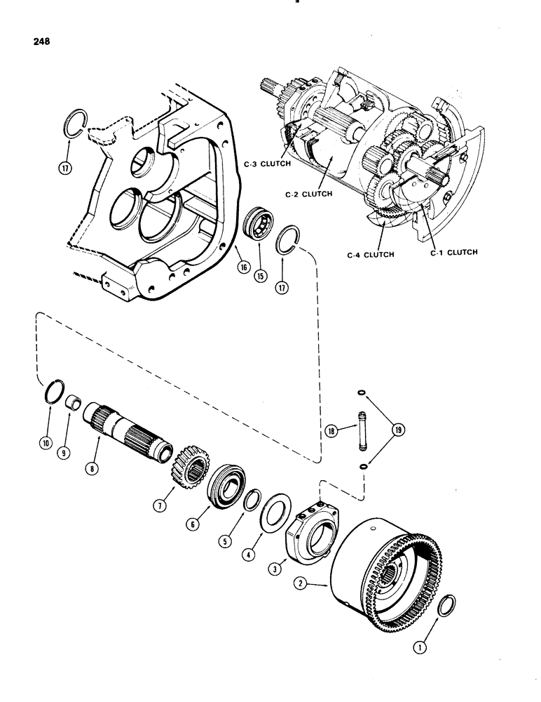
Запчасти Case IH 1070 (0248) - CLUTCH, PLANETARY OUTPUT, POWER SHIFT, 1ST USED TRACTOR SERIAL NUMBER 8772549 (06) - POWER TRAIN

Схема запчастей Case IH 1070 - (0248) - CLUTCH, PLANETARY OUTPUT, POWER SHIFT, 1ST USED TRACTOR SERIAL NUMBER 8772549 (06) - POWER TRAIN
19
5
4
1
6
16
2
18
17
3
10
8
9
17
15
7
FIT
1:1
100%

Артикул

Название

Примечание

Количество

1

A27089

SNAP RING,2.36mm Thk, Ext

RING - snap, hub

1шт.

2

NSS

NOT SOLD SEPARAT

CLUTCH PACK - (C-2 & C-3 clutch) (See Fig. 254)

1шт.

3

A61676

COVER ASSY

COVER - oil distributor

1шт.

4

A64764

GUARD

SHIELD - oil, planetary output shaft center bearing

1шт.

5

A27089

SNAP RING,2.36mm Thk, Ext

RING - gear, planetary output shaft

1шт.

6

A58098

BALL BEARING,1.9685" ID x 4.58" OD x 1.063"

BEARING - ball, oil shield

1шт.

7

A148542

GEAR

- drive, pinion (Replaces A62128)

1шт.

8

A66807

SHAFT

ASSY. - planetary output drive

1шт.

(9.545")

1шт.

9

A65421

BUSHING,28.57mm ID x 35.81mm OD x 19.05mm L

- planetary output shaft

1шт.

10

A58100

SNAP RING,#215, 2.026", Ext

RING - snap, planetary output drive gear retaining

1шт.

15

A32751

BEARING ASSY,43.96mm ID x 72mm OD x 26.99mm W

BEARING - roller, planetary shaft rear

1шт.

16

A61181

CASE ASSY. - transmission

1шт.

17

A28153

RING

- snap, planetary shaft rear bearing

2шт.

18

A61677

TUBE

- oil

1шт.

19

D31409

O-RING,0.07" Thk x 0.489" ID, -14, Cl 6, 90 Duro

- oil tube (See A46286 kit, Fig. 254)

2шт.

Выбрано товаров: 16