Запчасти Case IH 1070 (0264) - RANGE SHIFT LINKAGE, POWER SHIFT (06) - POWER TRAIN

Схема запчастей Case IH 1070 - (0264) - RANGE SHIFT LINKAGE, POWER SHIFT (06) - POWER TRAIN
28
2
13
27
15
5
26
1
23
16
12
3
14
22
8
32
25
9
21
29
30
4
31
6
15
7
11
10
24
16
20
FIT
1:1
100%

Артикул

Название

Примечание

Количество

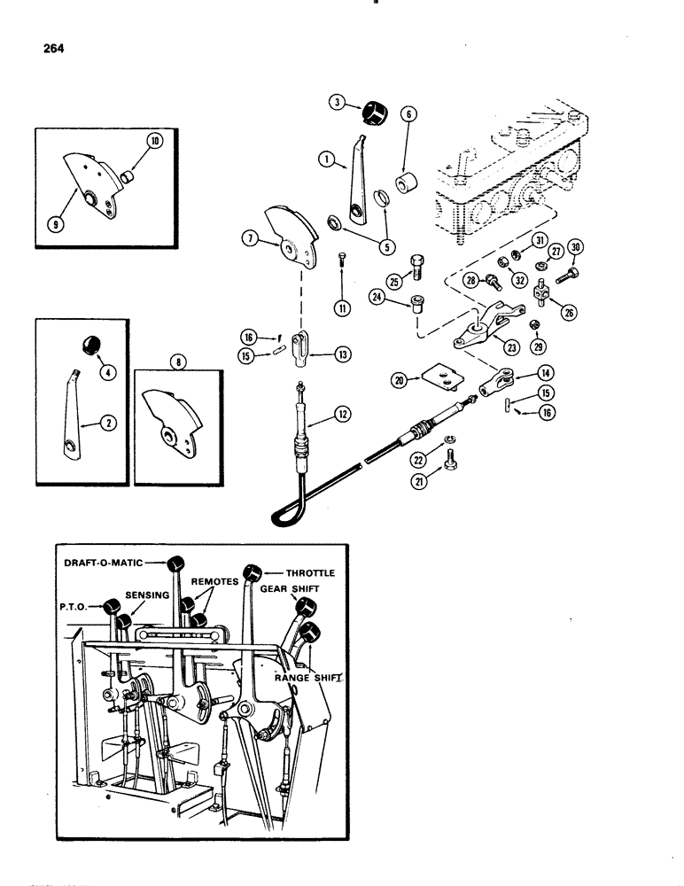
1

A137815

LEVER

- hand, range shift (Replaces A59661)

1шт.

2

A59661

LEVER

- hand, range shift (Order A137816 lever & A137806 knob)

1шт.

3

A137806

KNOB

- shift lever (rubber)

1шт.

4

A65699

KNOB

- shift lever (plastic) (Order A137806)

1шт.

5

A59662

WASHER

- range shift lever

2шт.

6

A59664

SPACER

- range shift lever shaft

1шт.

7

A143835

QUADRANT

- range shift lever (1st used trac ser no. 8804051)

1шт.

8

A135383

QUADRANT

- range shift lever (Used trac ser nos., Serial Range: 8753836-8804051)

1шт.

9

A61862

QUADRANT

- range shift lever (Used prior to trac ser no. 8753836), Includes: Ref. 10

1шт.

10

A59429

BUSHING,15.95mm ID x 19.13mm OD x 12.83mm L

- quadrant

1шт.

11

A59463

BOLT

- control lever stop

2шт.

12

A60660

CABLE

- range control, 28"

1шт.

13

A60661

YOKE

- range cable, upper

1шт.

14

A60663

YOKE

- range cable, lower

1шт.

15

141-4

CLEVIS PIN,3/8" x 1.060"

PIN, CLEVIS, 3/8" x 1.060"

2шт.

16

132-26

COTTER PIN

Pin, Split (Cotter), 3/32" x 3/4"

2шт.

20

A60662

BRACKET

- range cable

1шт.

21

13-612

BOLT,Hex, 3/8" - 16 x 3/4", Gr 5, Full Thd

2шт.

22

92-6

LOCK WASHER,3/8"

2шт.

23

A59771

LEVER

- operating, range spool

1шт.

24

A59772

BUSHING

- lever

1шт.

25

13-824

BOLT,Hex, 1/2" - 13 x 1-1/2", Gr 5, Full Thd

1шт.

26

A59150

LINK

- range spool operating

1шт.

27

A59773

RING

- range link

1шт.

28

A59774

ADJUSTMENT SCREW,5/16" - 18 x 1 3/8", Mild Steel

SCREW - adjusting, range spool

1шт.

29

25-145

JAM NUT,Jam, 5/16"-18, G5

- 5/16" NC hex, jam

1шт.

30

13-420

BOLT,Hex, 1/4" - 20 x 1-1/4", Gr 5

1шт.

31

92-4

LOCK WASHER,1/4"

WASHER, LOCK, 1/4"

1шт.

32

25-104

NUT,1/4"-20, G5

1шт.

Выбрано товаров: 0