Запчасти Case IH 1070 (0292) - SLIDING GEAR SHAFT, POWER SHIFT (06) - POWER TRAIN

Схема запчастей Case IH 1070 - (0292) - SLIDING GEAR SHAFT, POWER SHIFT (06) - POWER TRAIN
2
5
14
16
7
10
12
13
8
11
1
15
4
11
9
13
4
6
12
3
FIT
1:1
100%

Артикул

Название

Примечание

Количество

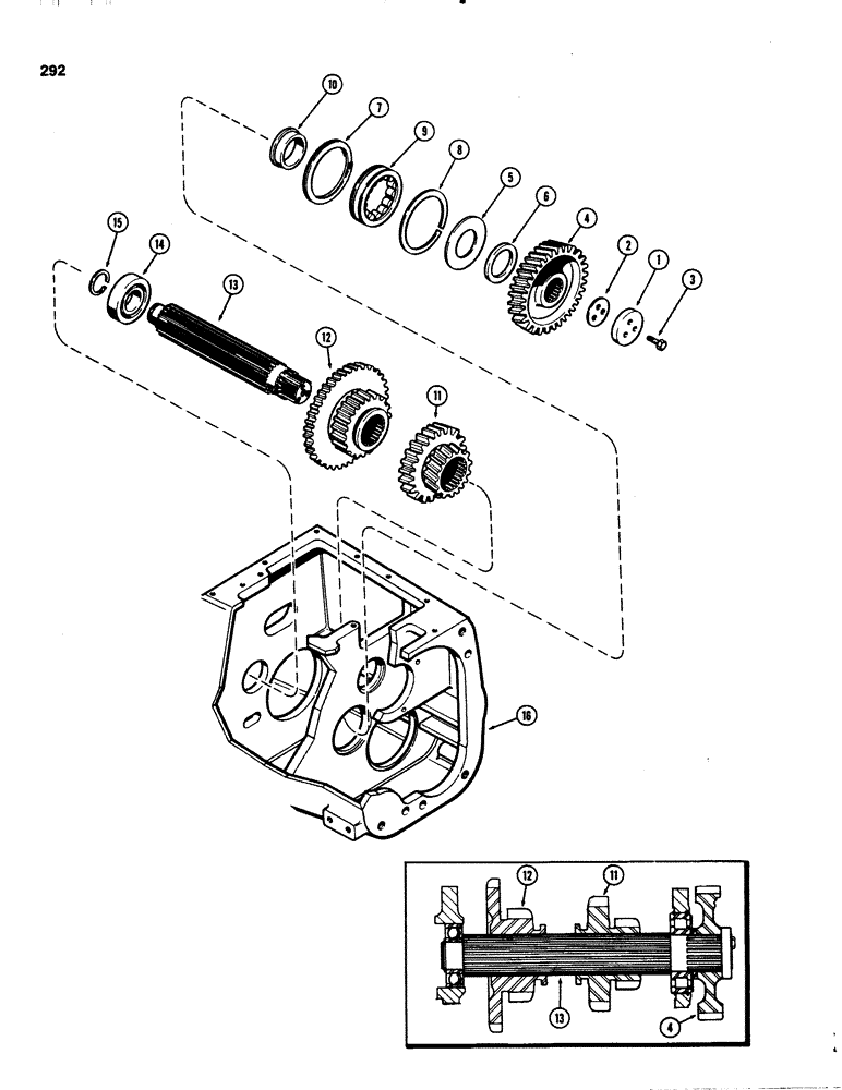
1

A62601

PLATE

- end, shaft

1шт.

2

A62727

SHIM,.005" Thk

Plate .005" Thk

1шт.

2

A62726

SHIM,.007" Thk

Plate .007" Thk

1шт.

3

113-2248

PREV TORQUE BOLT,Locking, 3/8"-16 x 1 1/8", G8

BOLT - 3/8 x 1-1/8" N.C. hex., poly-loc

3шт.

4

A58032

GEAR

- input (44 teeth)

1шт.

5

A64763

GUARD

SHIELD - oil, bearing (Replaces A60562)

1шт.

6

A61119

PLATE

- bearing inner race

1шт.

7

A62593

RING

- snap, bearing race

1шт.

8

A32005

RING

- snap, bearing race

1шт.

9

A58028

BEARING ASSY,45mm ID x 100mm OD x 31mm W

BEARING - front roller, outer race

1шт.

10

A58027

BEARING CONE,1.7717" ID x 1.04"

BEARING - front roller, inner race

1шт.

11

A58026

GEAR

- cluster, 1st & 3rd (32 & 15 teeth)

1шт.

12

A62178

GEAR

- cluster, 2nd & 4th (21 & 32 teeth)

1шт.

13

A58024

SHAFT

- sliding gear

1шт.

14

A60561

BALL BEARING,34.99mm ID x 80mm OD x 21mm W

BEARING - ball, rear

1шт.

15

A21619

CIRCLIP

RING - snap, sliding gear shaft

1шт.

16

A61181

HOUSING - transmission

1шт.

Выбрано товаров: 17