Запчасти Case IH 1070 (0298) - COUNTERSHAFT, POWER SHIFT (06) - POWER TRAIN

Схема запчастей Case IH 1070 - (0298) - COUNTERSHAFT, POWER SHIFT (06) - POWER TRAIN
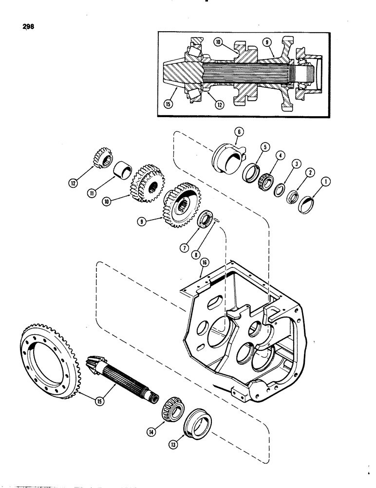
13
12
4
15
3
9
16
7
5
10
9
10
12
15
1
8
2
6
11
14
FIT
1:1
100%

Артикул

Название

Примечание

Количество

1

A58007

PLUG

- cup tupe, countershaft front bearing

1шт.

2

A60019

NUT

- lock, front bearing

1шт.

3

A28170

WASHER

- thrust, bearing

1шт.

4

A32764

ROLLER BEARING,1.875" ID x 1"

BEARING - tapered cone, front

1шт.

5

A32763

CUP

BEARING - tapered cup, front

1шт.

6

A61820

CARRIER

- front bearing

1шт.

7

A61115

NUT

- lock, coutershaft gear

1шт.

8

138-2053

PIN,1/4" x 1 1/4", Coiled

1шт.

9

A61894

GEAR

- 1st speed, driven (40 & 26 teeth)

1шт.

10

A58004

GEAR

- cluster, 2nd & 3rd speed, driven (34 & 26 teeth)

1шт.

11

A57561

GASKET

SPACER - countershaft gear

1шт.

12

A58003

GEAR

- 4th speed, driven (18 & 26 teeth)

1шт.

13

A34332

CUP

BEARING - tapered flange cup, rear

1шт.

14

A34333

CONE

BEARING - tapered cone, rear

1шт.

15

A64188

GEAR

SET - countershaft & ring gear (Replaces A34574)

1шт.

16

A61181

HOUSING - transmission

1шт.

Выбрано товаров: 16