Запчасти Case IH 1070 (0302) - DIFFERENTIAL (06) - POWER TRAIN

Схема запчастей Case IH 1070 - (0302) - DIFFERENTIAL (06) - POWER TRAIN
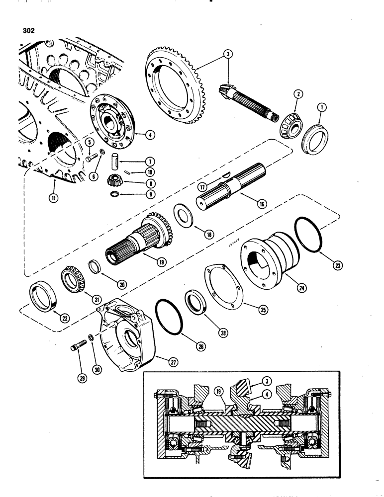
27
4
11
4
2
23
18
6
3
16
8
1
30
19
3
22
17
10
26
7
21
19
5
29
20
28
25
24
9
FIT
1:1
100%

Артикул

Название

Примечание

Количество

1

A34332

CUP

BEARING - tapered flange cup, countershaf, rear

1шт.

2

A34333

CONE

BEARING - tapered cone, countershaft, rear

1шт.

3

A64188

GEAR

SET - countershaft & ring gear (Replaces A33733)

1шт.

4

A142498

WHEEL

- center, differential (Replaces A33905) (1st used trans. ser. no. 2472166)

1шт.

4

A33905

WHEEL

- center, differential (Order A142498 wheel & 4-A64747 pins) (Used prior to trans. ser. no. 2472166)

1шт.

5

26-830

BOLT,Hex, 1/2" - 13 x 1-7/8", Gr 8

- 1/2 x 1-7/8" NC hex (Use with B17423)

12шт.

6

A150672

WASHER

- 17/32 x 7/8 x 1/8"

12шт.

B17423

LOCTITE

- high strength stud lock (50cc bottle)

1шт.

7

A64747

PIN

- diff. pinion gear (bronze) (Used w/A142498) (1st used trans. ser. no. 2472166)

4шт.

7

A62214

PIN

- diff. pionion gear (steel) (Used w/A33905) (Used prior to trans. ser. no. 2472166)

4шт.

8

A64746

GEAR

- pinion, differential bevel (Repl. A62988)

4шт.

9

A33539

WASHER

- thrust, differential pinion gear

4шт.

10

138-2019

PIN,5/16" x 7/8", Coiled

4шт.

11

A61181

HOUSING - transmission (Power shift)

1шт.

11

A58972

HOUSING - transmission (Mechanical shift)

1шт.

16

A62902

SHAFT

- differential

1шт.

17

126-51

WOODRUFF KEY,#TX, 3/8" x 2 3/4"

KEY - woodruff, 3/8 x 2-3/4"

1шт.

18

A148944

WASHER

- thrust, differential gear (2-1/2 x 3-57/64 x 13/64") (1st used trans. ser. no. 10040582) (Used w/148966)

1шт.

18

A62407

WASHER

- thrust, differential gear (2-1/2 x 3-57/64 x 3/16") (Used prior to trans. ser. no. 10040582) (Used w/64748)

1шт.

19

A148966

GEAR

ASSY. - diff side w/sleeve (Incl. Ref 20) (1st used trans. ser. no. 10040582)(Replaces A64748)

1шт.

19

A64748

GEAR

ASSY. - diff. side w/sleeve (Order 1-A148966 & 1-A148944) (Used prior to trans. ser. no. 10040582)

1шт.

20

41-1042

PLUG,Cup, 2 5/8"

- cup type

1шт.

21

A34340

ROLLER BEARING

BEARING - tapered cone, differential side gear

2шт.

22

A34343

BEARING CUP

BEARING - tapered cup, differential side gear

2шт.

23

A28183

O-RING,0.139" Thk x 6.234" ID, -259, Cl 5, 75 Duro

- 6-1/4 x 6-1/2 x 1/8"

2шт.

24

A152787

SLEEVE CYLINDER

SLEEVE ASSY. - support, with bushing (Replaces A60493)

2шт.

25

A60490

SHIM,.003" Thk

Brg. carrier .003" Thk

1шт.

25

A60491

SHIM,.005" Thk

Brg. carrier .005" Thk

1шт.

25

A60492

SHIM,.010" Thk

Brg. carrier .010" Thk

1шт.

26

D36103

O-RING,0.139" Thk x 5.609" ID, -255, Cl 5, 75 Duro

- 5-5/8 x 5-7/8 x 1/8"

2шт.

27

A58454

HOUSING

ASSY. - brake, R.H. (Incl. Ref. 28), Includes: Ref. 28

1шт.

27

A58455

HOUSING

ASSY. - brake, L.H.

1шт.

28

A57658

OIL SEAL

- oil

1шт.

29

A60496

LOCK BOLT

BOLT - 5/8 x 2-3/4" N.C. Jay-lock

4шт.

29

A62449

FLANGE BOLT

BOLT - 5/8 x 2-3/4" N.C. Ferry cap

6шт.

30

A64303

WASHER

- 41/64 x 1-1/16 x 19/32" (Replaces A29881)

10шт.

Выбрано товаров: 36