Запчасти Case IH 1070 (0340) - A62074 POWER BRAKE VALVE (07) - BRAKES

Схема запчастей Case IH 1070 - (0340) - A62074 POWER BRAKE VALVE (07) - BRAKES
48
23
9
12
54
39
6
7
28
26
27
55
1
41
13
36
2
8
37
22
43
20
50
51
35
7
52
42
56
45
40
46
34
4
3
11
26
18
53
25
19
29
21
47
38
24
44
5
10
FIT
1:1
100%

Артикул

Название

Примечание

Количество

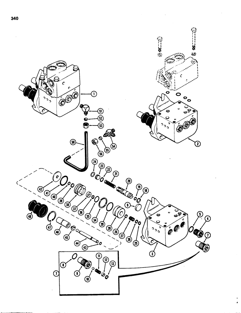
1

A62074

VALVE

ASSY - power brake (Continued from Fig. 338), Includes: Ref. 2 - 47

1шт.

2

A62073

SPARE PART

VALVE ASSY - power brake (Order G100060 & 1-A65353 & 2-13-644), Includes: Ref. 3 - 47

1шт.

3

NSS

NOT SOLD SEPARAT

BODY - valve (Order Ref 2)

1шт.

4

A59948

PLUG

- reducer, valve body

2шт.

6

41-1016

PLUG,Cup, 1"

- cup, valve body

2шт.

7

A60643

VALVE

ASSY - sump pressure relief (Order A61508), Includes: Ref. 8 - 13

1шт.

8

237-6010

O-RING,0.097" Thk x 0.755" ID, -910, Cl 6, 90 Duro

- 3/4 x 15/16 x 3/32"

1шт.

9

NSS

NOT SOLD SEPARAT

BODY - sump relief valve (Order Ref 7)

1шт.

10

211-11

BALL,3/8" Dia

- relief valve, meter 3/8" Dia

1шт.

11

A60644

SPRING - compression, 25/32" free length

1шт.

12

A59946

WASHER - 1/4 x 27/64 x 5/32"

1шт.

13

A59947

SNAP RING,0.453", Int, #45

Ring, Snap, , relief valve 0.453", Int, #45

1шт.

18

A59951

RING

- sealing, boost spool

2шт.

19

A28090

O-RING,0.301" ID x 0.441" OD x 0.07"

-011, 70 Duro, .301" ID x .070" Thk

2шт.

20

A61104

SPOOL

- boost (Order G100482)

2шт.

21

A59950

SPRING

- spool, 1-3/4" free length

2шт.

22

A29197

O-RING,0.424" ID x 0.63" OD x 0.103"

- 7/16 x 5/8 x 3/32"

2шт.

Included w/ REPAIR KIT, A43710

1шт.

23

A59952

PLUG - boost spool

2шт.

24

G46147

SNAP RING,0.625", Int, #62

Ring, Snap, , plug 0.625", Int, #62

2шт.

25

G10659

SNAP RING,#31, Ext

Ring, Snap, , piston retaining #31, Ext

2шт.

26

A59958

RETAINER

- spring (Order A65936)

4шт.

27

A59957

SPRING

- piston, 21/32" free length

2шт.

28

A59953

PISTON

- brake

2шт.

29

A59954

O-RING,0.07" Thk x 1.176" ID, -25, Cl 5, 75 Duro

- 1-3/16 x 1-5/16 x 1/16"

2шт.

Included w/ REPAIR KIT, A43710

1шт.

34

A59955

SEALING RING

RING - sealing, pistong

2шт.

Included w/ REPAIR KIT, A43710

1шт.

35

F8222

O-RING,0.07" Thk x 0.739" ID, -18, Cl 6, 90 Duro

RING - 3/4 x 7/8 x 1/16"

2шт.

36

G10659

SNAP RING,#31, Ext

Ring, Snap, , piston seal washer #31, Ext

2шт.

37

A59959

WASHER

- piston seal

2шт.

38

A62072

SEAT

STOP - piston

2шт.

39

A59961

RING

- back-up, piston stop

2шт.

Included w/ REPAIR KIT, A43710

1шт.

40

A27891

O-RING,0.103" Thk x 0.362" ID, -110, Cl 5, 75 Duro

- 3/8 x 9/16 x 3/32"

2шт.

Included w/ REPAIR KIT, A43710

1шт.

41

A27577

O-RING,0.139" Thk x 1.234" ID, -218, Cl 5, 75 Duro

- 1-1/4 x 1-1/2 x 1/8"

2шт.

42

A60646

SPACER

RETAINER - piston stop

2шт.

43

A27880

O-RING,0.07" Thk x 0.18" ID, -8, Cl 5, 75 Duro

- 3/16 x 5/16 x 1/16"

2шт.

Included w/ REPAIR KIT, A43710

1шт.

44

A59963

ROD

- piston

2шт.

45

A60647

COLLAR

RETAINER - piston rod (Nylon)

2шт.

46

A59964

CONNECTOR, ELEC

CONNECTOR - piston rod

2шт.

47

T28550

SNAP RING,1.50", Int, #150

Ring, Snap, , piston stop 1.50", Int, #150

2шт.

48

A59966

BOOT

- piston rod

2шт.

Included w/ REPAIR KIT, A43710

1шт.

A43710

KIT

- repair, valve (Replaces A42499) Includes: Ref. 18, 19, 22, 29 - 35, 39 - 41, 43, 45 and 48

2шт.

50

A60770

TUBE

- relief valve pressure, 50" long

1шт.

51

222-5111

ELBOW,9/16"-24 x 1/8" NPTF

- valve, 3/8" tube x 1/4" PT, 90 deg.

1шт.

52

222-5186

SLEEVE,3/8" Tube

- nylon, 3/8" Tube

1шт.

53

222-5181

NUT,9/16"-24

NUT - 3/8" tube

1шт.

54

222-5120

TEE,7/16"-24 x 1/4" NPT Run

- trans cover, 3/8" tube x 1/4" PT, Includes: Ref. 55 and 56

1шт.

55

222-5186

SLEEVE,3/8" Tube

- for 3/8" Tube

1шт.

56

222-5181

NUT,9/16"-24

NUT - 3/8" tube

1шт.

5

218-5006

O-RING,0.087" Thk x 0.644" ID, -908, Cl 6, 90 Duro

- 1/2 x 21/32 x 3/32"

2шт.

Выбрано товаров: 55