Запчасти Case IH 1070 (0418) - A65670 VALVE (08) - HYDRAULICS

Схема запчастей Case IH 1070 - (0418) - A65670 VALVE (08) - HYDRAULICS
21
19
34
18
4
6
17
32
2
9
5
29
33
35
14
30
8
15
3
36
16
28
22
7
27
1
31
20
FIT
1:1
100%

Артикул

Название

Примечание

Количество

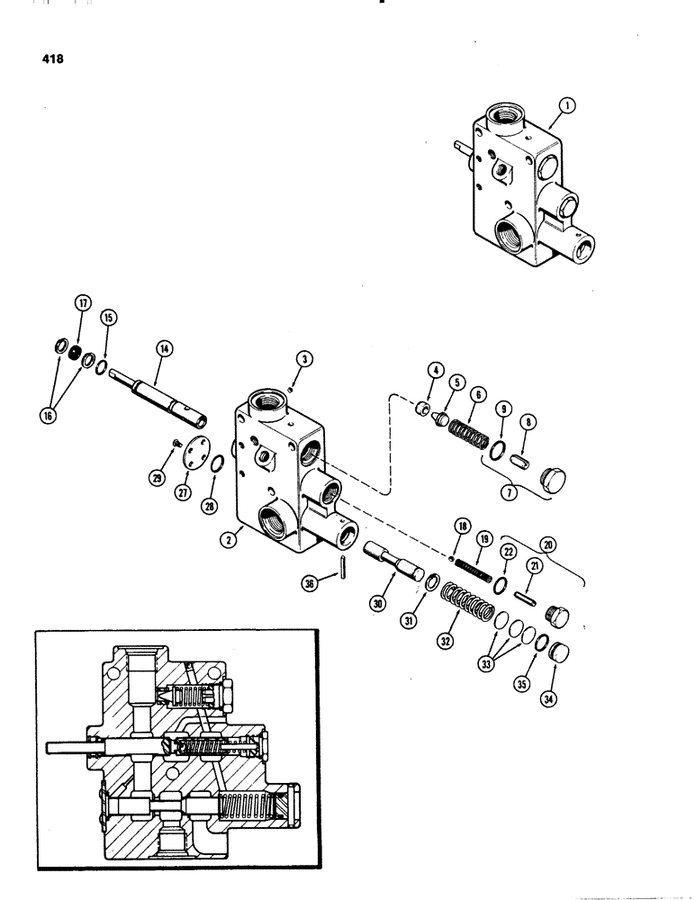
1

A65670

VALVE

ASSY - regulator (Replaces A60270)

1шт.

2

NSS

NOT SOLD SEPARAT

BODY ASSY - valve, Includes: Ref. 3 and 4

1шт.

3

211-7

BALL,1/4" Dia

- valve 1/4" Dia

1шт.

4

A60686

SEAT

- relief valve

1шт.

5

A60687

VALVE POPPET

POPPET - relief valve

1шт.

6

A60286

SPRING

- relief valve, 2-3/16" free length

1шт.

7

A139173

PLUG

ASSY - relief valve (Replaces A60287), Includes: Ref. 8 and 9

1шт.

8

138-245

LOCK PIN,1/2" x 7/8", Slotted

Pin, 1/2" x 7/8", Slotted

1шт.

9

237-6010

O-RING,0.097" Thk x 0.755" ID, -910, Cl 6, 90 Duro

- 5/8 x 3/4 x 3/32"

1шт.

Included w/ SEAL KIT, A42884

1шт.

14

NSS

NOT SOLD SEPARAT

SPOOL - PTO clutch modulating

1шт.

15

A29197

O-RING,0.424" ID x 0.63" OD x 0.103"

- 7/16 x 5/8 x 3/32"

1шт.

Included w/ SEAL KIT, A42884

1шт.

16

A60280

SNAP RING,#68, .743", Int, Spiral

RING - retaining, spool washer

2шт.

17

A60279

WASHER

- spool, 5/32 x 11/12" x 3/16"

1шт.

Included w/ SEAL KIT, A42884

1шт.

18

211-8

BALL,9/32" Dia

- spool 9/32" Dia

1шт.

19

A60281

SPRING

- spool, 2-1/8" free length

1шт.

20

A60282

PLUG

ASSY - modualting spool, Includes: Ref. 21 and 22

1шт.

21

138-2028

PIN,3/16" x 1 1/4", Coiled

1шт.

27

A60277

CAP

- regulating spool

1шт.

28

A27365

O-RING,0.103" Thk x 0.75" ID, -116, Cl 5, 75 Duro

- 3/4 x 15/16 x 3/32"

1шт.

Included w/ SEAL KIT, A42884

1шт.

29

164-522

SCREW,Btn Hd, #10 - 24 x 1/2"

- #10 x 1/2" NC hex socket button head, cap

4шт.

30

NSS

NOT SOLD SEPARAT

SPOOL - pressure regulating

1шт.

31

A60273

SNAP RING,#62, Ext

Ring, Snap, , spool #62, Ext

1шт.

32

A60274

SPRING

- spool, 2-7/8" free length

1шт.

33

A60275

SHIM,.0164" Thk

Regulating spring (.0184/.0144) .0164" Thk

1шт.

34

A60276

PLUG

- regulator spool

1шт.

35

F62114

O-RING,0.103" Thk x 0.674" ID, -115, Cl 5, 75 Duro

- 11/16 x 7/8 x 3/32"

1шт.

Included w/ SEAL KIT, A42884

1шт.

36

138-100

LOCK PIN,3/16" x 1 1/2", Slotted

PIN - roll, 3/16 x 1-1/4"

1шт.

A42884

KIT

- seal, Includes: Ref. 9, 15, 17, 22, 28 and 35

2шт.

22

218-5006

O-RING,0.087" Thk x 0.644" ID, -908, Cl 6, 90 Duro

- 1/2 x 21/32 x 3/32'

1шт.

Included w/ SEAL KIT, A42884

1шт.

Выбрано товаров: 0