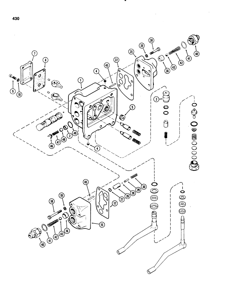
Запчасти Case IH 1070 (0430) - A45294 AUXILIARY VALVE (08) - HYDRAULICS

Схема запчастей Case IH 1070 - (0430) - A45294 AUXILIARY VALVE (08) - HYDRAULICS
2
28
45
26
5
39
27
16
9
15
42
40
45
1
10
7
4
35
47
43
3
4
49
48
37
43
42
8
30
41
17
19
36
40
38
46
18
41
29
FIT
1:1
100%

Артикул

Название

Примечание

Количество

A45294

VALVE

ASSY - auxiliary (w/straight outlet fitting on RH side) (Replaces A44745 & A44192) (Order A45419), Includes: Ref. 1 - 88

1шт.

1

A66628

BODY

ASSY - valve (Order A141405)r, Includes: Ref. 2 - 5

1шт.

2

A139799

SEAT

- ball, check valve

4шт.

3

A57536

SLEEVE

- relief valve pilot

1шт.

4

221-849

PLUG,Hex Soc, 1/8"-27

- 1/8" hex socket head pipe

4шт.

5

221-843

PLUG,Hex Soc, 3/8"-18

- 3/8" hex socket head pipe

1шт.

6

A57391

SEAT - Valve Head

1шт.

7

A66435

CAP

- valve body

1шт.

8

A76374

GASKET

- valve body cap

1шт.

9

13-416

BOLT,Hex, 1/4" - 20 x 1", Gr 5

4шт.

10

92-4

LOCK WASHER,1/4"

WASHER, LOCK, 1/4"

4шт.

15

A57565

VALVE

HEAD ASSY - valve, RH, Includes: Ref. 16

1шт.

16

NSS

NOT SOLD SEPARAT

SEAT - valve head

2шт.

17

A57561

GASKET

- head, RH

1шт.

18

13-628

BOLT,Hex, 3/8" - 16 x 1-3/4", Gr 5

2шт.

18

13-640

BOLT,Hex, 3/8" - 16 x 2-1/2", Gr 5

- 3/8 x 2-1/2" NC hex

2шт.

19

92-6

LOCK WASHER,3/8"

4шт.

26

A137335

SEAT

- thermal valve

2шт.

27

A27891

O-RING,0.103" Thk x 0.362" ID, -110, Cl 5, 75 Duro

- thermal valve, 3/8 x 9/16 x 3/32"

2шт.

28

211-3

BALL,1/8" Dia

-meter steel 1/8" Dia

2шт.

29

A137594

GUIDE

- ball, thermal valve

2шт.

30

A57396

SPRING

- valve (1-7/64" free length, 21/64" diameter)

2шт.

35

A57564

VALVE

HEAD ASSY - valve, LH, Includes: Ref. 36

1шт.

36

NSS

NOT SOLD SEPARAT

SEAT - valve head

2шт.

37

A57560

GASKET

- valve head, LH

1шт.

38

13-644

BOLT,Hex, 3/8" - 16 x 2-3/4", Gr 5

- 3/8 x 2-3/4" NC hex

4шт.

39

92-6

LOCK WASHER,3/8"

4шт.

40

A64708

FITTING

- remote valve outlet (See Figure 452)

4шт.

41

218-5008

O-RING,0.116" Thk x 0.924" ID, -912, Cl 6, 90 Duro

- 3/4 x 59/64 x 1/8"

4шт.

42

A66473

SPRING

- check valve

4шт.

43

211-13

BALL,1/2" Dia

- check valve, steel 1/2" Dia

4шт.

45

A57559

SPOOL

- auxiliary

4шт.

46

A27364

GUIDE

- auxiliary ball check

4шт.

47

A27452

SPRING

- auxiliary valve (1-1/8" free length, 1/2" diameter0

4шт.

48

211-15

BALL,5/8" Dia

- meter, steel 5/8" Dia

4шт.

49

A64434

O-RING,0.93" ID x 1.142" x 0.106"

- 15/16 x 1-1/8 x 3/32"

4шт.

Выбрано товаров: 36