Запчасти Case IH 1070 (0446) - A59600 VALVE (08) - HYDRAULICS

Схема запчастей Case IH 1070 - (0446) - A59600 VALVE (08) - HYDRAULICS
44
15
35
21
7
20
42
3
9
6
30
24
23
45
49
11
48
22
8
53
37
51
12
41
8
46
5
39
38
29
28
27
14
47
10
25
2
40
54
36
50
43
1
13
52
26
4
FIT
1:1
100%

Артикул

Название

Примечание

Количество

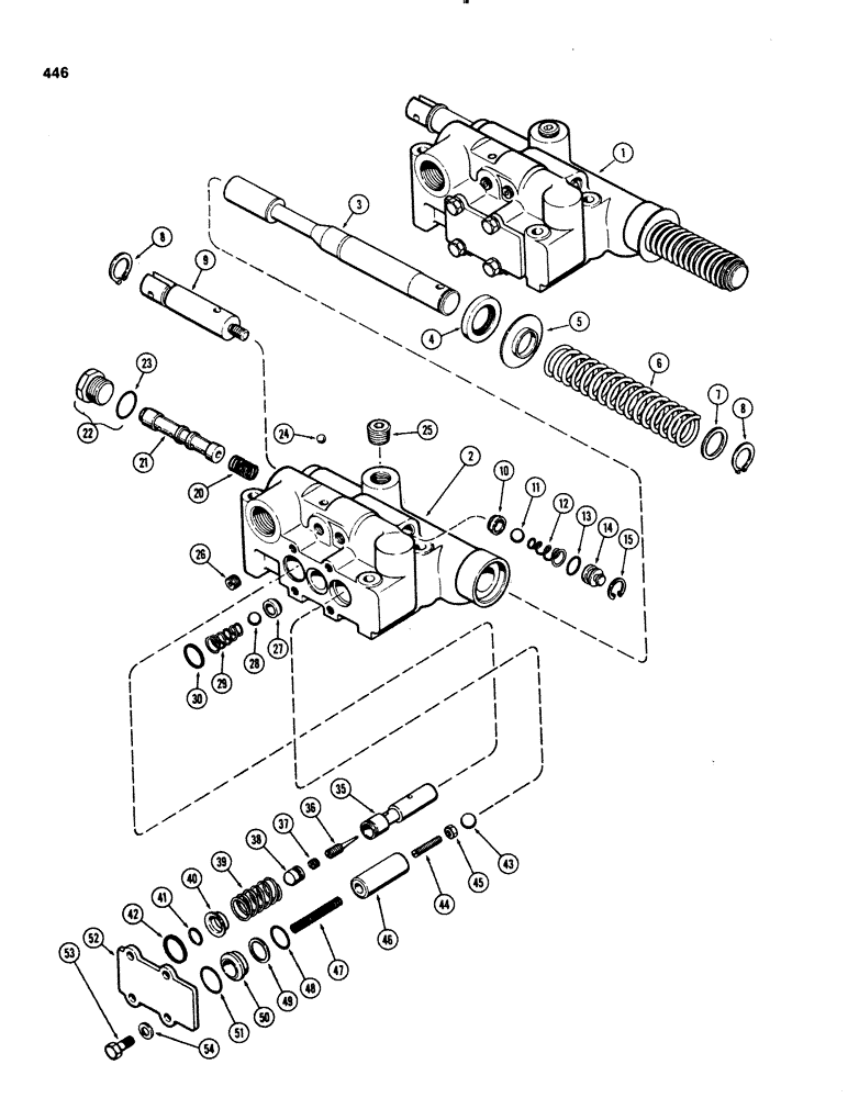
1

A59600

VALVE

ASSY - draft control, Includes: Ref. 2 - 53

1шт.

2

NSS

NOT SOLD SEPARAT

BODY - valve (Order A59600)

1шт.

3

A58363

SPOOL

- valve

1шт.

4

A11507

OIL SEAL

- oil, 7/8 x 1-3/8 x 1/4"

1шт.

Included w/ SEAL KIT, A43518

1шт.

5

A58364

SUPPORT

- spring

1шт.

6

A58366

SPRING

- spool return

1шт.

7

A58365

WASHER

- spring retaining

1шт.

8

A35094

SNAP RING,#81, Ext

Ring, Snap, , spool #81, Ext

2шт.

9

A32981

END - spool

1шт.

10

L10120

SEAT

- ball, check valve

1шт.

11

211-12

BALL,7/16 Dia

- 7/16" diameter

1шт.

12

A35099

SPRING

- pressure

1шт.

13

H756783

O-RING,0.103" Thk x 0.487" ID, -112, Cl 6, 90 Duro

- 1/2 x 11/16 x 3/32"

1шт.

Included w/ SEAL KIT, A43518

1шт.

14

A35693

PLUG

- check valve

1шт.

15

A35693

PLUG

RING - snap, plug retaining

1шт.

20

A35700

SPRING

- pressure, flow control

1шт.

21

A32984

PISTON

- flow control

1шт.

22

A34215

PLUG

ASSY - flow control (Order A39586), Includes: Ref. 23

1шт.

23

237-6010

O-RING,0.097" Thk x 0.755" ID, -910, Cl 6, 90 Duro

- 5/8 x 3/4 x 3/32"

1шт.

Included w/ SEAL KIT, A43518

1шт.

24

211-7

BALL,1/4" Dia

- steel 1/4" Dia

1шт.

25

221-843

PLUG,Hex Soc, 3/8"-18

- 3/8" hex socket head, pipe

1шт.

26

221-849

PLUG,Hex Soc, 1/8"-27

- 1/8" hex socket head, pipe

2шт.

27

L10120

SEAT

- ball, check valve

1шт.

28

211-12

BALL,7/16 Dia

- 7/16" diameter

1шт.

29

A35099

SPRING

- check valve

1шт.

30

A35547

RING

- quad, check valve

1шт.

Included w/ SEAL KIT, A43518

1шт.

35

A32982

PISTON

- trigger poppet

1шт.

36

A35784

VALVE

- needle, trigger poppet

1шт.

36

A35784

VALVE

- needle, trigger poppet

1шт.

37

A35785

SET SCREW,5/16" - 18 x 1/4"

- lock, needle valve

1шт.

38

A35097

PLUG

- trigger valve cap

1шт.

39

A35691

SPRING

- pressure, trigger valve

1шт.

40

A35689

RETAINER

SEAT - spring retainer

1шт.

41

A3560

RING - snap, seat retaining

1шт.

42

A35548

RING

- quad, trigger valve

1шт.

Included w/ SEAL KIT, A43518

1шт.

43

211-13

BALL,1/2" Dia

steel 1/2" Dia

1шт.

44

A35101

SET SCREW,Hex Skt, #10 - 32 x 1 1/4", Gr 5

- #10 x 1-1/4" NF slotted headless, set

1шт.

45

A35102

NUT

- #10 NF hex locking

1шт.

46

A35695

PISTON

- lowering poppet

1шт.

47

A35103

SPRING

- pressure, poppet

1шт.

48

A27365

O-RING,0.103" Thk x 0.75" ID, -116, Cl 5, 75 Duro

- 3/4 x 15/16 x 3/32"

1шт.

Included w/ SEAL KIT, A43518

1шт.

49

A35698

BACK-UP RING

WASHER - O-Ring back-up

1шт.

50

A35696

SLEEVE

- lowering poppet

1шт.

51

A35104

O-RING,0.103" Thk x 0.862" ID, -118, Cl 5, 75 Duro

- 7/8 x 1-1/16 x 3/32"

1шт.

52

A35105

COVER

- valve

1шт.

53

13-512

BOLT,Hex, 5/16" - 18 x 3/4", Gr 5

4шт.

54

92-5

LOCK WASHER,5/16"

4шт.

A43518

KIT

- seal, Includes: Ref. 4, 13, 23, 30, 42, 48 and 51

1шт.

Выбрано товаров: 54