Запчасти Case IH 1070 (0120) - A44817 SOLENOID, USED WITH STARTER A149056 AND A145555 (04) - ELECTRICAL SYSTEMS

Схема запчастей Case IH 1070 - (0120) - A44817 SOLENOID, USED WITH STARTER A149056 AND A145555 (04) - ELECTRICAL SYSTEMS
12
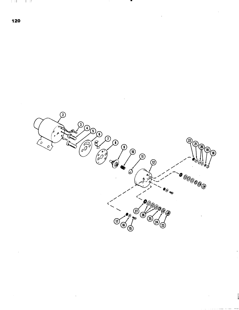
2
11
10
6
27
24
23
21
5
18
25
22
15
19
16
8
26
3
17
4
20
7
9
FIT
1:1
100%

Артикул

Название

Примечание

Количество

A44817

SOLENOID

ASSY - (Delco #1115541) (Replaces A43846 & A42326), Includes: Ref. 2 - 27

1шт.

2

NSS

NOT SOLD SEPARAT

CASE & COIL ASSY - (Order A44817)

1шт.

3

A42090

TERMINAL CONNECTOR

TERMINAL - switch

1шт.

4

A42383

TERMINAL CONNECTOR

TERMINAL - field

1шт.

5

A42387

SCREW,3/8" - 16 x 1.46"

TERMINAL - battery

1шт.

6

A42377

GASKET

- cover

1шт.

7

A42384

CLIP

- terminal

1шт.

8

A42386

INSULATOR

- cover

1шт.

9

A42385

CONTACT

- solenoid

1шт.

10

A42059

SPRING

- contact return

1шт.

11

A42391

INSULATOR

- cup

1шт.

12

A42388

COVER

- solenoid

1шт.

15

A42380

SCREW,#10 - 32 x 9/16"

- #10-32 x 1/2" rd. hd. Nylok

2шт.

16

A42378

WASHER

- 3/16 x 1/2 x 1/32"

2шт.

17

A42392

WASHER

- rubber, 3/16 x 21/64 x 3/32"

2шт.

18

129-37

NUT,#10-32

Switch terminal #10-32

1шт.

19

192-18

LOCK WASHER,Helical Spring, #10, 0.196" ID, CST, ZND

WASHER, LOCK, #10

1шт.

20

R16177

WASHER

- 3/16 x 1/2 x 3/64"

2шт.

21

A42390

WASHER

- insulating, 3/16 x 1/2 x 1/16"

1шт.

22

A42392

WASHER

- rubber, 3/16 x 21/64 x 3/32"

1шт.

23

129-103

NUT,Hex, 3/8" - 16, Gr 5

NUT, , Terminal 3/8"-16, G5

2шт.

24

192-21

LOCK WASHER,3/8"

WASHER, LOCK, 3/8"

2шт.

25

R15013

WASHER

- 25/64 x 11/16 x 1/16"

2шт.

26

A42379

WASHER

- insulating, 25/64 x 3/4 x 1/16"

8шт.

27

A42389

WASHER

- seal, 3/8 x 17/32 x 3/32"

2шт.

Выбрано товаров: 0